GM Service Manual Online
For 1990-2009 cars only
Makes
🢒
Chevrolet
🢒
2007
🢒
Impala
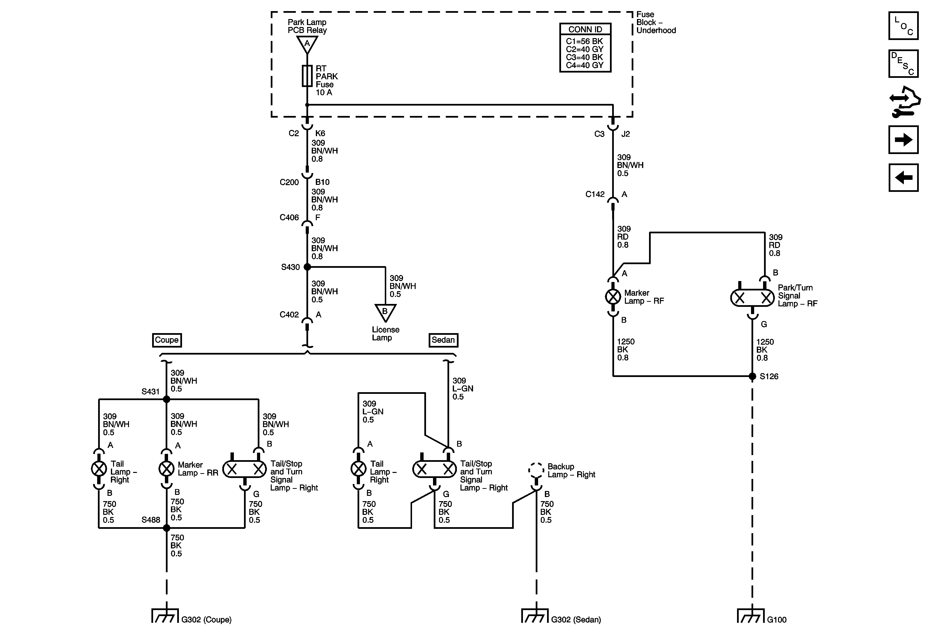
🢒 Park Lamps (2 of 2)
Park Lamps (2 of 2)
Park Lamps (2 of 2)
Master Electrical Component List
Exterior Lighting Systems Description and Operation
Control Module References
Backup and License Lamps
Park Lamps (1 of 2)
Park Lamps (1 of 2)
Backup and License Lamps
G302 (Coupe)
G302 (Sedan)
G100