GM Service Manual Online
For 1990-2009 cars only
Makes
🢒
Chevrolet
🢒
2008
🢒
Impala
🢒
Engine
🢒
Engine Electrical
🢒 Starting and Charging Schematics
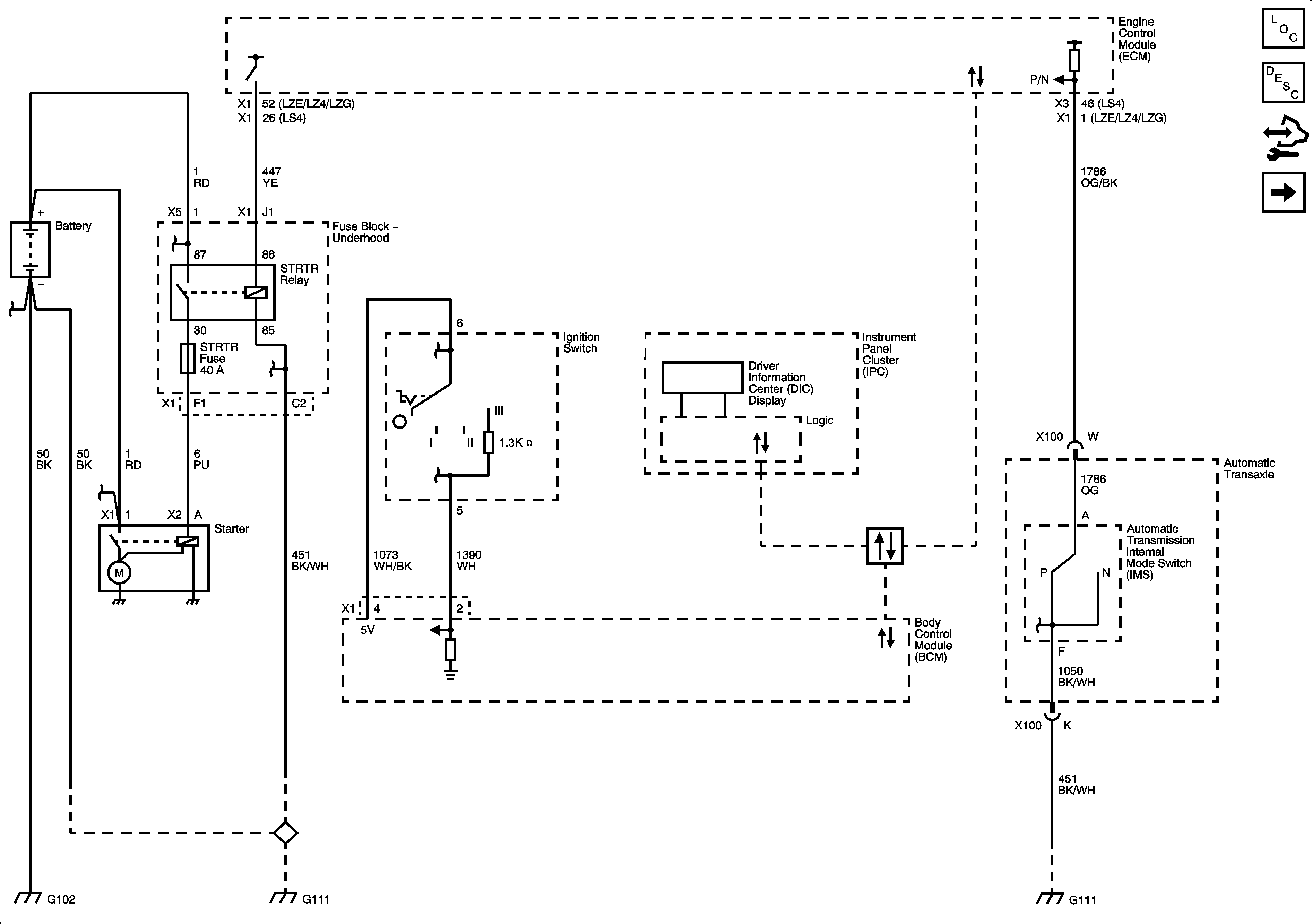
Figure
1:
Starter
Master Electrical Component List
Starting System Description and Operation
Control Module References
Generator
Ignition Switch
Ignition Switch
Power, Ground, and Low Speed GMLAN Serial Data
Door Ajar Indicators
G101, G102, and G111
Fuse Block - Underhood Bussing
Fuse Block - Underhood Bussing
SEO 9C1/9C3
G101, G102, and G111
G101, G102, and G111
G101, G102, and G111
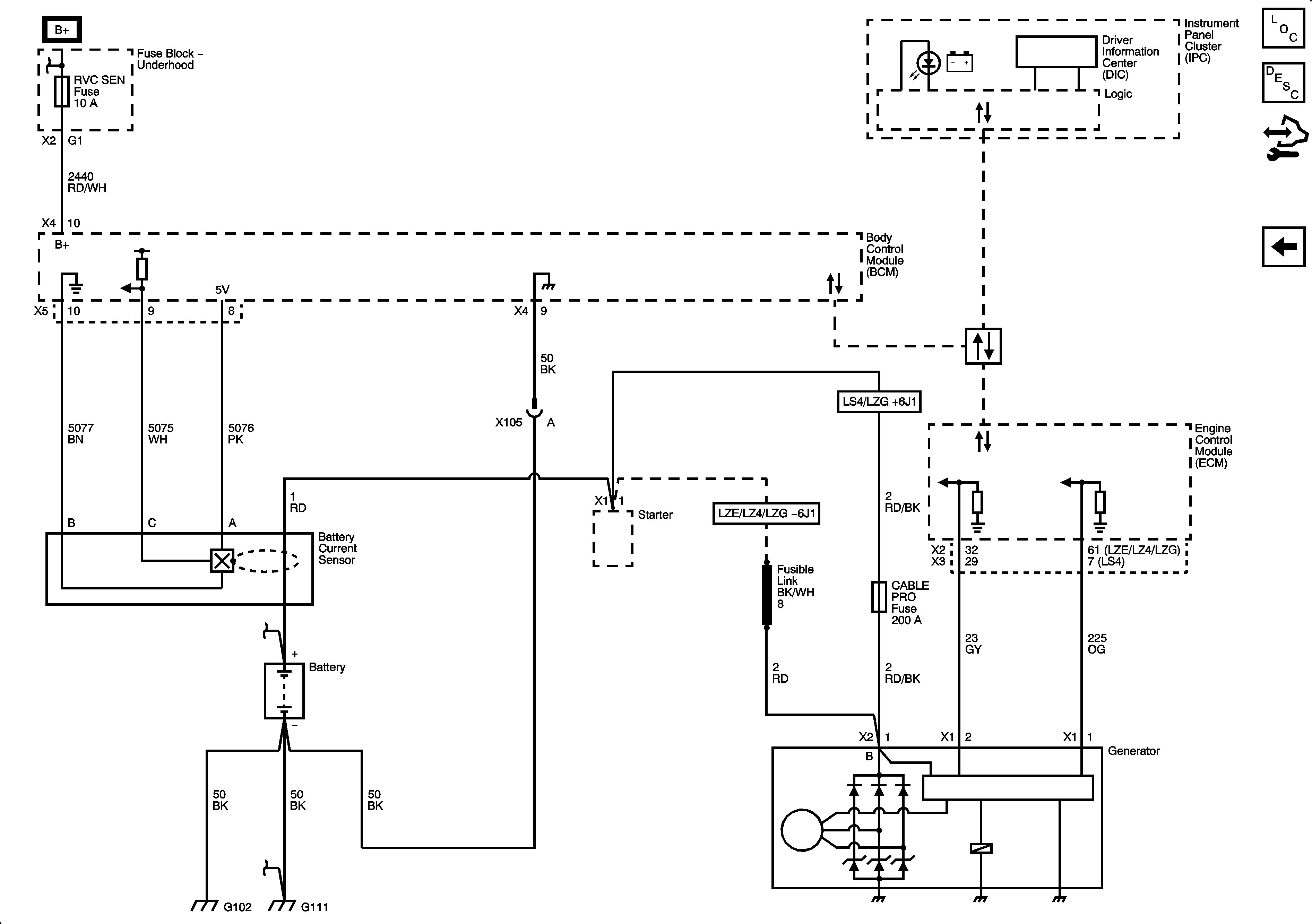
Figure
2:
Generator
Master Electrical Component List
Charging System Description and Operation
Control Module References
Starter
Fuse Block - Underhood Bussing
ONSTAR, INT LTS/PNL DIM, LT T/SIG, RT T/SIG, CHMSL/BCK-UP, INT LIGHTS, RVC SEN, and ECM/TCM Fuses
Power, Ground, and Low Speed GMLAN Serial Data
Fuse Block - Underhood Bussing
G101, G102, and G111
G101, G102, and G111