GM Service Manual Online
For 1990-2009 cars only
Makes
🢒
Chevrolet
🢒
2008
🢒
Impala
🢒
Diagnostic Navigation
🢒
Vehicle Diagnostic Information
🢒 Instrument Cluster Schematics
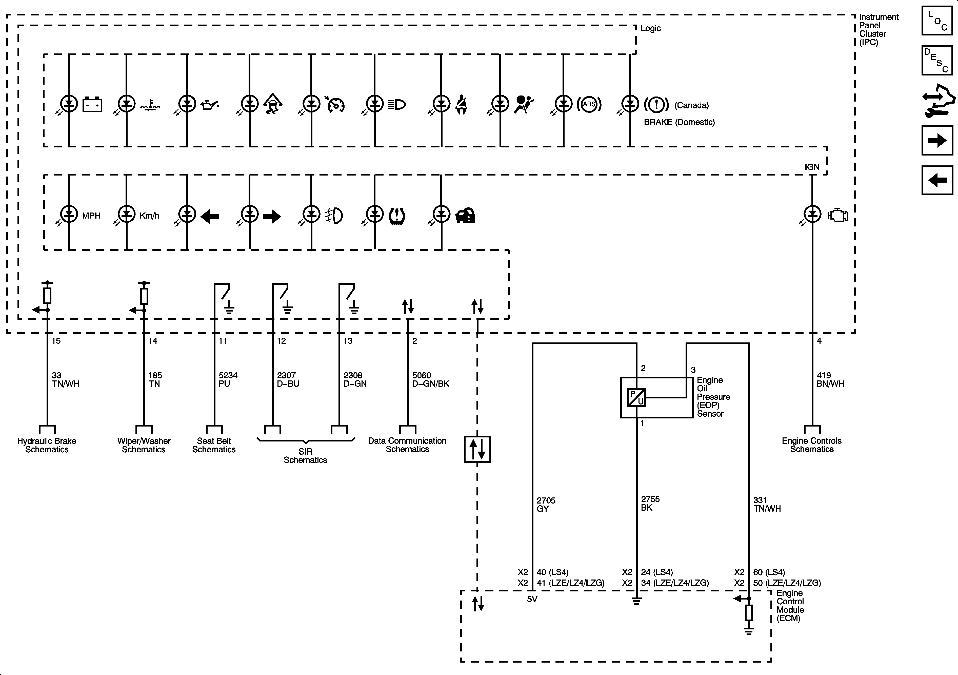
Figure
1:
Power, Ground, and Gages
Master Electrical Component List
Instrument Cluster Description and Operation
Control Module References
Indicators
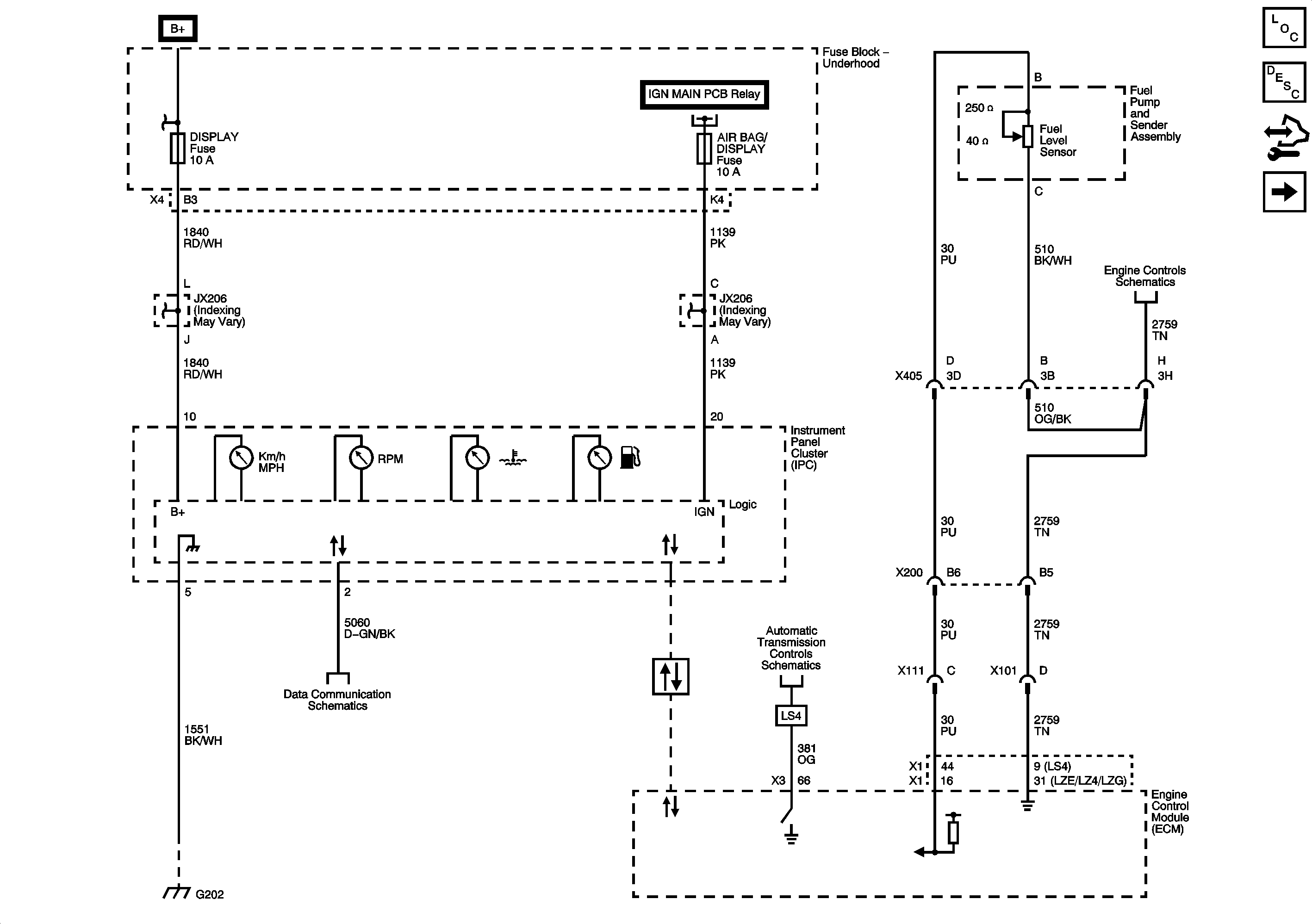
Fuse Block - Underhood Bussing
Fuse Block - Underhood Bussing
HDLP MDL, DISPLAY, LT SPOT, and RT SPOT Fuses
ECM IGN, TRANS, PWR DROP/CRNK, AIRBAG/DISPLAY, STRTR, FUEL/PUMP, and HORN Fuses
EVAP Solenoids and FTP Sensor
Power, Ground, and Low Speed GMLAN Serial Data
Power, Ground, and Low Speed GMLAN Serial Data
VSS, AT ISS Sensors, Pressure Control Solenoid Valve, and TCC Release Switch
G202, and G204
Figure
2:
Indicators
Master Electrical Component List
Indicator/Warning Message Description and Operation
Control Module References
Driver Information Center
Power, Ground, and Gages
Hydraulic Brake Schematics
Wiper/Washer Schematics
Seat Belt Schematics
Passenger Presence System
Power, Ground, and Low Speed GMLAN Serial Data
Power, Ground, and Low Speed GMLAN Serial Data
ECM Power, Ground, MIL, and Serial Data
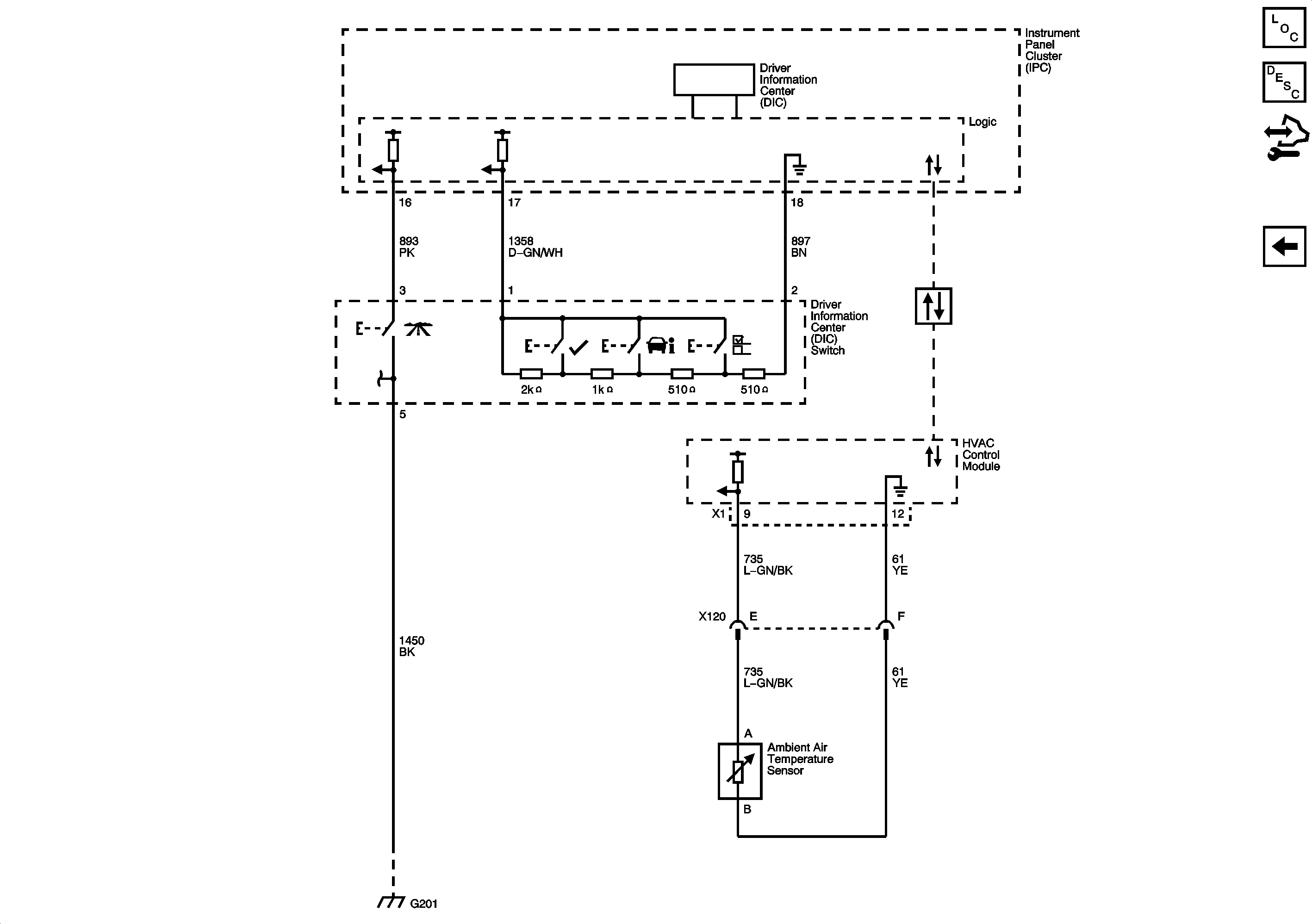
Figure
3:
Driver Information Center
Master Electrical Component List
Driver Information Center (DIC) Description and Operation
Control Module References
Indicators
Power, Ground, and Low Speed GMLAN Serial Data
G201
G201