GM Service Manual Online
For 1990-2009 cars only
Makes
🢒
Chevrolet
🢒
2008
🢒
Impala
🢒 Turn Signal, Hazard, and Stop Lamps Outputs
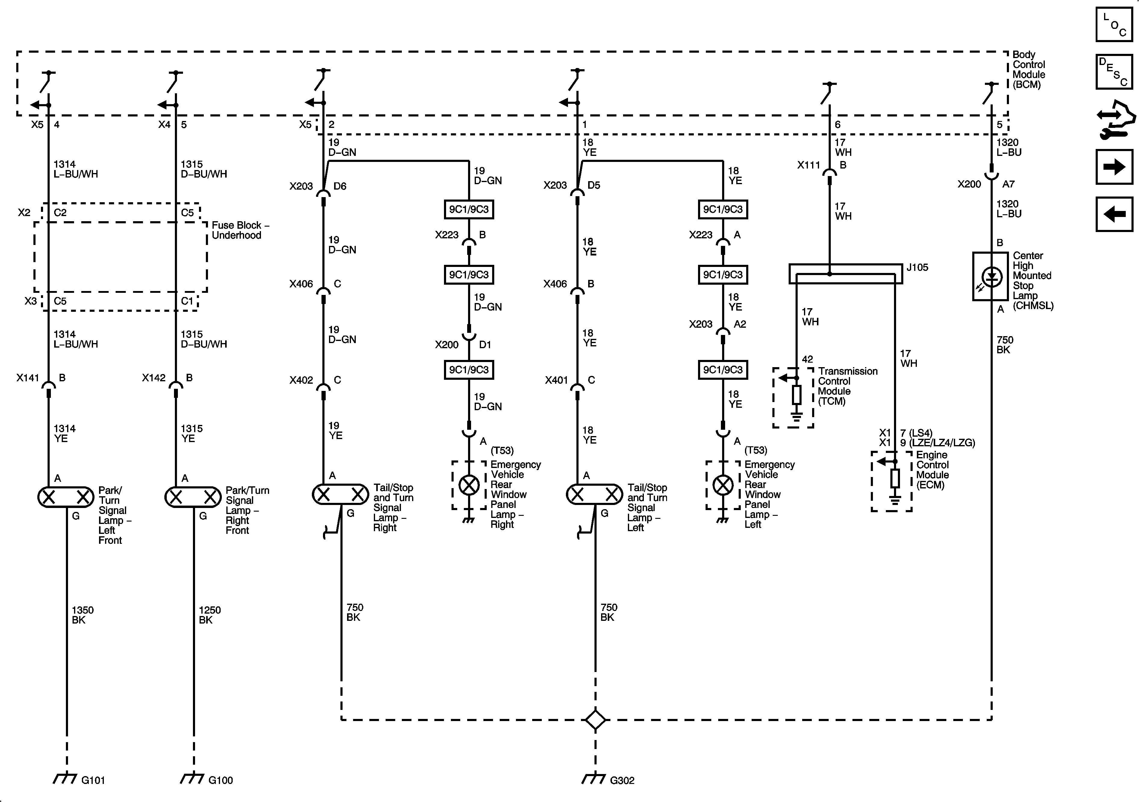
Turn Signal, Hazard, and Stop Lamps Outputs
Turn Signal, Hazard, and Stop Lamps Outputs
Master Electrical Component List
Exterior Lighting Systems Description and Operation
Control Module References
Park Lamps (1 of 2)
Turn Signal, Hazard, and Stop Lamps Inputs
G302
G302
G101, G102, and G111
G100
G302