GM Service Manual Online
For 1990-2009 cars only
Makes
🢒
Chevrolet
🢒
2008
🢒
Impala
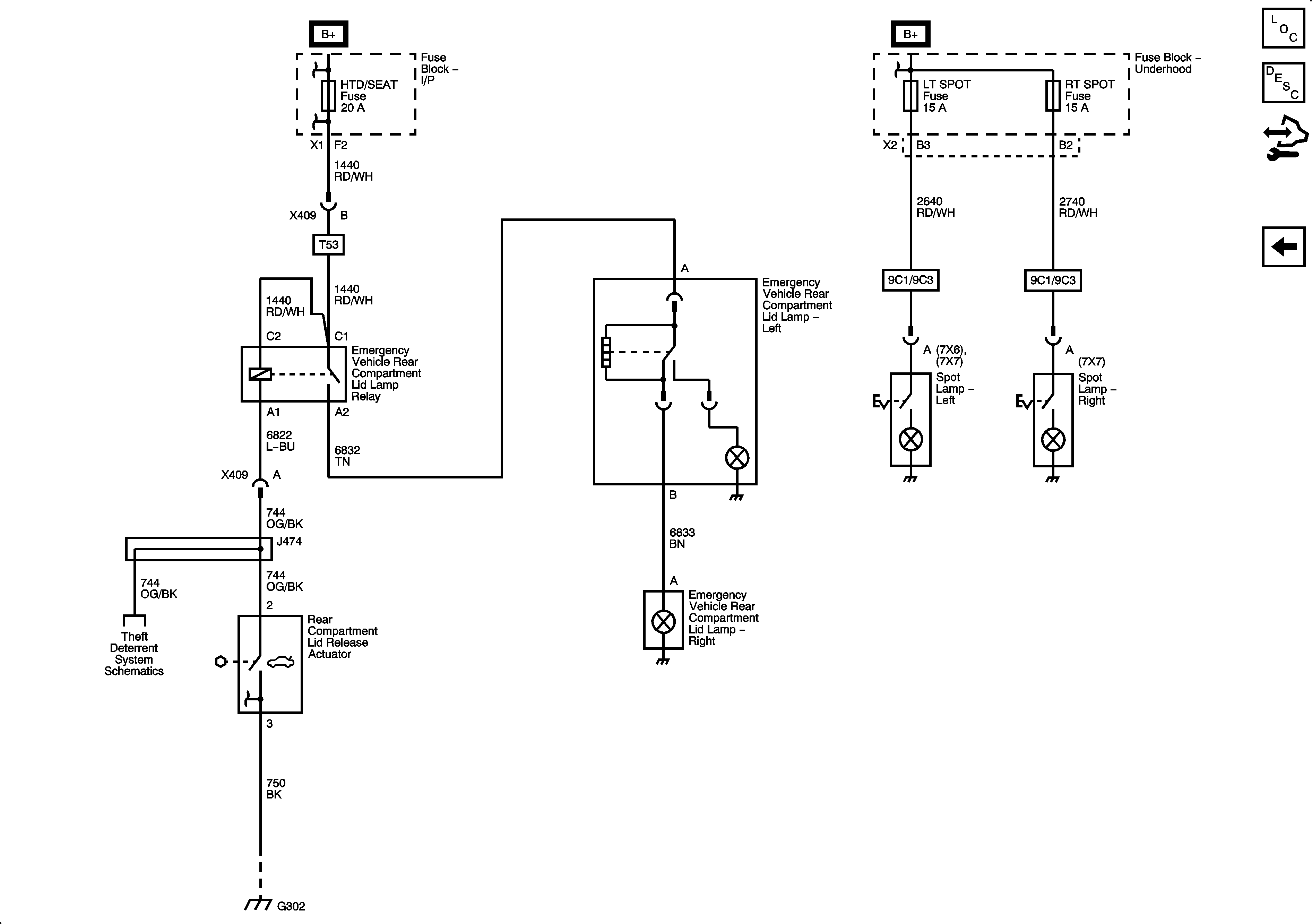
🢒 Emergency Vehicle Rear Compartment Lid Lamps and Spot Lamps - T53, 7X6, 7X7
Emergency Vehicle Rear Compartment Lid Lamps and Spot Lamps - T53, 7X6, 7X7
Emergency Vehicle Rear Compartment Lid Lamps and Stop Lamps - T53, 7X6, 7X7
Master Electrical Component List
Keyless Entry System Description and Operation (without Accessory 2 Way Remote)
Control Module References
Backup and License Lamps
BATT 2, HTD/SEAT, AIRBAG, PWR/MIR Fuses, and PWR/SEAT Circuit Breaker
BATT 2, HTD/SEAT, AIRBAG, PWR/MIR Fuses, and PWR/SEAT Circuit Breaker
Fuse Block - Underhood Bussing
HDLP MDL, DISPLAY, LT SPOT, and RT SPOT Fuses
Theft Deterrent System Schematics
G302