GM Service Manual Online
For 1990-2009 cars only
Makes
🢒
Chevrolet
🢒
2008
🢒
Impala
🢒 Passenger Compartment Lights
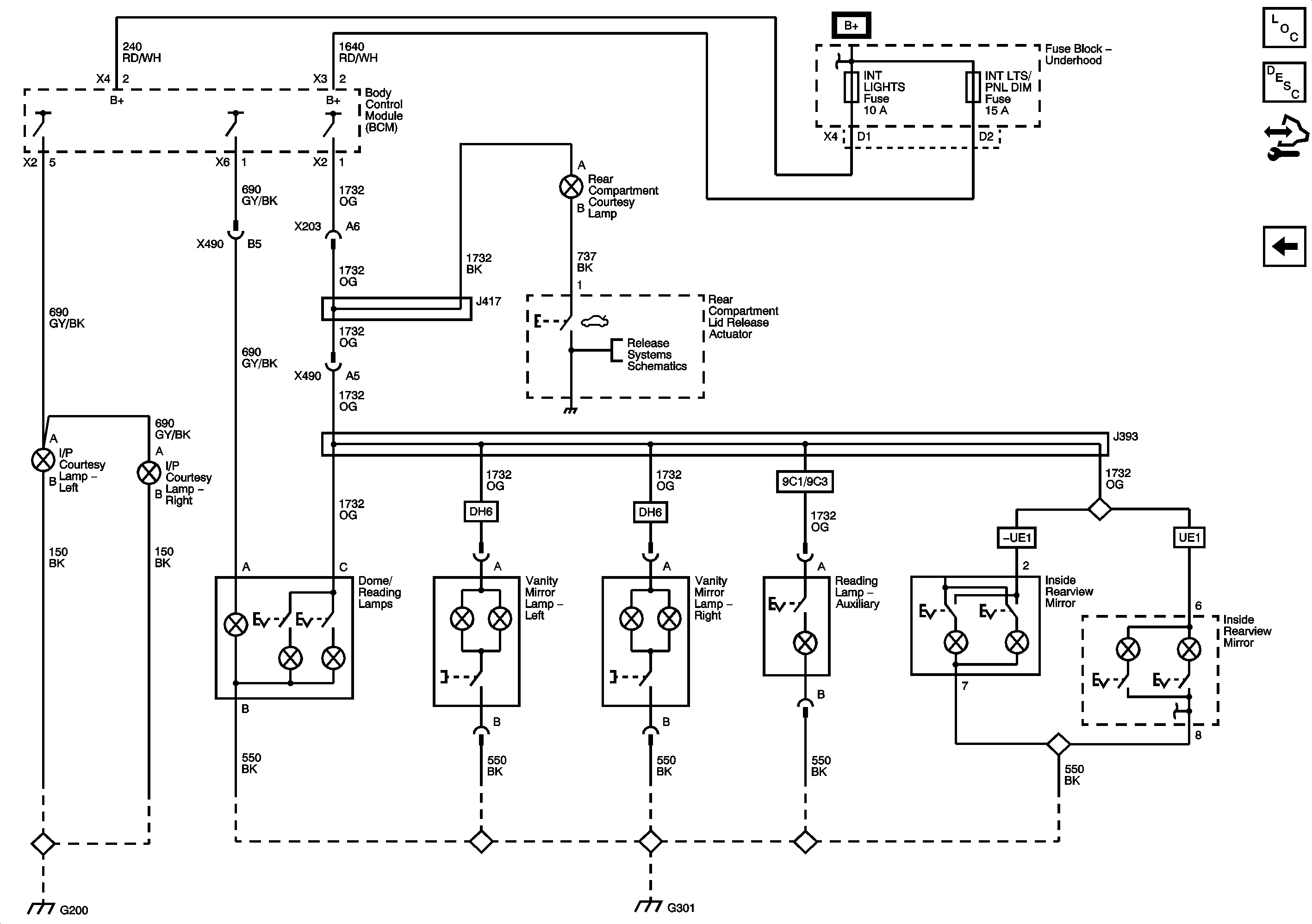
Passenger Compartment Lights
Passenger Compartment Lights
Master Electrical Component List
Interior Lighting Systems Description and Operation
Control Module References
Switches
Fuse Block - Underhood Bussing
ONSTAR, INT LTS/PNL DIM, LT T/SIG, RT T/SIG, CHMSL/BCK-UP, INT LIGHTS, RVC SEN, and ECM/TCM Fuses
Release Systems Schematics
G200
G301
G301