GM Service Manual Online
For 1990-2009 cars only
Makes
🢒
Chevrolet
🢒
2008
🢒
Impala
🢒 Release Systems Schematics
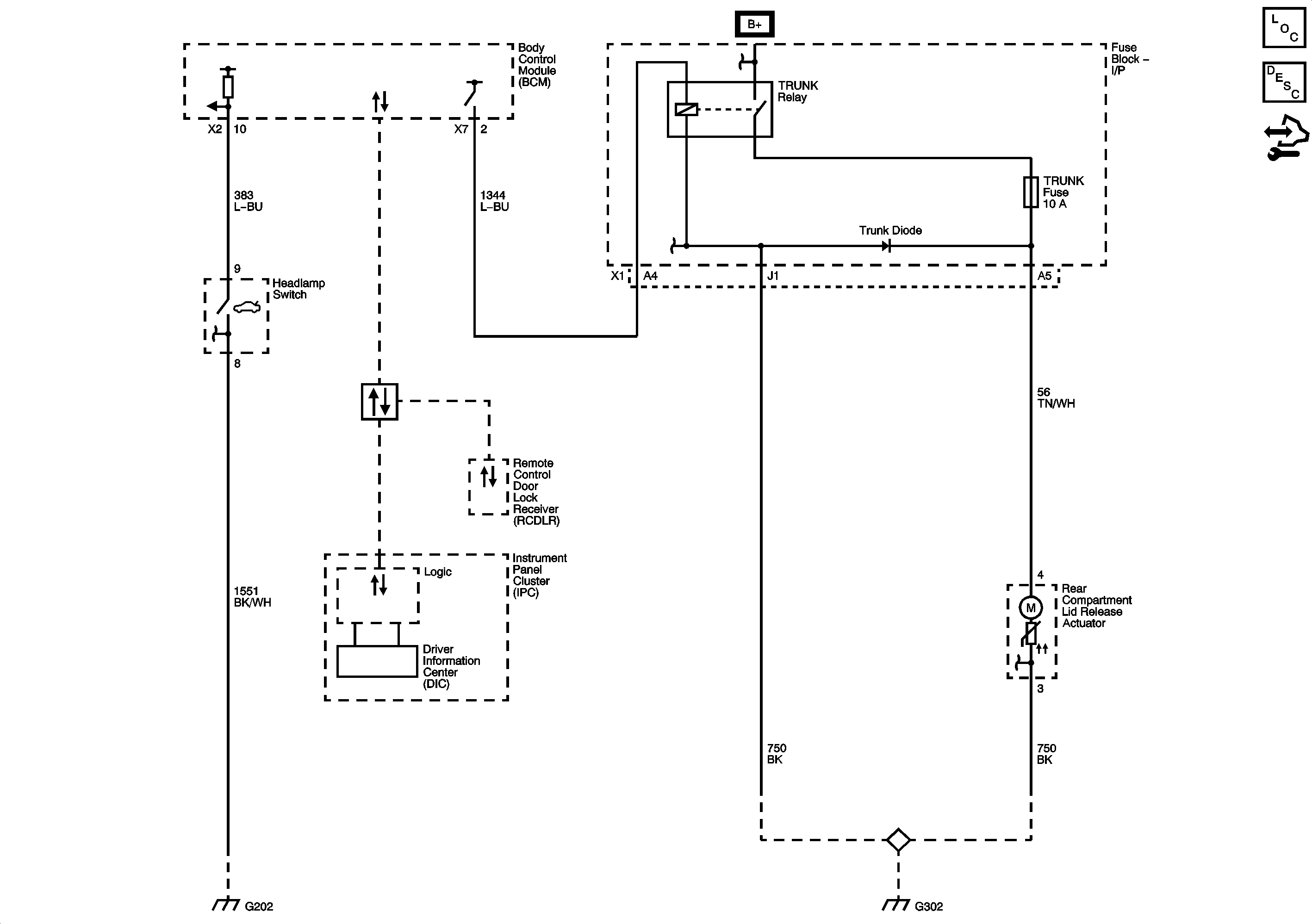
Release Systems Schematics
Master Electrical Component List
Luggage Compartment Description and Operation
Control Module References
BATT 1, CNSTR, XM, TRUNK, AMP, AUX Fuses, and TRUNK Relay
Power, Ground, and Low Speed GMLAN Serial Data
G302 (1 of 2)
G202, and G204
G202, and G204
G302
G302