GM Service Manual Online
For 1990-2009 cars only
Makes
🢒
Chevrolet
🢒
2008
🢒
Impala
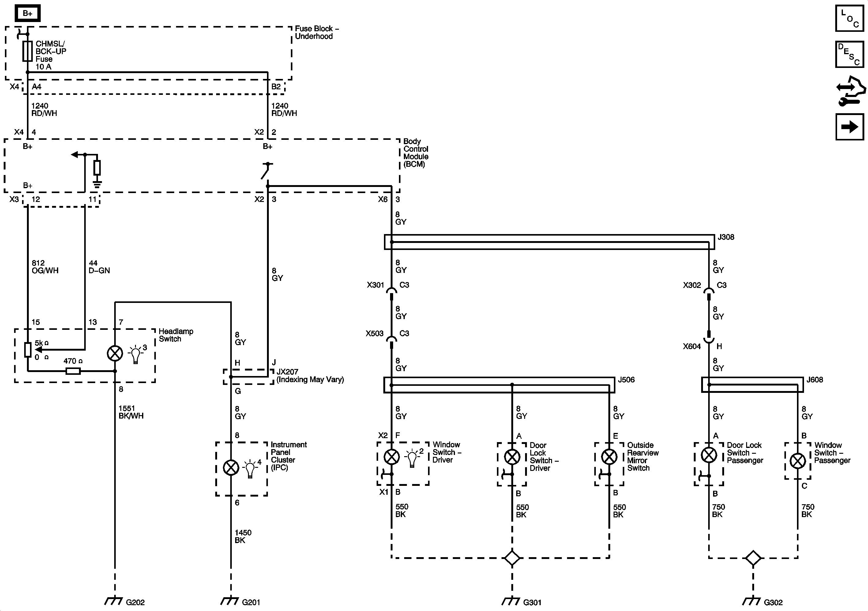
🢒 Headlamp Switch, Instrument Panel Cluster (IPC) and Doors
Headlamp Switch, Instrument Panel Cluster (IPC) and Doors
Headlamp Switch, Instrument Panel Cluster (IPC), and Doors
Master Electrical Component List
Interior Lighting Systems Description and Operation
Control Module References
Radio, HVAC Control Module, Driver Information Center (DIC) Switch, and Steering Wheel Controls
Fuse Block - Underhood Bussing
ONSTAR, INT LTS/PNL DIM, LT T/SIG, RT T/SIG, CHMSL/BCK-UP, INT LIGHTS, RVC SEN, and ECM/TCM Fuses
G301
G301
G301
G302
G202, and G204
G201
G301
G302