GM Service Manual Online
For 1990-2009 cars only
Figure 1:

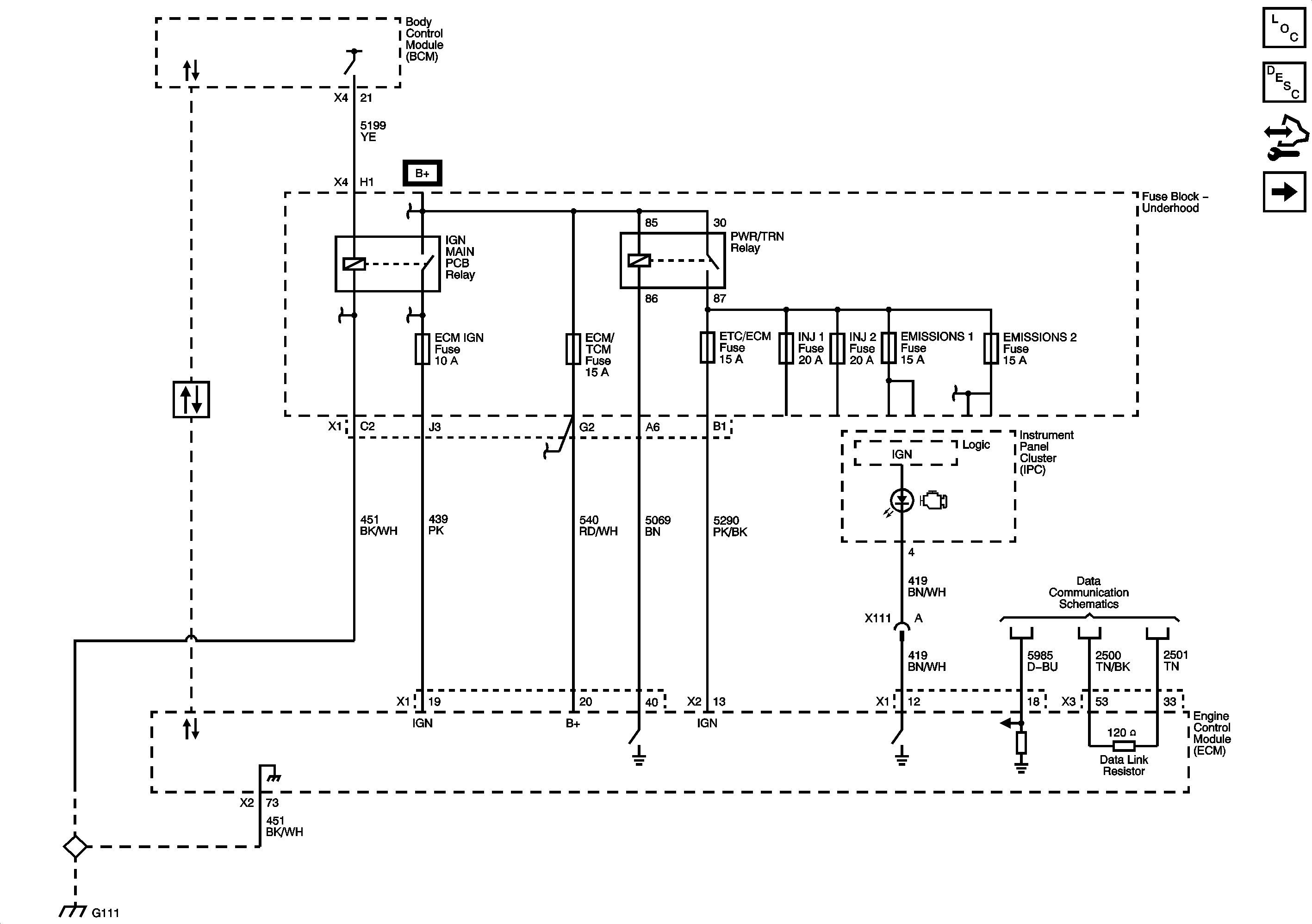
ECM Power, Ground, MIL, and Serial Data


Object Number: 2080189  Size: FS
Master Electrical Component List
Engine Control Module Description
Control Module References
5-Volt and Low Reference Bussing
Fuse Block - Underhood Bussing
ECM IGN, TRANS, PWR DROP/CRNK, AIRBAG/DISPLAY, STRTR, FUEL/PUMP, and HORN Fuses
ONSTAR, INT LTS/PNL DIM, LT T/SIG, RT T/SIG, CHMSL/BCK-UP, INT LIGHTS, RVC SEN, and ECM/TCM Fuses
EMISSIONS 1, EMISSIONS 2, A/C CMPRSR Fuses, and A/C CMPRSR, FAN 1, FAN 2, and FAN 3 Relays
High Speed GMLAN Serial Data
High Speed GMLAN Serial Data
G101, G102, and G111
G101, G102, and G111
Figure 2:

5-Volt and Low Reference Bussing


Object Number: 2080197  Size: FS
Master Electrical Component List
Engine Control Module Description
Control Module References
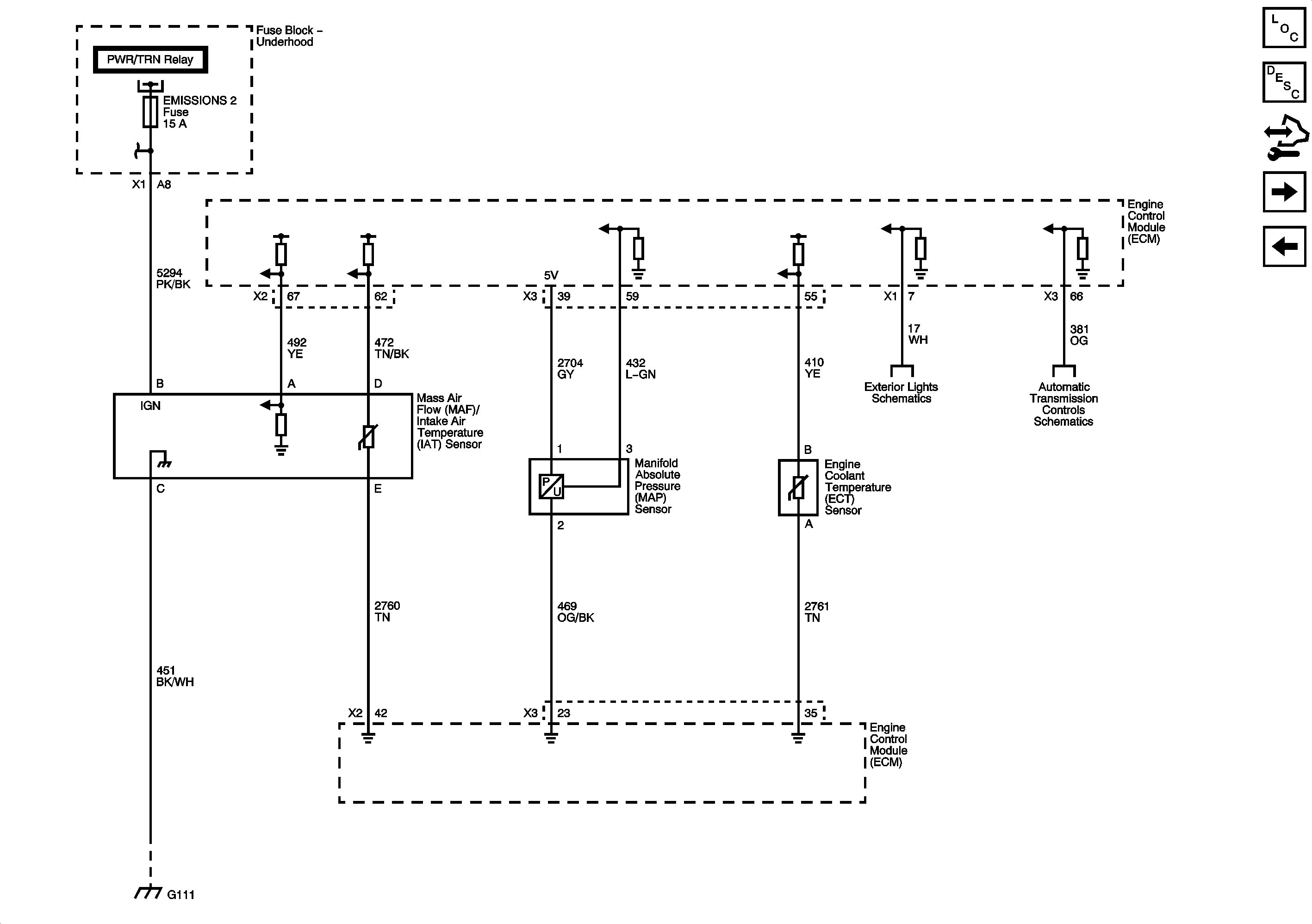
MAP, ECT, and MAF/IAT Sensors
ECM Power, Ground, MIL, and Serial Data
Figure 3:

MAP, ECT, and MAF/IAT Sensors


Object Number: 2080206  Size: FS
Master Electrical Component List
Engine Control Module Description
Control Module References
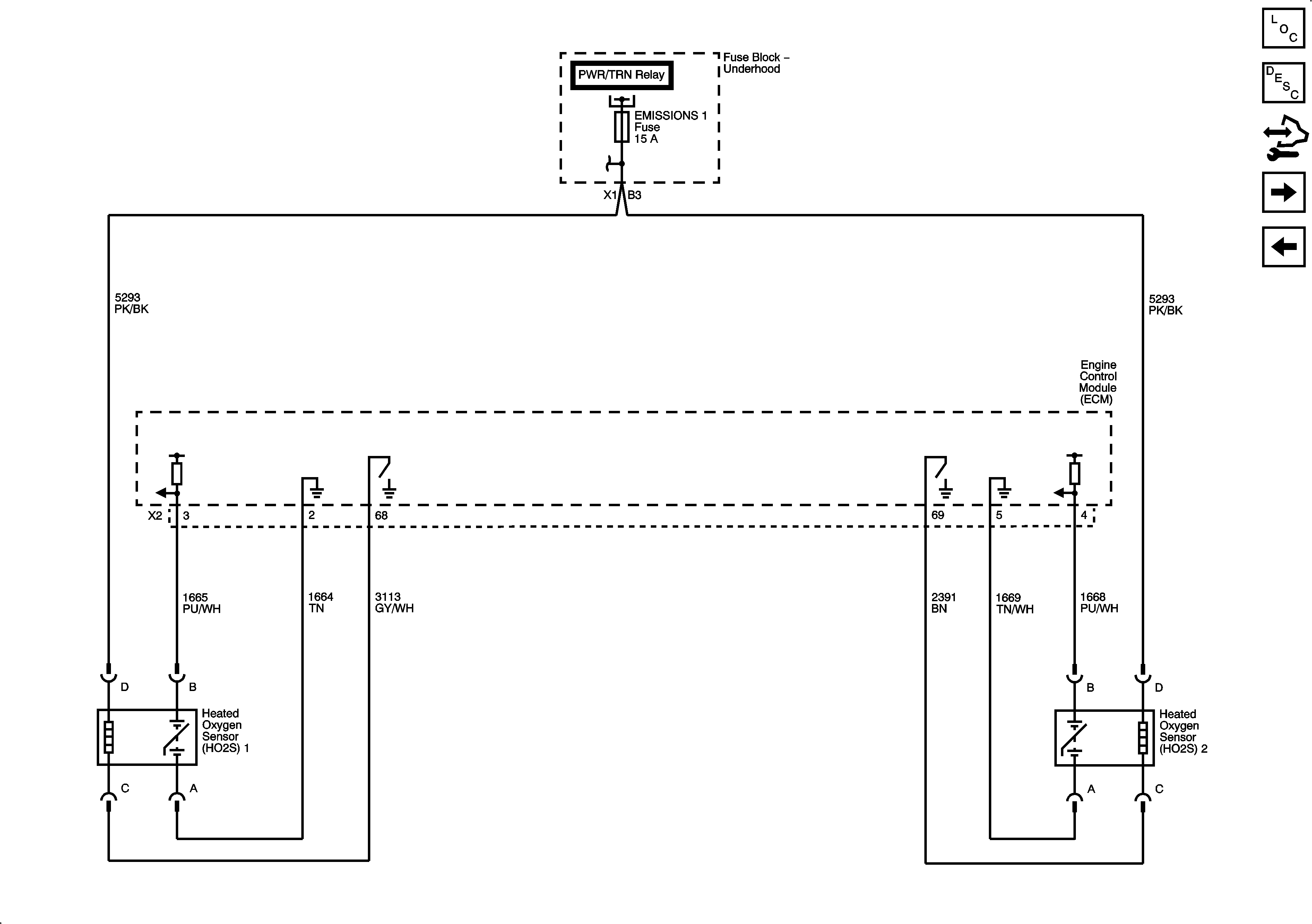
Heated Oxygen Sensors
5-Volt and Low Reference Bussing
ECM Power, Ground, MIL, and Serial Data
EMISSIONS 1, EMISSIONS 2, A/C CMPRSR Fuses, and A/C CMPRSR, FAN 1, FAN 2, and FAN 3 Relays
Turn Signal, Hazard, and Stop Lamps Outputs
VSS, AT ISS Sensors, Pressure Control Solenoid Valve, and TCC Release Switch
G101, G102, and G111
Figure 4:

Heated Oxygen Sensors


Object Number: 2080212  Size: FS
Master Electrical Component List
Engine Control Module Description
Control Module References
Electronic Throttle Controls
MAP, ECT, and MAF/IAT Sensors
ECM Power, Ground, MIL, and Serial Data
EMISSIONS 1, EMISSIONS 2, A/C CMPRSR Fuses, and A/C CMPRSR, FAN 1, FAN 2, and FAN 3 Relays
Figure 5:

Electronic Throttle Controls


Object Number: 2080218  Size: FS
Master Electrical Component List
Throttle Actuator Control (TAC) System Description
Control Module References
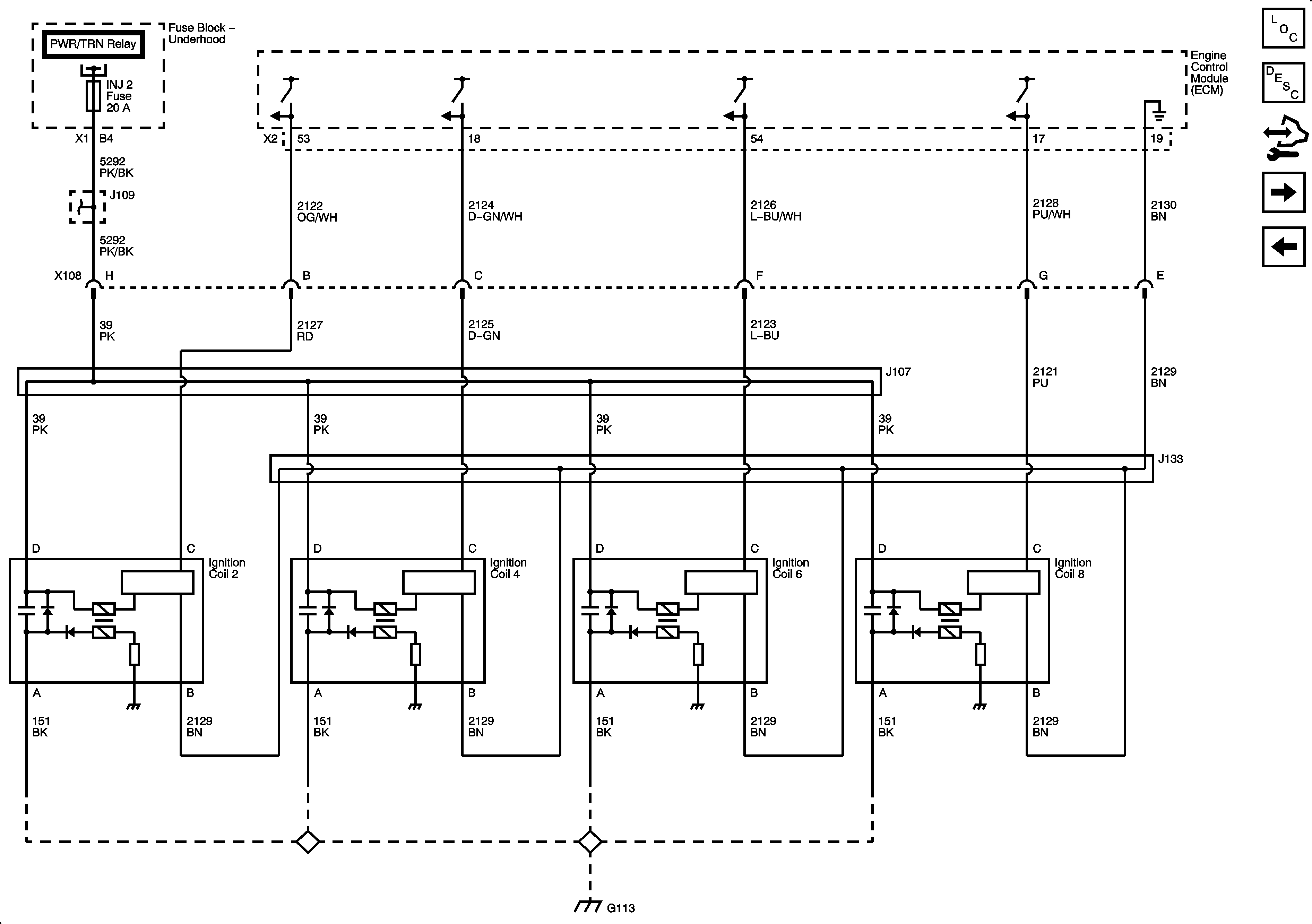
Ignition Controls Bank 1 (Odd) Ignition Coils
Heated Oxygen Sensors
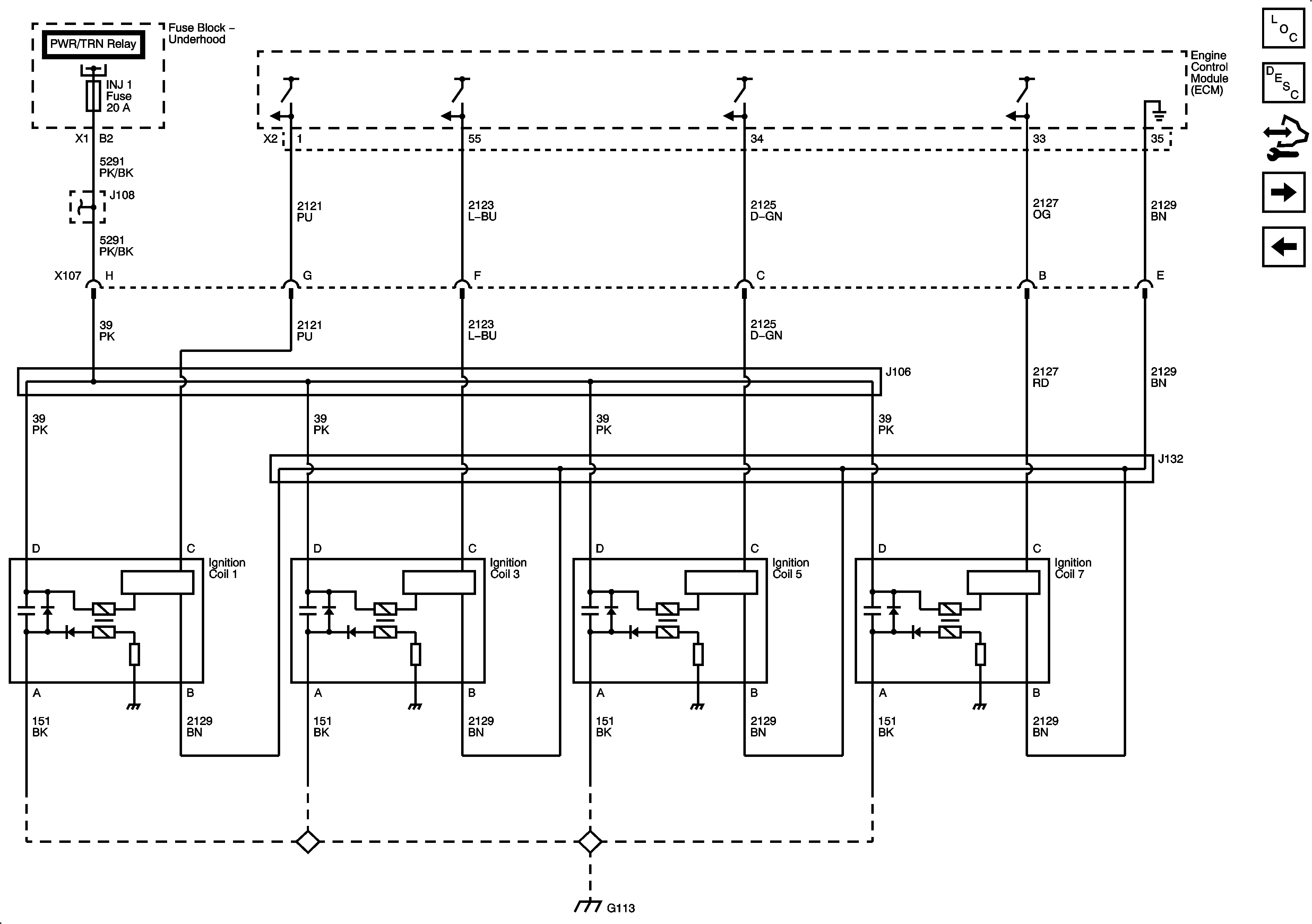
Figure 6:

Ignition Controls Bank 1 (Odd) Ignition Coils


Object Number: 2080225  Size: FS
Master Electrical Component List
Electronic Ignition (EI) System Description
Control Module References
Ignition Controls Bank 2 (Even) Ignition Coils
Electronic Throttle Controls
ECM Power, Ground, MIL, and Serial Data
ETC/ECM, INJ 1, INJ 2 Fuses (LS4)
G113, and G115
Figure 7:

Ignition Controls Bank 2 (Even) Ignition Coils


Object Number: 2080233  Size: FS
Master Electrical Component List
Electronic Ignition (EI) System Description
Control Module References
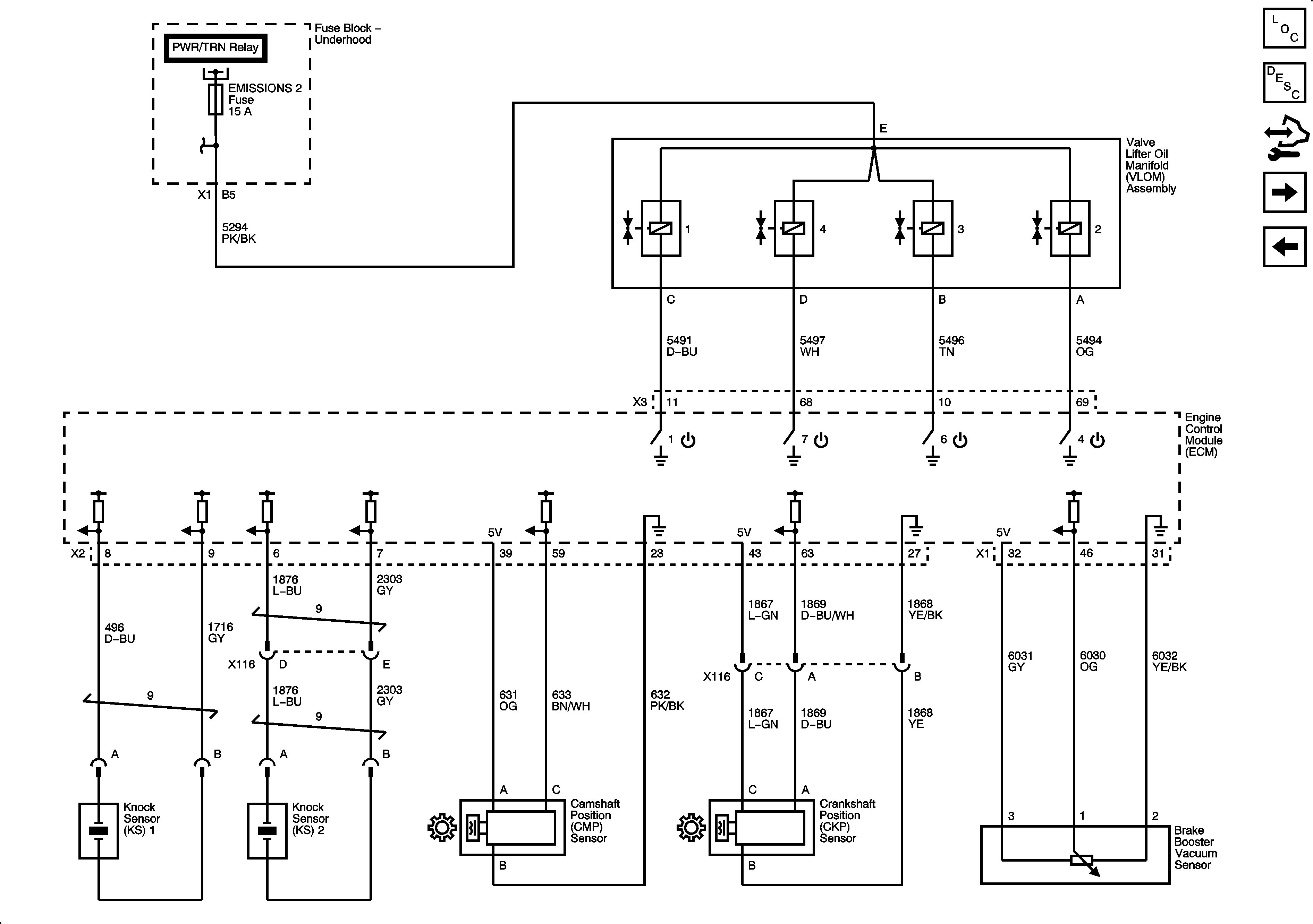
Ignition Controls, Knock, CMP, CKP, Brake Booster Vacuum Sensor, and Valve Lifter Oil Manifold (VLOM) Assembly
Ignition Controls Bank 1 (Odd) Ignition Coils
ECM Power, Ground, MIL, and Serial Data
ETC/ECM, INJ 1, INJ 2 Fuses (LS4)
G113, and G115
Figure 8:

Ignition Controls, Knock, CKP, and CMP Sensors


Object Number: 2080240  Size: FS
Master Electrical Component List
Cylinder Deactivation (Active Fuel Management) System Description
Control Module References
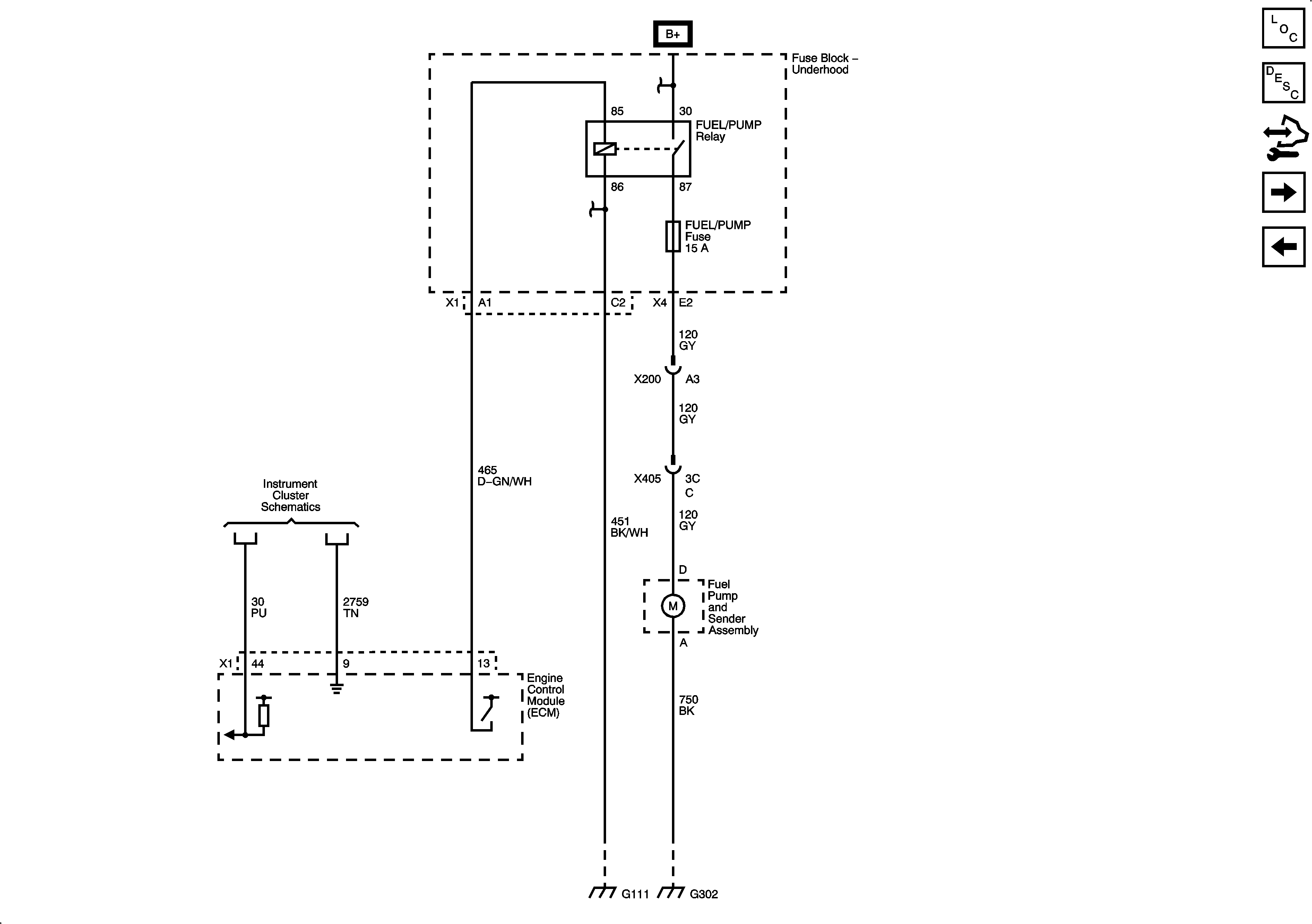
Fuel Pump Controls
Ignition Controls Bank 2 (Even) Ignition Coils
ECM Power, Ground, MIL, and Serial Data
EMISSIONS 1, EMISSIONS 2, A/C CMPRSR Fuses, and A/C CMPRSR, FAN 1, FAN 2, and FAN 3 Relays
Figure 9:

Valve Lifter Oil Manifold (VLOM) Assembly and Brake Booster Vacuum Sensor


Object Number: 2080257  Size: FS
Master Electrical Component List
Fuel System Description
Control Module References
Fuel Injectors
Ignition Controls, Knock, CMP, CKP, Brake Booster Vacuum Sensor, and Valve Lifter Oil Manifold (VLOM) Assembly
Fuse Block - Underhood Bussing
ECM IGN, TRANS, PWR DROP/CRNK, AIRBAG/DISPLAY, STRTR, FUEL/PUMP, and HORN Fuses
Power, Ground, and Gages
G101, G102, and G111
G101, G102, and G111
G302 (2 of 2)
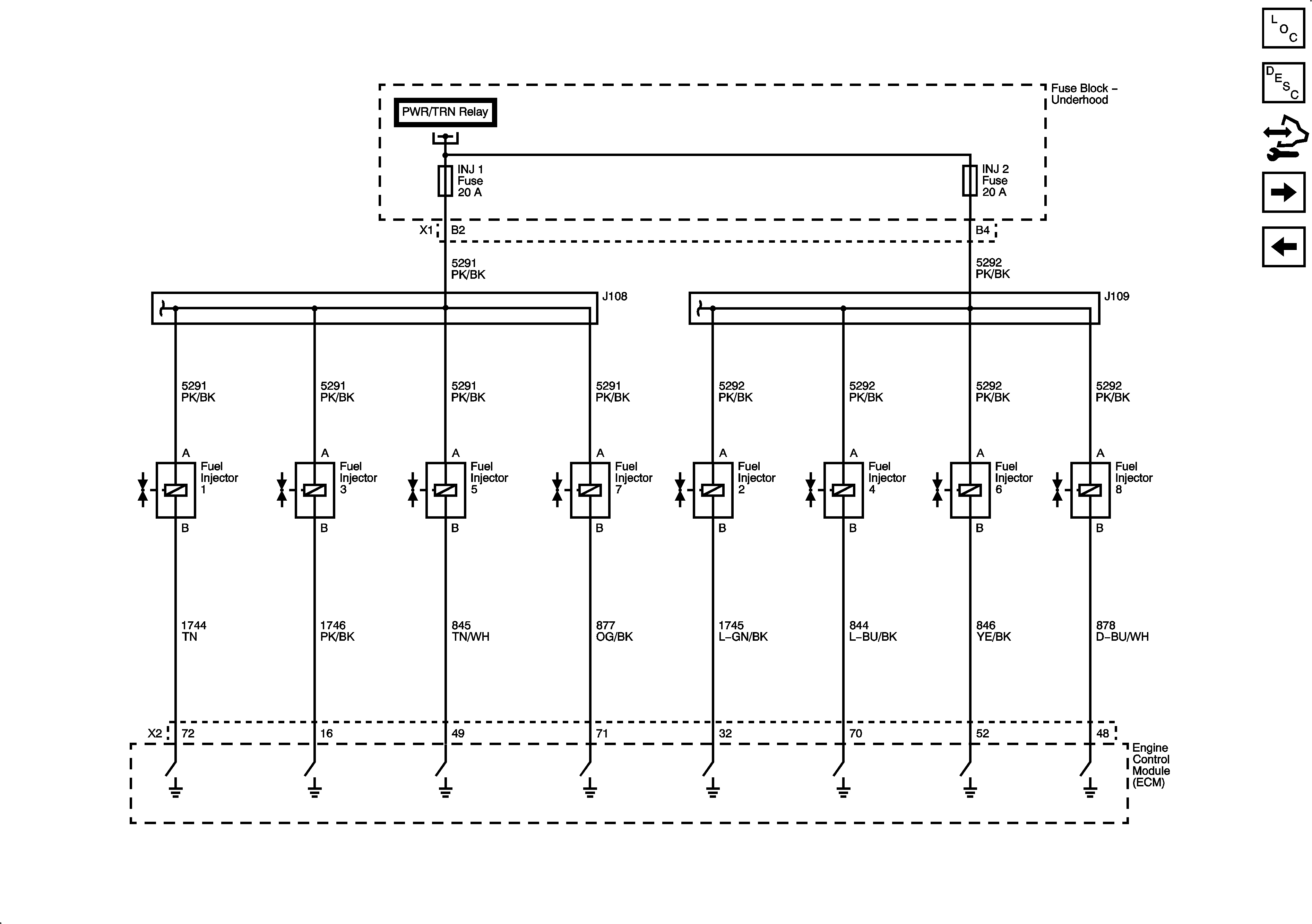
Figure 10:

Fuel Injectors


Object Number: 2080260  Size: FS
Master Electrical Component List
Fuel System Description
Control Module References
EVAP Solenoids, and FTP Sensor
Fuel Pump Controls
ECM Power, Ground, MIL, and Serial Data
ETC/ECM, INJ 1, INJ 2 Fuses (LS4)
ETC/ECM, INJ 1, INJ 2 Fuses (LS4)
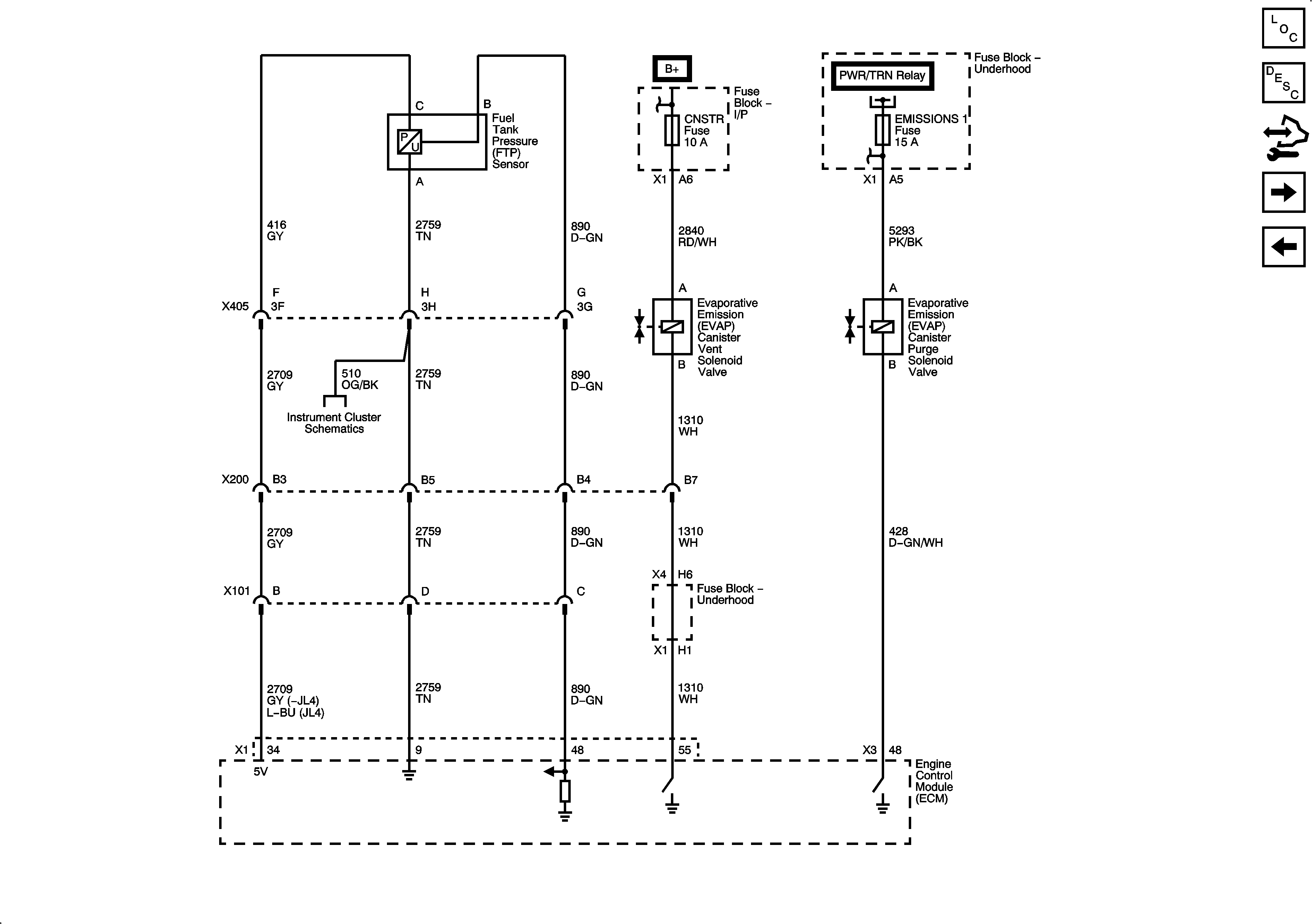
Figure 11:

EVAP Solenoids, FTP Sensor, and Fuel Pump Controls


Object Number: 2080262  Size: FS
Master Electrical Component List
Evaporative Emission Control System Description
Control Module References
Controlled/Monitored Subsystem References
Fuel Injectors
BATT 1, CNSTR, XM, TRUNK, AMP, AUX Fuses, and TRUNK Relay
ECM Power, Ground, MIL, and Serial Data
EMISSIONS 1, EMISSIONS 2, A/C CMPRSR Fuses, and A/C CMPRSR, FAN 1, FAN 2, and FAN 3 Relays
Power, Ground, and Gages
Figure 12:

Controlled/Monitored Subsystem References


Object Number: 2080264  Size: FS
Master Electrical Component List
Engine Control Module Description
Control Module References
EVAP Solenoids, and FTP Sensor
A/C Compressor Controls
Engine Cooling Schematics
Starter
Engine Mechanical Schematics
Indicators
PRNDL, and IMS Switch