GM Service Manual Online
For 1990-2009 cars only
Makes
🢒
Chevrolet
🢒
2000
🢒
Lumina
🢒
Body and Accessories
🢒
Doors
🢒 Door Lock/Indicator Schematics
Figure
1:
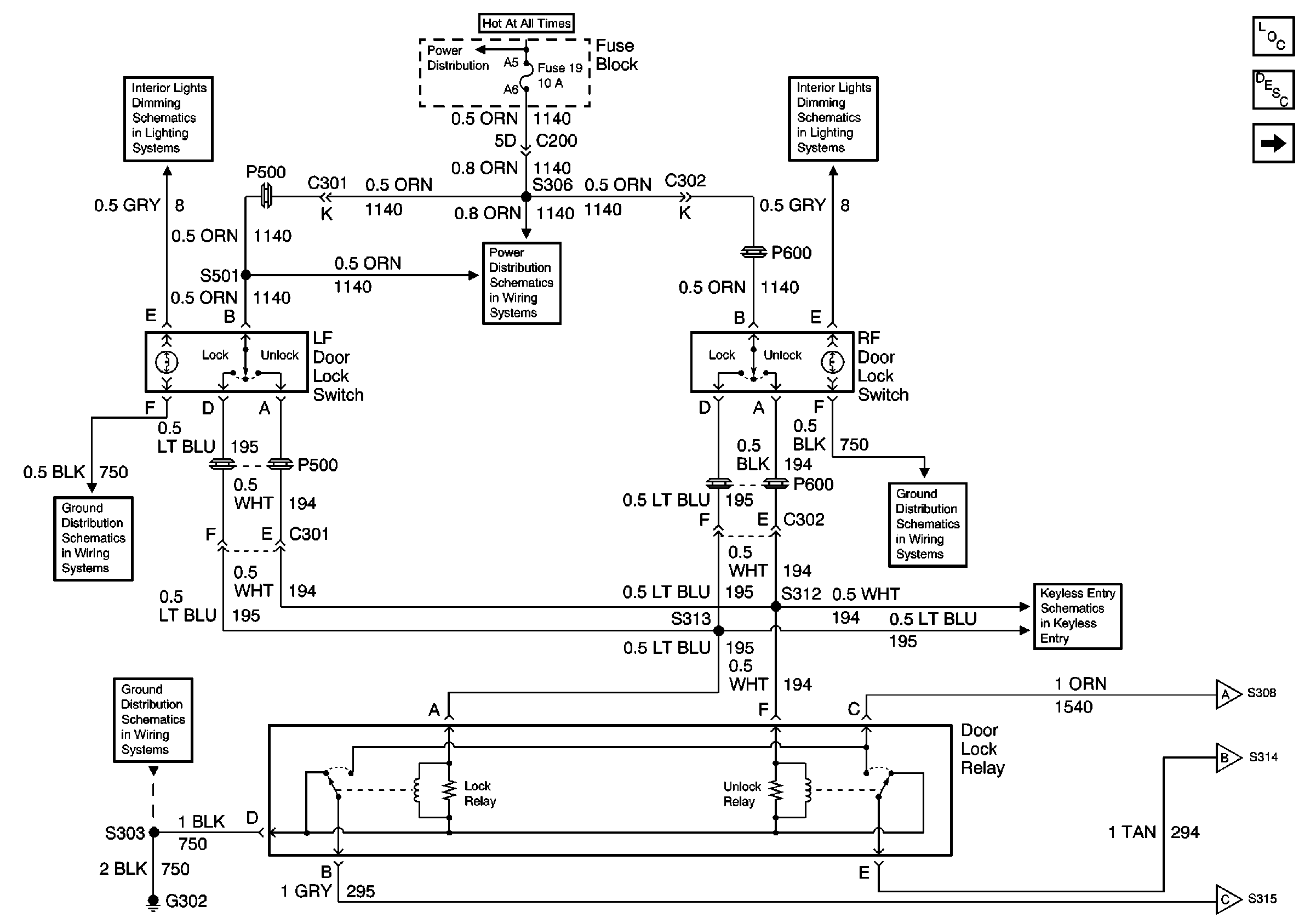
Power/Ground Distribution, Door Lock Switches, and Door Lock Relay
Interior Lights Schematics
Maxifuses 1, 2, 3 and 4, Fuses 1, 5, 10, 14, 19, 23, 28, 32, 37 and41, PCM BAT and R/CMPT Fuses, Circuit Breaker D, and FAN CONT #1 Relay
Interior Lights Schematics
Power Door Systems Components
Power Windows Circuit Description
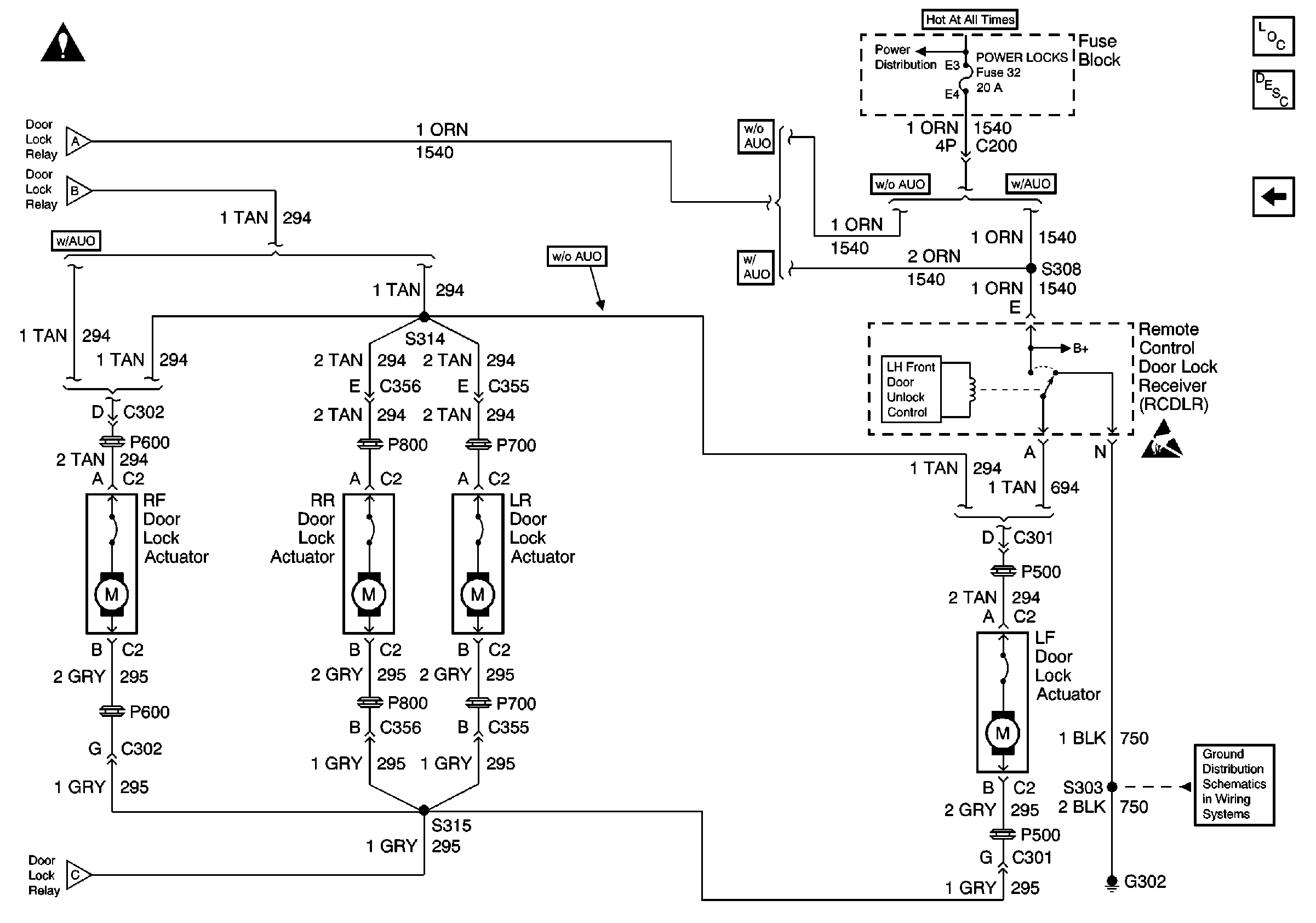
Power Distribution and Door Lock Actuators
Fuses 10 and 19
G302 (1 of 2)
G302 (1 of 2)
G302 (1 of 2)
Door Lock Switches, Door Lock Relay and Door Lock Actuators
Power Distribution and Door Lock Actuators
Power Distribution and Door Lock Actuators
Power Distribution and Door Lock Actuators
Figure
2:
Power Distribution and Door Lock Actuators
Power/Ground Distribution, Door Lock Switches, and Door Lock Relay
Power/Ground Distribution, Door Lock Switches, and Door Lock Relay
Power/Ground Distribution, Door Lock Switches, and Door Lock Relay
Power Door Systems Components
Power Windows Circuit Description
Power/Ground Distribution, Door Lock Switches, and Door Lock Relay
Handling ESD Sensitive Parts Notice
G302 (1 of 2)
Maxifuses 1, 2, 3 and 4, Fuses 1, 5, 10, 14, 19, 23, 28, 32, 37 and41, PCM BAT and R/CMPT Fuses, Circuit Breaker D, and FAN CONT #1 Relay