GM Service Manual Online
For 1990-2009 cars only
Makes
🢒
Chevrolet
🢒
2000
🢒
Lumina
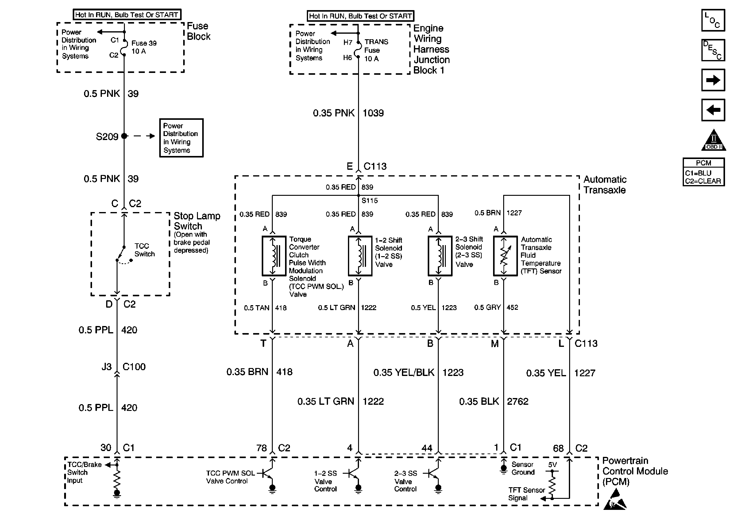
🢒 Automatic Transaxle and Stop Lamp Switch
Automatic Transaxle and Stop Lamp Switch
Automatic Transaxle and Stop Lamp Switch
Fuses 12, 21, 30 and 39
Fuses 12, 21, 30 and 39
TRANS, A/C CONT, AIR PUMP Fuses
Handling ESD Sensitive Parts Notice
Engine Controls Components
Powertrain Control Module Description
Automatic Transaxle Inputs
Park/Neutral Position Switch
OBD II Symbol Description Notice