GM Service Manual Online
For 1990-2009 cars only
Makes
🢒
Chevrolet
🢒
2000
🢒
Lumina
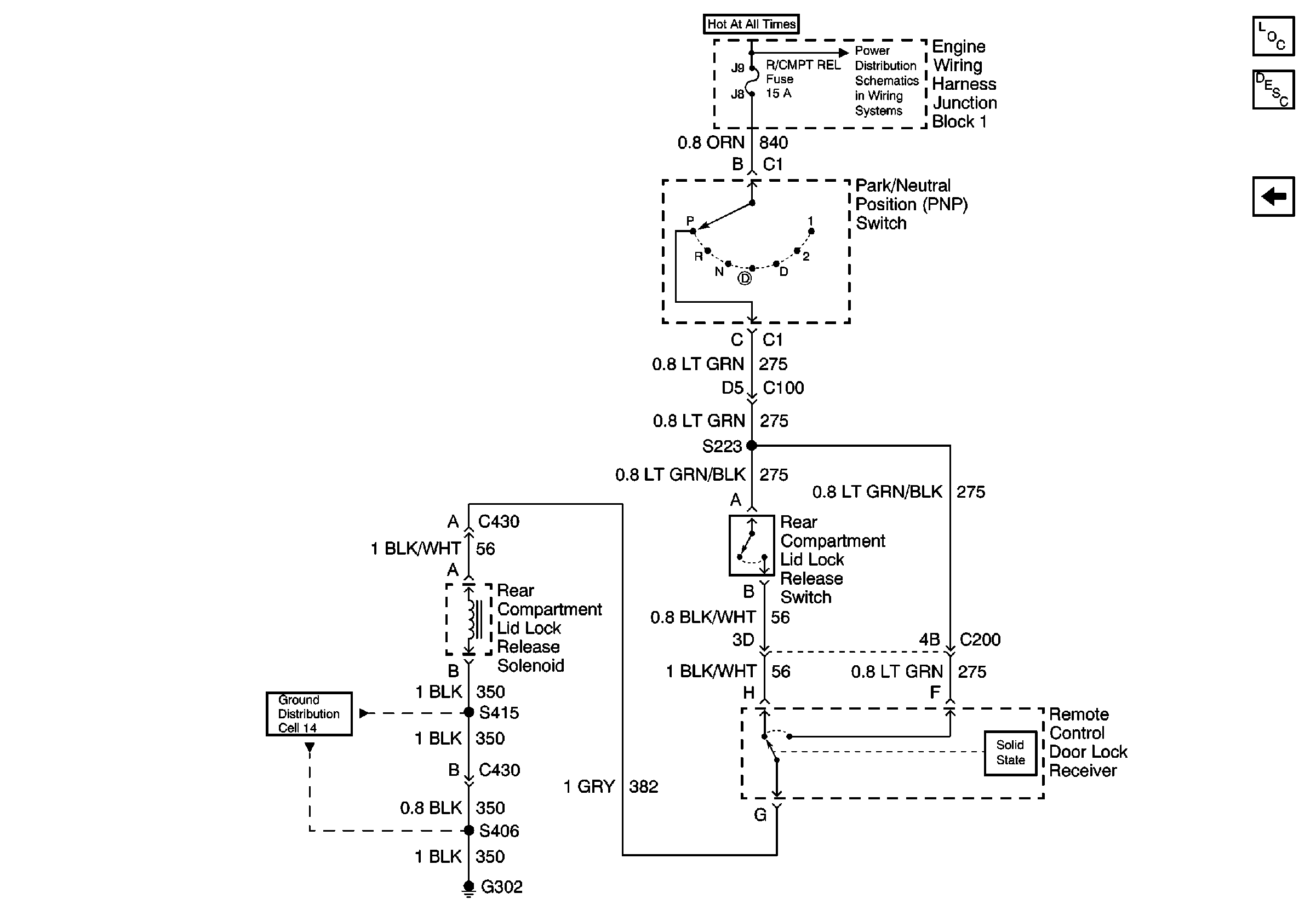
🢒 Rear Compartment Lid Lock Release Switch W/Remote Control Door Lock Reciver
Rear Compartment Lid Lock Release Switch W/Remote Control Door Lock Reciver
Rear Compartment Lid Lock Release Switch W/Remote Control Lock Receiver
Body Rear End Components
Rear Compartment Lid Release Circuit Description
Rear Compartment Lid Release Switch Schematic