GM Service Manual Online
For 1990-2009 cars only

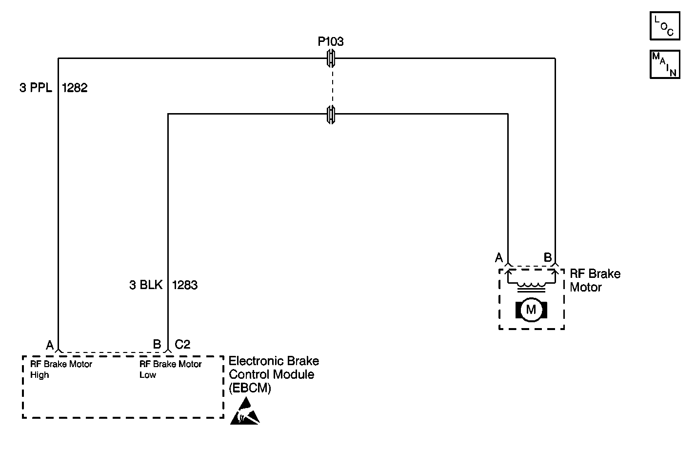
Object Number: 364081  Size: MF
ABS Components
Antilock Brake System Schematics
Handling Electrostatic Discharge Sensitive Parts Notice

Circuit Description

DTC C1245 detects a bound-up ESB, a stuck ABS motor, or a seized brake modulator. When the release is commanded during initialization, the ESB should release the ABS motor, resulting in the sensed current being less than the commanded current (motor spins freely). If the ABS motor is not moving, sensed current will be equal to stall currents.

Conditions for Setting the DTC

DTC C1245 can set during brake motor initialization at the following speeds:

    • 0 km (0 mph) when the brake is off
    • 5 km (3 mph) when the brake is on

DTC C1245 can set during ABS stops

A malfunction exists if the EBCM detects a condition in which the EBCM cannot move the ABS motor in either direction.

Action Taken When the DTC Sets

    • A malfunction DTC stores.
    • The ABS disables.
    • The amber ABS warning indicators turn on.

Conditions for Clearing the DTC

    • The condition responsible for setting the DTC no longer exists and the Scan Tool Clear DTCs function is used.
    • 100 drive cycles pass with no DTCs detected.

Diagnostic Aids

The following conditions may cause an intermittent malfunction if the conditions exist in a mechanical part of the system:

    • Sticking
    • Binding
    • Slipping

Use the enhanced diagnostic function of the Scan Tool in order to measure the frequency of the malfunction. Refer to the Scan Tool manual for the procedure. DTC C1245 may set after modulator disassembly if the modulator pistons are positioned at the bottom of the modulator piston bore.

Thoroughly inspect any circuitry that may be causing the intermittent complaint for the following conditions:

    • Backed out terminals
    • Improper mating
    • Improperly formed or damaged terminals
    • Poor terminal-to-wiring connections
    • Physical damage to the wiring harness

Clear the DTCs after completing the diagnosis. Test drive the vehicle for three drive cycles in order to verify that the DTC does not reset. Use the following procedure in order to complete one drive cycle:

  1. Start the vehicle.
  2. Drive the vehicle over 16 km/h (10 mph).
  3. Stop the vehicle.
  4. Turn the ignition to the OFF position.

Important: Zero the J 39200 test leads before making any resistance measurements.

Step

Action

Value(s)

Yes

No

1

Was the Diagnostic System Check performed?

--

Go to Step 2

Go to Diagnostic System Check - ABS

2

Inspect the following connectors for the correct wire color/connector cavity combinations:

    • The 6-way ABS brake motor pack connector
    • The 8-way EBCM connector C2

Are the correct wires located in the correct connector cavities?

--

Go to Step 3

Go to Step 11

3

  1. Turn the ignition switch to the ON position.
  2. Do not start the engine.

  3. Pump the brake pedal until it is firm in order to deplete the brake booster vacuum reservoir.
  4. Install a scan tool.
  5. Select Special Functions on the scan tool.
  6. Select the Manual Control function on the scan tool.
  7. Select the ABS Motor Apply function of the right front ABS channel on the scan tool.
  8. Use the scan tool to apply the right front ABS motor.
  9. Wait for five seconds.
  10. Apply firm pressure to the brake pedal.
  11. Select the right front ABS Motor Release function on the scan tool.
  12. Use the scan tool in order to release the right front ABS motor.

Does the brake pedal fall?

--

Go to Step 4

Go to Step 5

4

  1. Continue to apply firm pressure on the brake pedal.
  2. Select the right front ABS Motor Release function on the scan tool.
  3. Use the scan tool in order to apply the right front ABS motor.

Does the brake pedal rise?

--

Go to Step 17

Go to Step 5

5

  1. Remove the firm pressure from the brake pedal.
  2. Select the right front ABS Motor Release function on the scan tool.
  3. Use the scan tool in order to apply the right front ABS motor.
  4. Carefully observe the following currents:

    • The right front ABS motor commanded current
    • The right front ABS motor feedback current.

Is the right front ABS motor feedback current less than or equal to the specified current?

8 A

Go to Step 6

Go to Step 10

6

  1. Exit the Manual Control function on the scan tool.
  2. Turn the ignition switch to the OFF position.
  3. Disconnect the 6-way ABS brake motor pack connector.
  4. Disconnect the 8-way EBCM connector C2
  5. Use the J 39200 in order to measure the resistance between the 8-way EBCM connector C2 terminal A and the 8-way EBCM connector C2 terminal B.

Is the resistance within the specified range?

OL (Infinite)

Go to Step 7

Go to Step 12

7

Use the J 39200 in order to measure the resistance between the ABS brake motor pack connector terminal A and the ABS brake motor pack connector terminal B.

Is the resistance measured within the specified resistance?

0.2 - 1.5  ohms

Go to Step 8

Go to Step 13

8

    • Inspect the following connectors:
      • The 6-way ABS motor pack connector
      • The 8-way EBCM connector C2
    • Inspect the connectors for the following conditions:
        1. Poor terminal contact
        2. Corrosion

Do any of the terminals exhibit poor terminal contact or corrosion?

--

Go to Step 15

Go to Step 9

9

  1. Turn the ignition switch to the OFF position.
  2. Reconnect the 8-way EBCM connector C2.
  3. Reconnect the ABS motor pack connector.
  4. Start the engine. Do not depress the brake pedal.
  5. Allow the engine to run for at least ten seconds.
  6. Repeat the above ignition cycle sequence two more times.
  7. Use the scan tool in order to inspect for DTCs.

Does DTC C1245 set during the last three ignition cycles?

--

Go to Step 16

Go to Step 17

10

  1. Select Special Functions on the scan tool.
  2. Use the scan tool in order to perform the Gear Tension Relief function.
  3. Turn the ignition switch to the OFF position.
  4. Remove the brake modulator/master cylinder assembly from the vehicle. Refer to Brake Modulator/Master Cylinder Assembly Replacement .
  5. Separate the ABS brake motor pack from the brake modulator. Refer to ABS Motor Pack Replacement .
  6. Grasp the right front brake modulator gear and attempt to rotate the gear.
  7. (The ABS brake modulator right front gear is the gear that is closest to the rear when the ABS brake modulator is mounted in the vehicle.)

Is it possible to rotate the right front brake modulator gear at least 7 full revolutions from lock to lock?

--

Go to Step 13

Go to Step 14

11

Place the wires into the correct connector cavities.

Refer to Antilock Brake System Connector End Views .

Is the repair complete?

--

Go to Diagnostic System Check - ABS

--

12

Repair the short between CKT 1282 and CKT 1283.

Is the repair complete?

--

Go to Diagnostic System Check - ABS

--

13

Replace the ABS motor pack. Refer to ABS Motor Pack Replacement .

Is the repair complete?

--

Go to Diagnostic System Check - ABS

--

14

Replace the brake modulator. Refer to Brake Modulator Replacement .

Is the repair complete?

--

Go to Diagnostic System Check - ABS

--

15

Replace the terminals that exhibit signs of poor terminal contact or corrosion.

Is the repair complete?

--

Go to Diagnostic System Check - ABS

--

16

Replace the EBCM. Refer to Electronic Brake Control Module Replacement .

Is the repair complete?

--

Go to Diagnostic System Check - ABS

--

17

Is the malfunction intermittent or is not present at this time?

--

Go to Diagnostic Aids

--