DTC 1256 identifies an ABS motor that cannot energize due to an open in the ABS motor circuitry. The malfunction will not allow proper front ABS operation.
DTC C1256 can only set when the motor is commanded off.
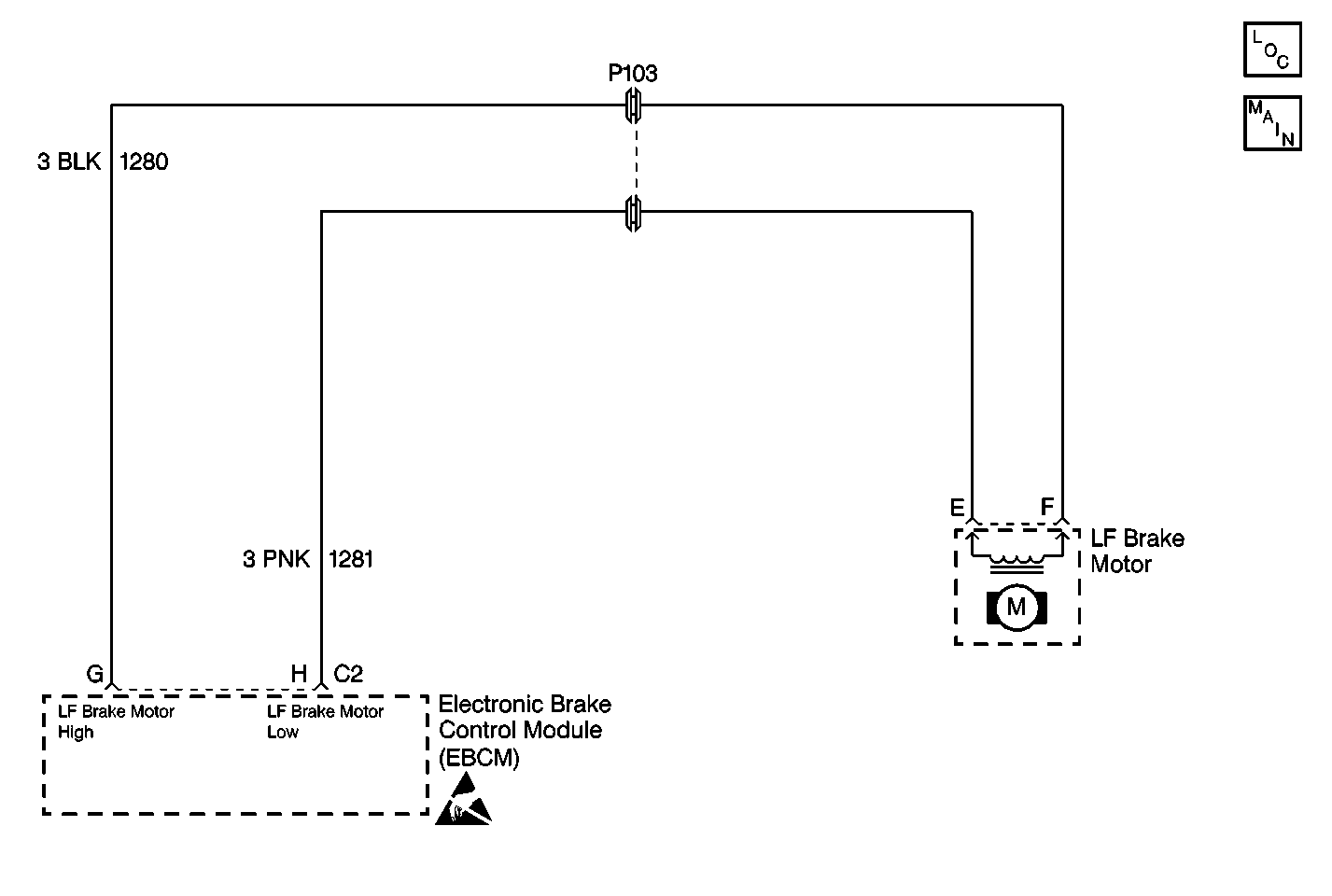
A malfunction exists if the EBCM detects an out of range voltage on either of the left front ABS motor circuits. The out of range voltage on either circuit indicates an open circuit exists.
| • | An open ABS motor will not activate. |
| • | A malfunction DTC stores. |
| • | The ABS disables. |
| • | The amber ABS warning indicators turn on. |
| • | The condition responsible for setting the DTC no longer exists and the Scan Tool Clear DTCs function is used. |
| • | 100 drive cycles pass with no DTCs detected. |
Use the Scan Tool Manual Control function in order to exercise ABS motor movement of affected channel in both directions while applying light pressure on the brake pedal.
An intermittent malfunction may be indicated if erratic or jumpy brake pedal movement is detected while performing an apply or release function of the ABS monitor.
The following conditions may cause an intermittent malfunction:
| • | A poor connection |
| • | Rubbed-through wire insulation |
| • | A broken wire inside the insulation |
If the malfunction is not current, use the following procedure to pinpoint an intermittent malfunction in the motor circuitry or connections:
Use the enhanced diagnostic function of the Scan Tool in order to measure the frequency of the malfunction. Refer to the Scan Tool manual or Scan Tool Diagnostics located in this section for the procedure.
Thoroughly inspect any circuitry that may be causing the intermittent complaint for the following conditions:
| • | Backed out terminals |
| • | Improper mating |
| • | Improperly formed or damaged terminals |
| • | Poor terminal-to-wiring connections |
| • | Physical damage to the wiring harness |
Clear the DTCs after completing the diagnosis. Test drive the vehicle for three drive cycles in order to verify that the DTC does not reset. Use the following procedure in order to complete one drive cycle:
Important: Zero the J 39200 test leads before making any resistance measurements.
Step | Action | Value(s) | Yes | No | ||||||||||||
|---|---|---|---|---|---|---|---|---|---|---|---|---|---|---|---|---|
1 | Was the Diagnostic System Check performed? | -- | ||||||||||||||
2 | Install a Scan Tool. Does DTC C1256 occur intermittently? | -- | Go to Diagnostic Aids | |||||||||||||
3 |
Is the resistance within the specified range? | 0.2-1.5 ohms | ||||||||||||||
4 |
Is the resistance within the specified range? | 0-2 ohms | ||||||||||||||
5 | Use the J 39200 in order to measure the resistance between the 6-way ABS brake motor pack harness connector terminal E and the 8-way EBCM harness connector C2 terminal H. Is the resistance within the specified range? | 0-2 ohms | ||||||||||||||
6 |
Is there evidence of poor terminal contact and corrosion? | -- | ||||||||||||||
7 |
Be sure to obtain a speed of at least 16 km/h (10 mph). Does DTC C1256 set as a current DTC during the last three drive cycles? | -- | ||||||||||||||
8 | Replace the ABS brake motor pack. Refer to ABS Motor Pack Replacement . Is the repair complete? | -- | -- | |||||||||||||
9 | Repair the open or high resistance in CKT 1280. Is the repair complete? | -- | -- | |||||||||||||
10 | Repair the open or high resistance in CKT 1281. Is the repair complete? | -- | -- | |||||||||||||
11 | Replace all of the terminals or the connectors that exhibit signs of poor terminal contact, corrosion, or damaged terminals. Is the repair complete? | -- | -- | |||||||||||||
12 | Replace the EBCM. Refer to Electronic Brake Control Module Replacement . Is the repair complete? | -- | -- | |||||||||||||
13 | Is the malfunction intermittent or is not present at this time? | -- | Go to Diagnostic Aids | -- |