GM Service Manual Online
For 1990-2009 cars only
Makes
🢒
Chevrolet
🢒
1999
🢒
Malibu
🢒 Cooling Fan Controls
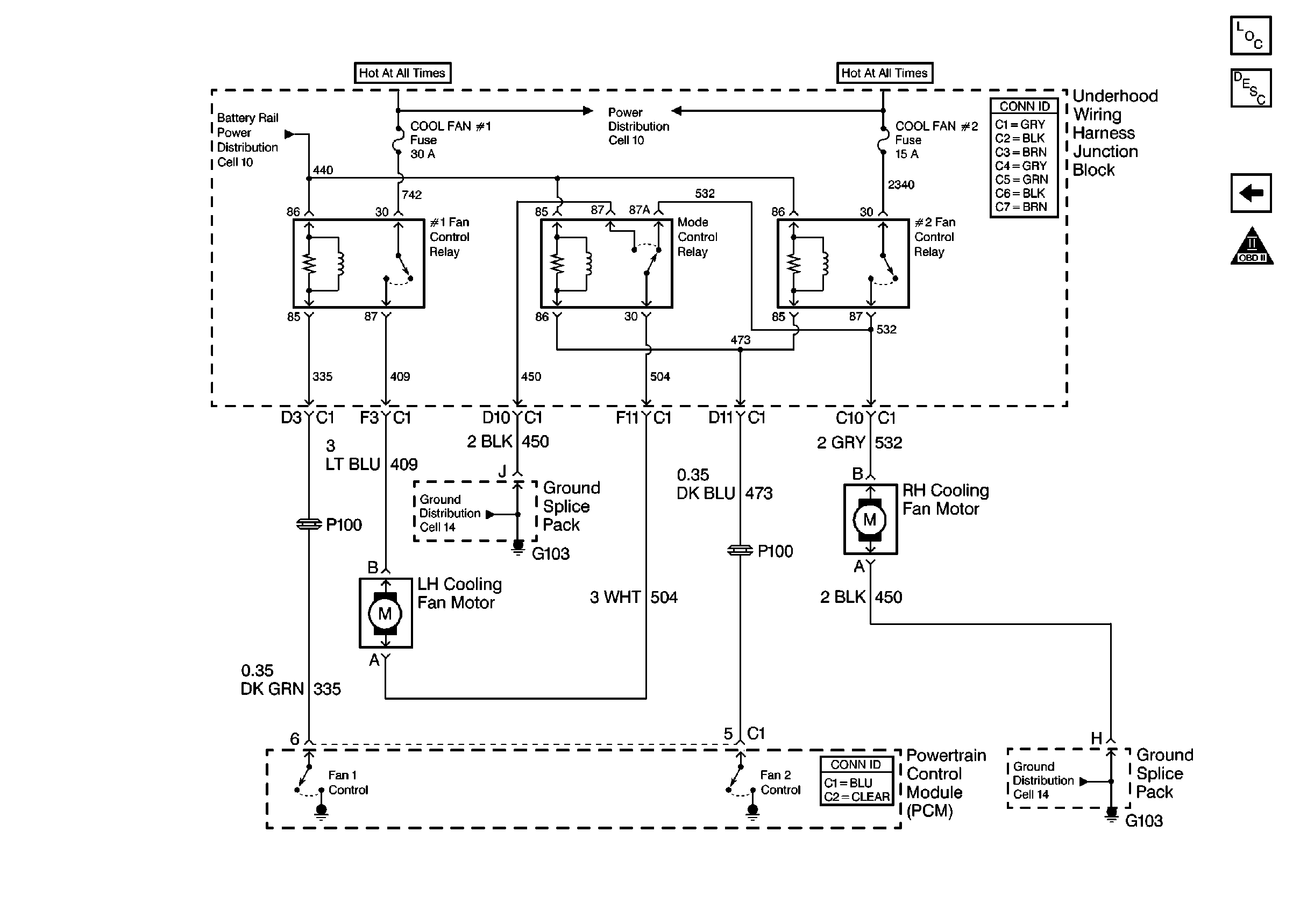
Cooling Fan Controls
Cooling Fan Controls
Engine Controls Components
Information Sensors/Switches Description
Cell 21: A/C Controls
OBDII Symbol Description Notice