GM Service Manual Online
For 1990-2009 cars only
Makes
🢒
Chevrolet
🢒
1999
🢒
Malibu
🢒 Cell 23: IAC Valve, Generator, TR and Oil Switches
Cell 23: IAC Valve, Generator, TR and Oil Switches
Cell 23: IAC Valve, Generator, TR and Oil Switches
Engine Controls Component Views
Powertrain Control Module Description
Cell 23: Oxygen Sensors
OBDII Symbol Description Notice
Power and Grounding Connector End Views
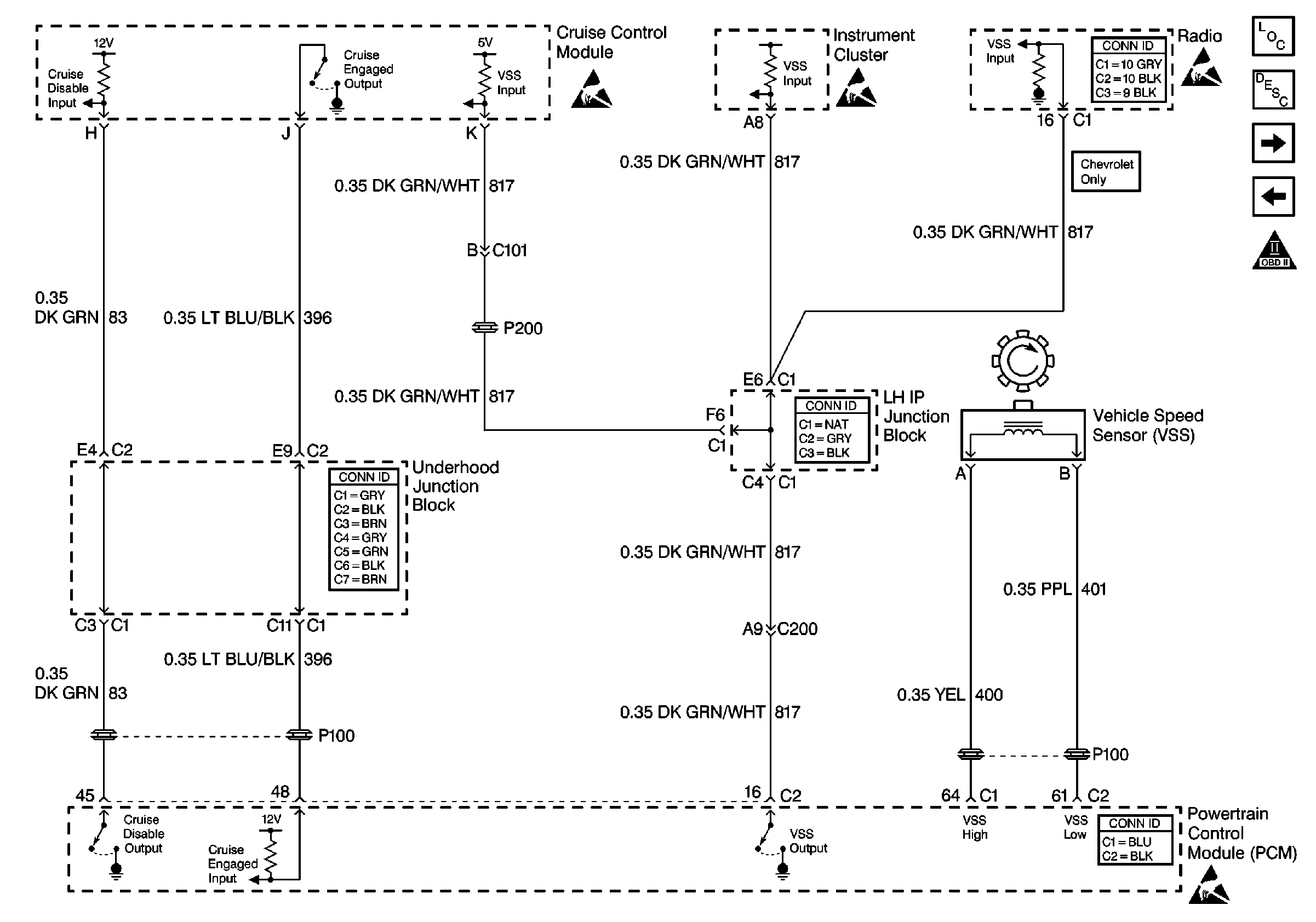
Cell 23: VSS and Cruise Control
Handling ESD Sensitive Parts Notice
Handling ESD Sensitive Parts Notice
Handling ESD Sensitive Parts Notice
Handling ESD Sensitive Parts Notice