GM Service Manual Online
For 1990-2009 cars only

Driver or Passenger Seat Head Restraint Replacement Headrest

Removal Procedure


    Object Number: 280420  Size: SH
  1. Raise the head rest (1) to the highest position.
  2. Insert a small rounded tool (allen wrench) into the hole on the back side of the guide (2).
  3. Release the tabs.
  4. Pull upward in order to remove the head rest (1).

Installation Procedure


    Object Number: 280420  Size: SH
  1. Install the head rest (1) to the seat back (4).
  2. Raise the head rest (1) in order to ensure that the head rest stops at the indent.
  3. Return the head rest to the original position.

Driver or Passenger Seat Head Restraint Replacement Headrest Guide

Removal Procedure

  1. Remove the head rest. Refer to Front Seat Head Restraint Replacement .
  2. Unhook the front seat back trim cover J-retainer.
  3. Roll the seat back cover up in order to gain access to the upper portion of the back side of the seat back pad.

  4. Object Number: 280426  Size: SH
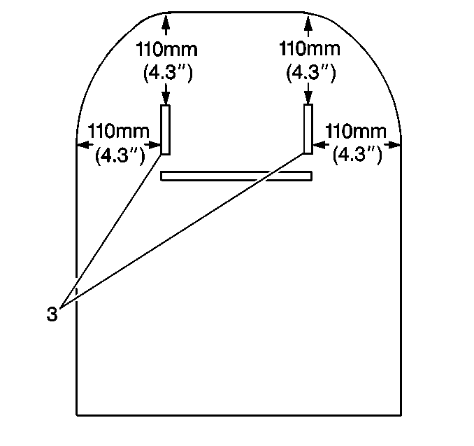
  5. Use a utility knife in order to cut a slit in the foam pad on the back side of the seat back. This action will provide access to the head rest guide. Ensure that the access slit meets the following specifications:
  6. • The access slit (3) is started 110 mm (4.3 in) from the upper edge of the seat back.
    • The access slit (3) is 110 mm (4.3 in) from the outboard edge of the seat back.
    • The slit extends downward approximately 76 mm (3 in).
  7. Grasp the top end of the guide with one hand. Pinch the bottom ends of the guide together. Pull upward in order to remove the guide.

Installation Procedure

  1. Install the trim cover to the seat back pad.

  2. Object Number: 280420  Size: SH
  3. Install the guide to the seat back (1).
  4. Install the head rest. Refer to Front Seat Head Restraint Replacement .
  5. Install the hook front seat back trim cover J-retainer.