GM Service Manual Online
For 1990-2009 cars only
Makes
🢒
Chevrolet
🢒
2000
🢒
Malibu
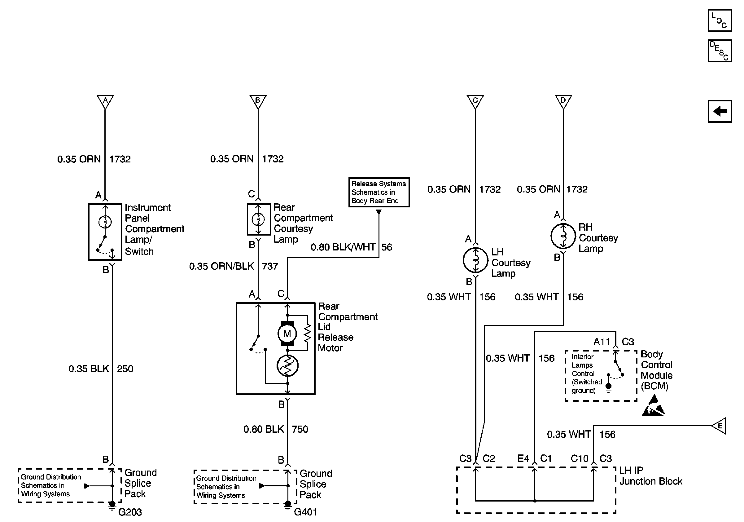
🢒 Courtesy and Instrument Panel Compartment Lamps
Courtesy and Instrument Panel Compartment Lamps
Courtesy and Instrument Panel Compartment Lamps
Lighting Systems Components
Interior Lights Circuit Description
Dome, Reading and Vanity Mirror Lamps
Ground Distribution Schematics
Ground Distribution Schematics
Release Systems Schematics
Dome, Reading and Vanity Mirror Lamps
Dome, Reading and Vanity Mirror Lamps
Dome, Reading and Vanity Mirror Lamps
Dome, Reading and Vanity Mirror Lamps
Dome, Reading and Vanity Mirror Lamps