GM Service Manual Online
For 1990-2009 cars only
Makes
🢒
Chevrolet
🢒
2000
🢒
Malibu
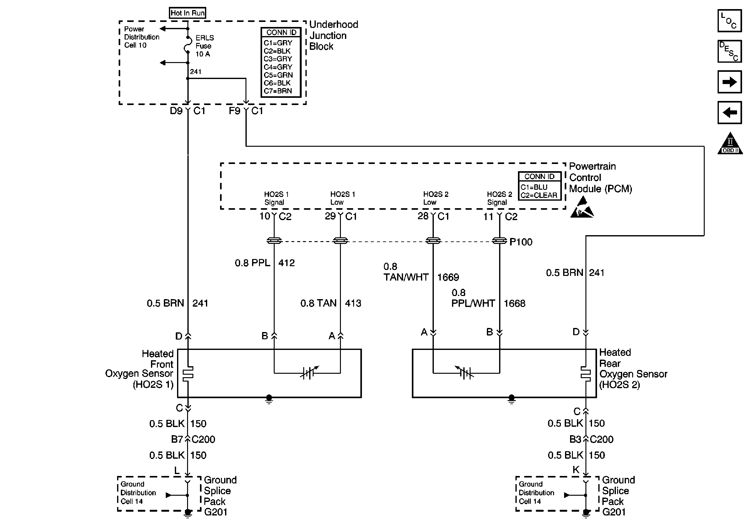
🢒 Power, Ground, HO2S 1, and HO2S 2
Power, Ground, HO2S 1, and HO2S 2
Power, Ground, HO2S 1, and HO2S 2
Engine Controls Components
Powertrain Control Module Description
Power and Injectors
Power, Ground, MAF, EVAP and EGR
OBD II Symbol Description Notice
Handling ESD Sensitive Parts Notice
Power Distribution Schematics
Ground Distribution Schematics
Ground Distribution Schematics