GM Service Manual Online
For 1990-2009 cars only
Makes
🢒
Chevrolet
🢒
2000
🢒
Malibu
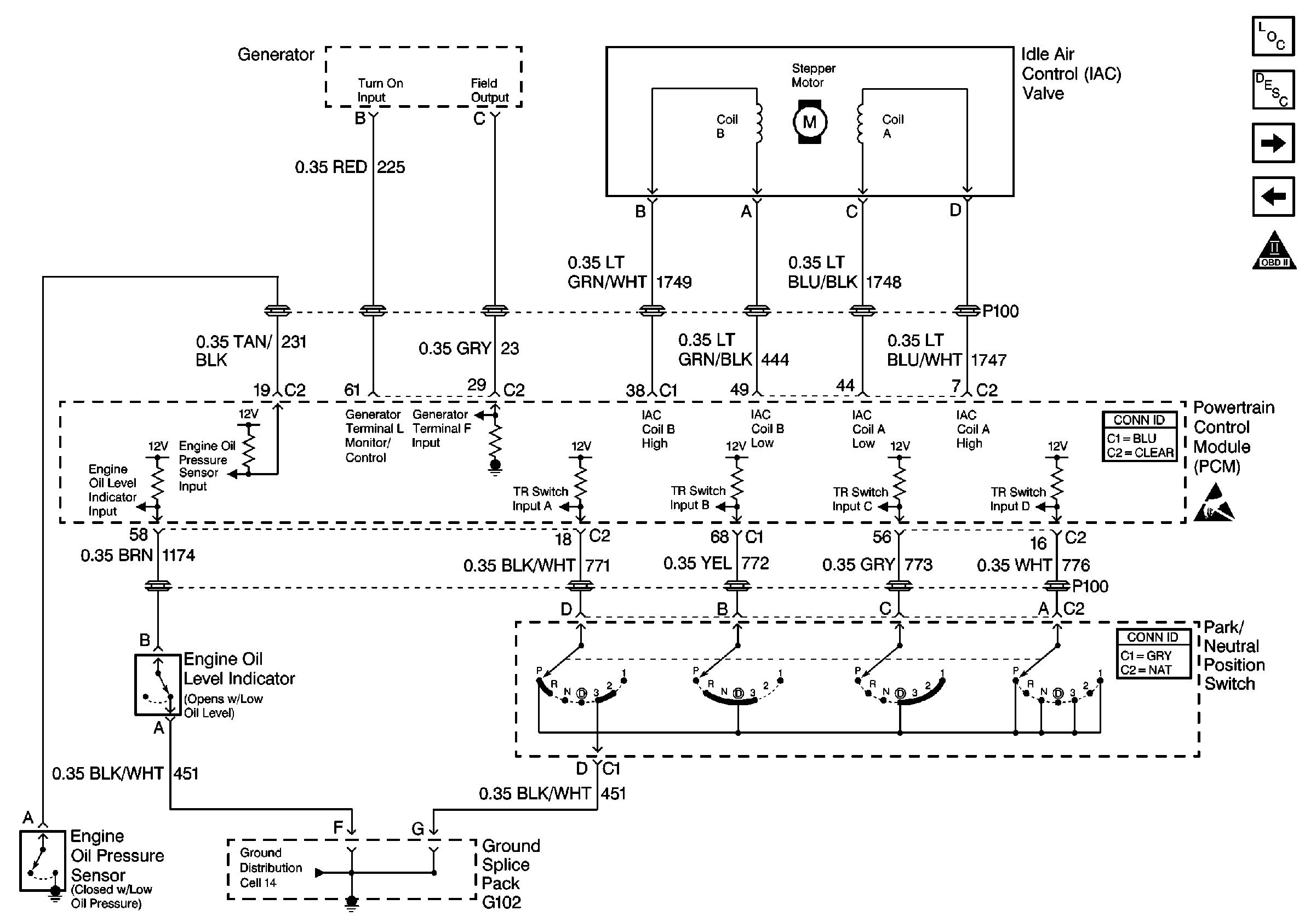
🢒 Oil Indicators, PNP and IAC
Oil Indicators, PNP and IAC
Oil Indicators, PNP and IAC
Engine Controls Components
Information Sensors/Switches Description
Engine Data Sensors
Power, Ground, CMP, CKP, KS and ICM
OBD II Symbol Description Notice
Handling ESD Sensitive Parts Notice
Ground Distribution Schematics