GM Service Manual Online
For 1990-2009 cars only
Makes
🢒
Chevrolet
🢒
2000
🢒
Malibu
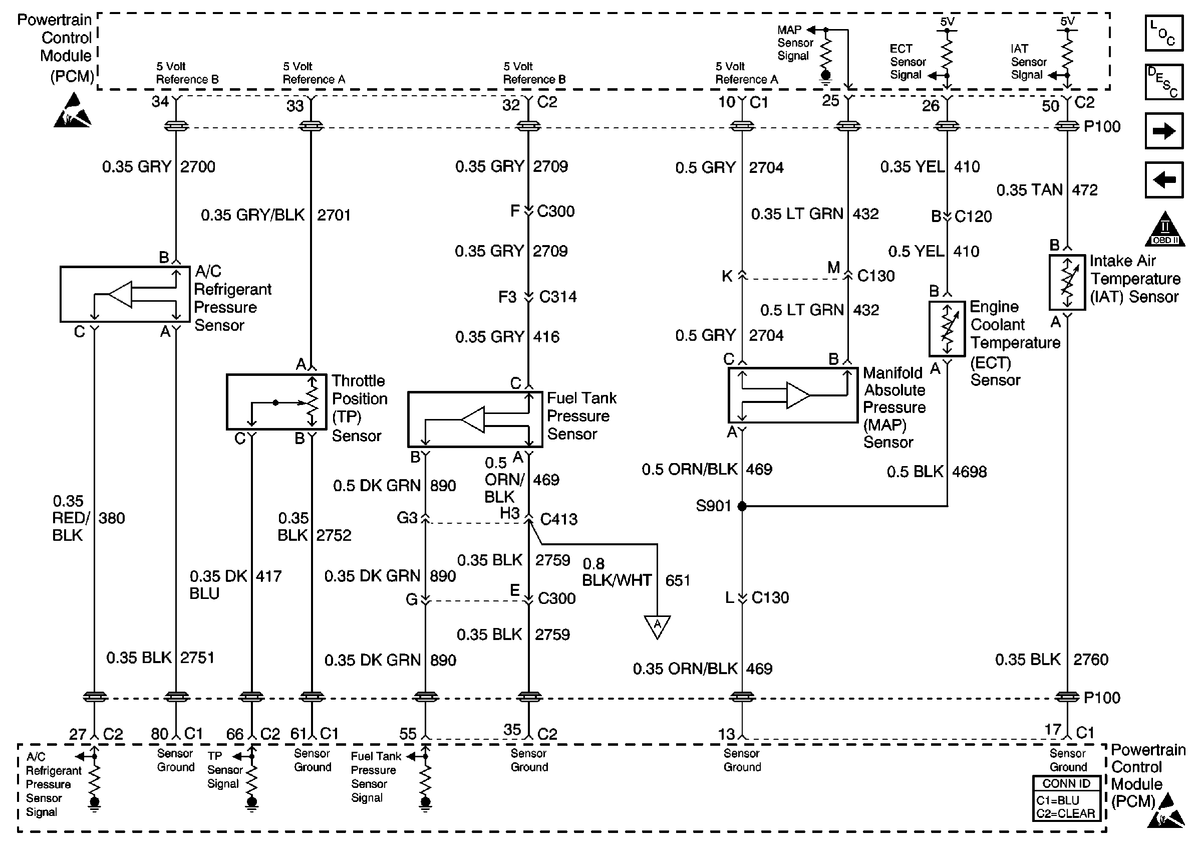
🢒 Engine Data Sensors
Engine Data Sensors
Engine Data Sensors
Engine Controls Components
Information Sensors/Switches Description
Power, Ground, AIR and A/C Compressor Clutch
Oil Indicators, PNP and IAC
OBD II Symbol Description Notice
Handling ESD Sensitive Parts Notice
Handling ESD Sensitive Parts Notice
Power, Ground and Fuel Systems