GM Service Manual Online
For 1990-2009 cars only

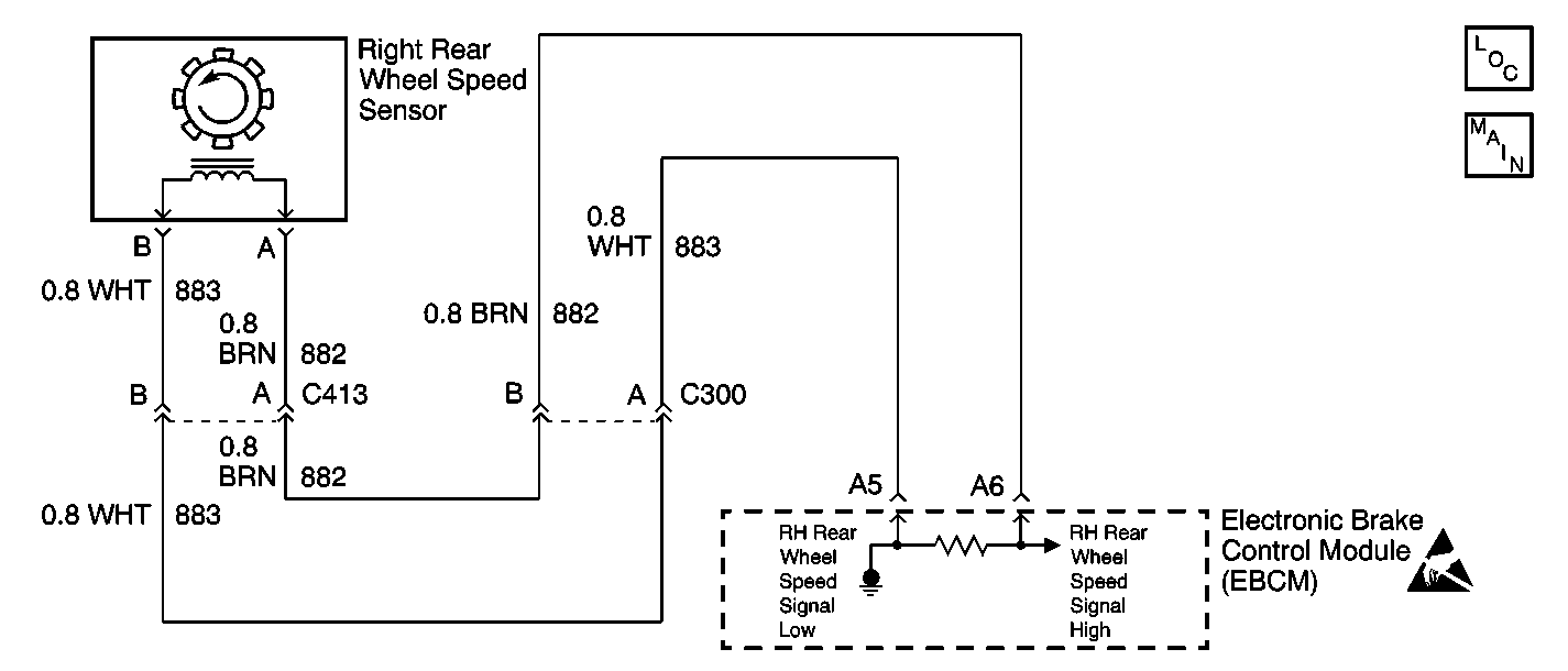
Object Number: 561446  Size: SF
ABS Components
Antilock Brake System Schematics
Handling ESD Sensitive Parts Notice

Circuit Description

As a toothed ring passes by the wheel speed sensor, changes in the electromagnetic field cause the wheel speed sensor to produce an AC voltage signal. The EBCM uses the frequency of the AC signal to calculate the wheel speed.

Conditions for Running the DTC

The ignition is ON.

Conditions for Setting the DTC

A malfunction exists if either of the wheel speed sensor circuits or the wheel speed sensor are open or shorted to voltage or ground.

Action Taken When the DTC Sets

    • The EBCM stores a malfunction DTC.
    • The EBCM disables the ABS.
    • The DRP does not function optimally unless DTC C1223, C1227, C1234, or C1265 is also set, then the DRP is disabled.
    • The ABS warning indicator turns ON.

Conditions for Clearing the DTC

    • The condition responsible for setting the DTC no longer exists and the Scan Tool Clear DTCs function is used.
    • 100 drive cycles pass with no DTCs detected. A drive cycle consists of starting the vehicle, driving the vehicle over 16 km/h (10 mph), stopping and then turning the ignition OFF.

Diagnostic Aids

    • Thoroughly inspect the wiring and the connectors. An incomplete inspection of the wiring and the connectors may result in a misdiagnosis, causing a part replacement with the reappearance of the malfunction.
    • Poor connections, broken insulation, or a break in the wire inside the insulation may cause an intermittent malfunction.
    • If an intermittent malfunction exists, refer to Testing for Intermittent Conditions and Poor Connections in Wiring Systems.

Test Description

The number below refers to the step number on the diagnostic table.

  1. This step tests the wheel speed sensor and the wheel speed sensor signal circuits for an open.

  2. This step tests the wheel speed sensor and the wheel speed sensor signal circuits for a short to ground.

  3. This step tests the wheel speed sensor and the wheel speed sensor signal circuits for a short to voltage.

  4. This step tests the wheel speed sensor for the proper resistance value.

Step

Action

Value(s)

Yes

No

1

Did you perform the ABS Diagnostic System Check?

--

Go to Step 2

Go to Diagnostic System Check - ABS

2

  1. Turn OFF the ignition.
  2. Disconnect the EBCM harness connector.
  3. Install the J 39700 universal pinout box using the J 39700-99 cable adapter to the EBCM harness connector only.
  4. Measure the resistance at the J 39700 universal pinout box between the wheel speed sensor signal low and wheel speed sensor signal high circuits.

Does the resistance measure within the specified range?

1044-1276 ohms

Go to Step 3

Go to Step 5

3

Test the wheel speed sensor circuit, at the J 39700 universal pinout box, for a short to ground.

Is a short to ground present?

--

Go to Step 8

Go to Step 4

4

  1. Turn ON the ignition, with the engine OFF.
  2. Test the wheel speed sensor circuit, at the J 39700 universal pinout box, for a short to voltage.

Is a short to voltage present?

--

Go to Step 11

Go to Step 13

5

  1. Disconnect the wheel speed sensor connector.
  2. Measure the resistance across the wheel speed sensor.

Does the resistance measure within the specified range?

1044-1276 ohms

Go to Step 6

Go to Step 15

6

Test the wheel speed sensor signal low circuit for an open. Refer to Circuit Testing and Wiring Repairs in Wiring Systems.

Did you find and correct the condition?

--

Go to Step 17

Go to Step 7

7

Test the wheel speed sensor signal high circuit for an open. Refer to Circuit Testing and Wiring Repairs in Wiring Systems.

Did you find and correct the condition?

--

Go to Step 17

Go to Testing for Intermittent Conditions and Poor Connections in Wiring Systems

8

  1. Disconnect the wheel speed sensor connector.
  2. Test the wheel speed sensor for an internal short to ground.

Is the wheel speed sensor internally shorted to ground?

--

Go to Step 15

Go to Step 9

9

Test the wheel speed sensor signal low circuit for a short to ground. Refer to Circuit Testing and Wiring Repairs in Wiring Systems.

Did you find and correct the condition?

--

Go to Step 17

Go to Step 10

10

Test the wheel speed sensor signal high circuit for a short to ground. Refer to Wiring Repairs in Wiring Systems.

Did you find and correct the condition?

--

Go to Step 17

Go to Testing for Intermittent Conditions and Poor Connections in Wiring Systems

11

  1. Disconnect the wheel speed sensor connector.
  2. Turn ON the ignition, with the engine OFF.
  3. Test the wheel speed sensor signal low circuit for a short to voltage. Refer to Circuit Testing and Wiring Repairs in Wiring Systems.

Did you find and correct the condition?

--

Go to Step 17

Go to Step 12

12

Test the wheel speed sensor signal high circuit for a short to voltage. Refer to Circuit Testing and Wiring Repairs in Wiring Systems.

Did you find and correct the condition?

--

Go to Step 17

Go to Testing for Intermittent Conditions and Poor Connections in Wiring Systems

13

Inspect for poor connections/terminal tension at the wheel speed sensor harness connector. Refer to Testing for Intermittent Conditions and Poor Connections and Connector Repairs in Wiring Systems.

Did you find and correct the condition?

--

Go to Step 17

Go to Step 14

14

Inspect for poor connections/terminal tension at the EBCM harness connector. Refer to Testing for Intermittent Conditions and Poor Connections and Connector Repairs in Wiring Systems.

Did you find and correct the condition?

--

Go to Step 17

Go to Step 16

15

Replace the wheel speed sensor. Refer to Rear Wheel Speed Sensor Replacement .

Did you complete the repair?

--

Go to Step 17

--

16

Replace the EBCM. Refer to Electronic Brake Control Module Replacement .

Did you complete the repair?

--

Go to Step 17

--

17

  1. Use the scan tool in order to clear the DTCs.
  2. Operate the vehicle within the Conditions for Running the DTC as specified in the supporting text.

Does the DTC reset?

--

Go to Step 2

System OK