GM Service Manual Online
For 1990-2009 cars only
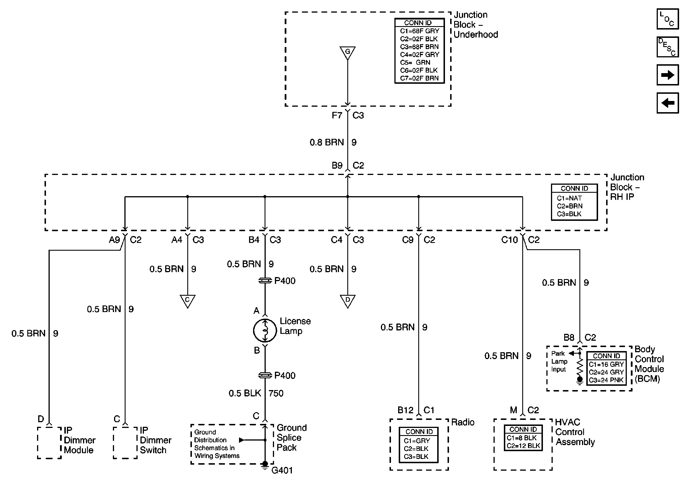
Figure 1:

Powers and Grounds


Object Number: 678417  Size: FS
Master Electrical Component List
Exterior Lighting Systems Description and Operation
Park LPS Relay
LH IP Junction Block BATT 2, STOP LPS, IPC/HVAC BATT, BFC BATT Fuses
IGN BATT 1, IGN SW BATT 2, AIR BAG, TURN LPS, RDO ACC, WIPER, PCM ACC, and IPC/BFC ACC Fuses
Panel Dimming
Tail Lights
G201
Tail Lights
Park LPS Relay
Park LPS Relay
G401
G402
G202
G202
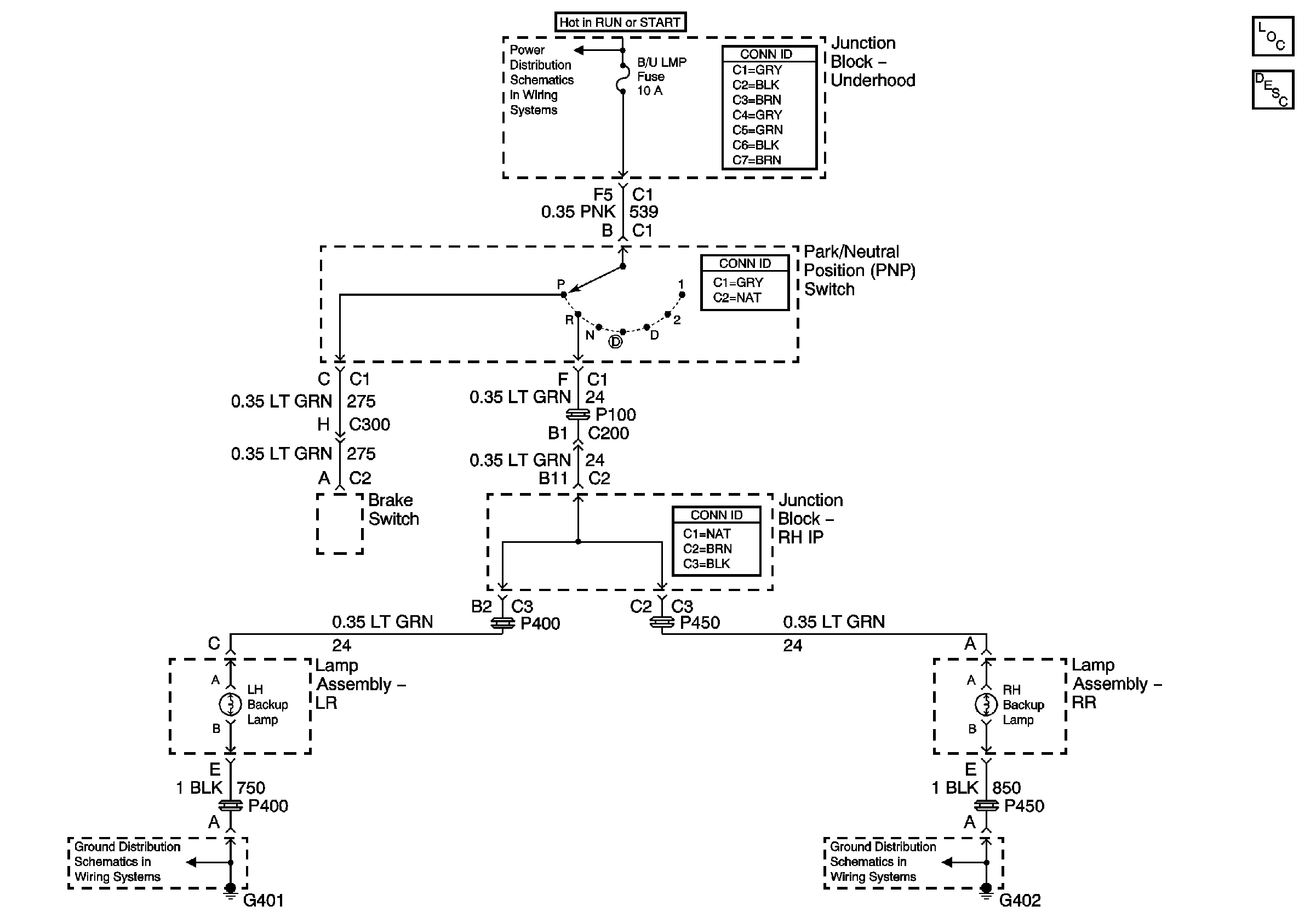
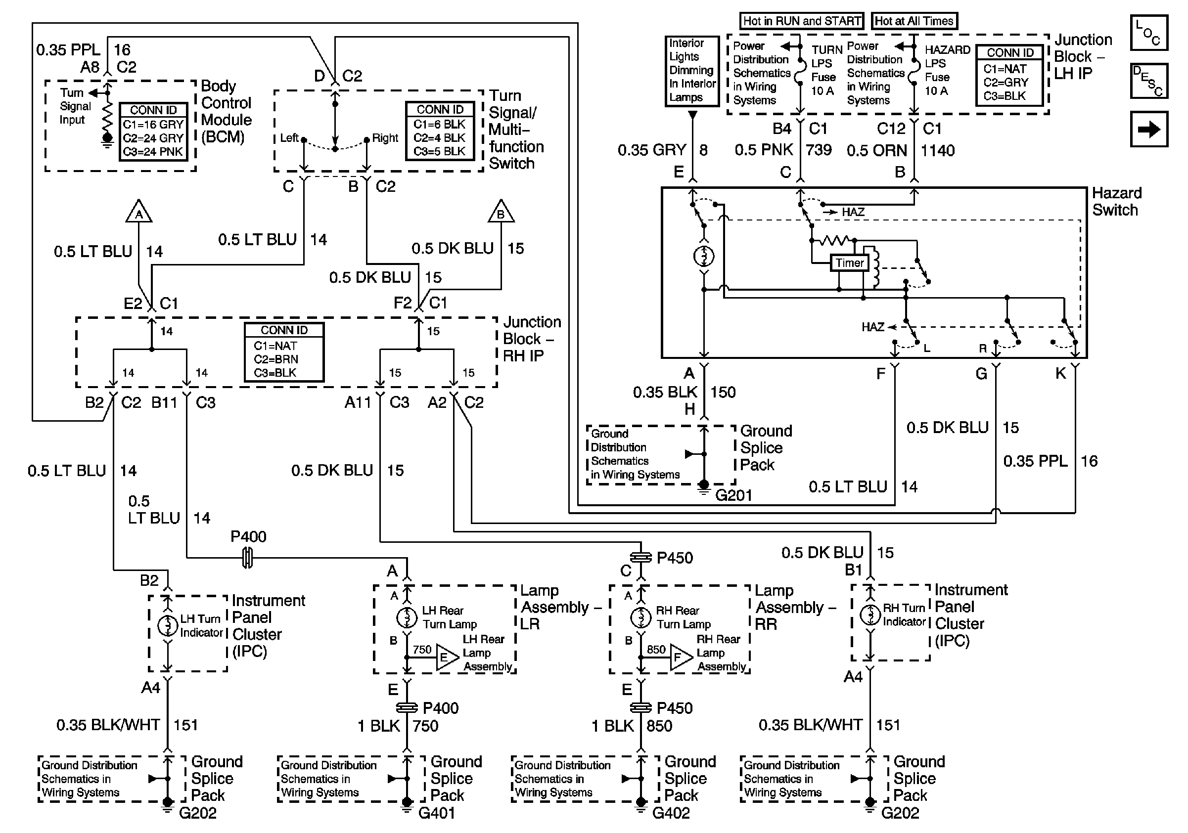
Figure 2:

Park LPS Relay


Object Number: 678430  Size: FS
Master Electrical Component List
Exterior Lighting Systems Description and Operation
Interior Accessories
Powers and Grounds
Interior Accessories
AUX POWER/CIGAR, PARK LPS, PCM BATT Fuses, PARK LAMP Relay
Powers and Grounds
G101
Powers and Grounds
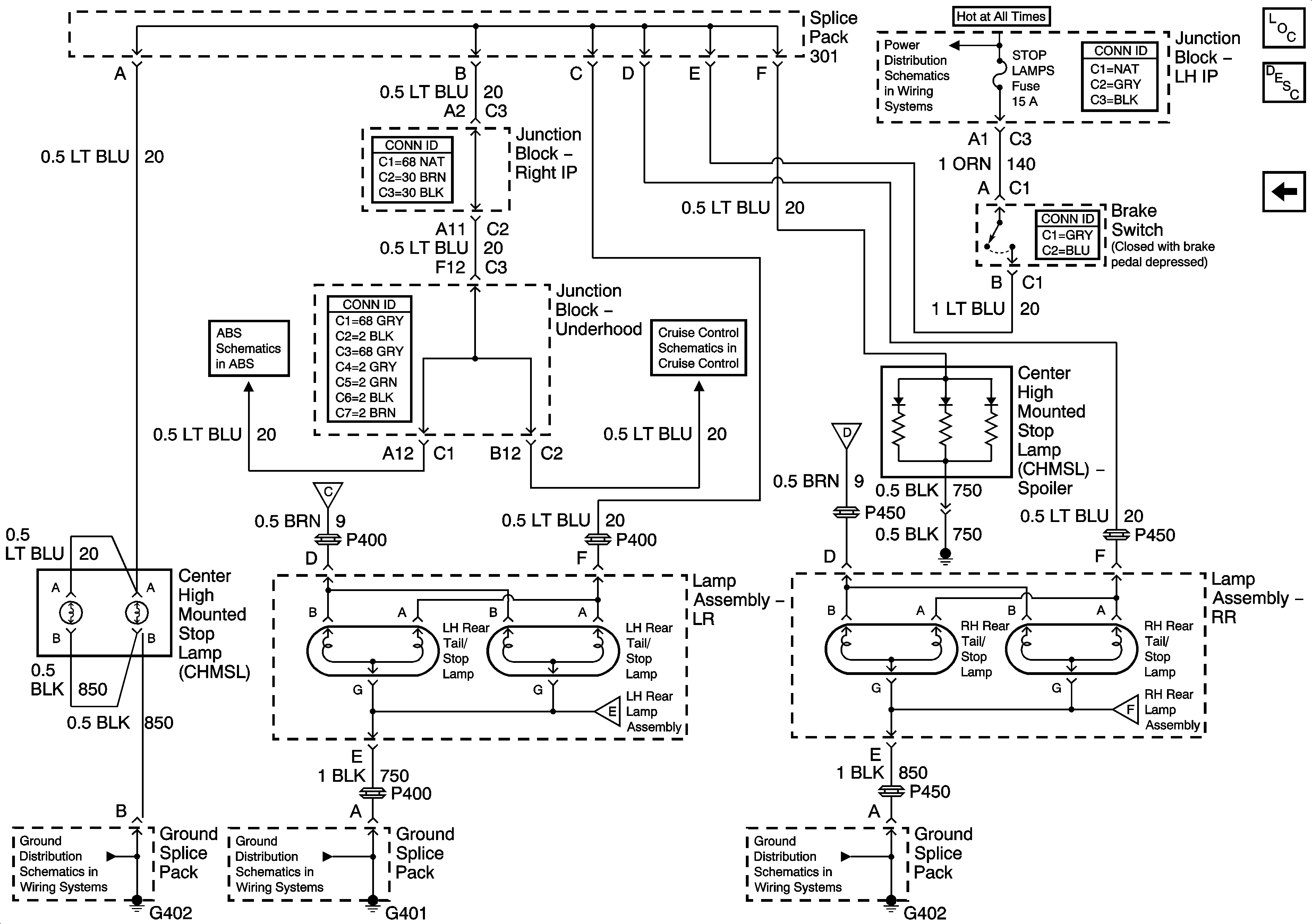
Figure 3:

Interior Accessories


Object Number: 678434  Size: FS
Master Electrical Component List
Exterior Lighting Systems Description and Operation
Tail Lights
Park LPS Relay
Park LPS Relay
Tail Lights
Tail Lights
G401
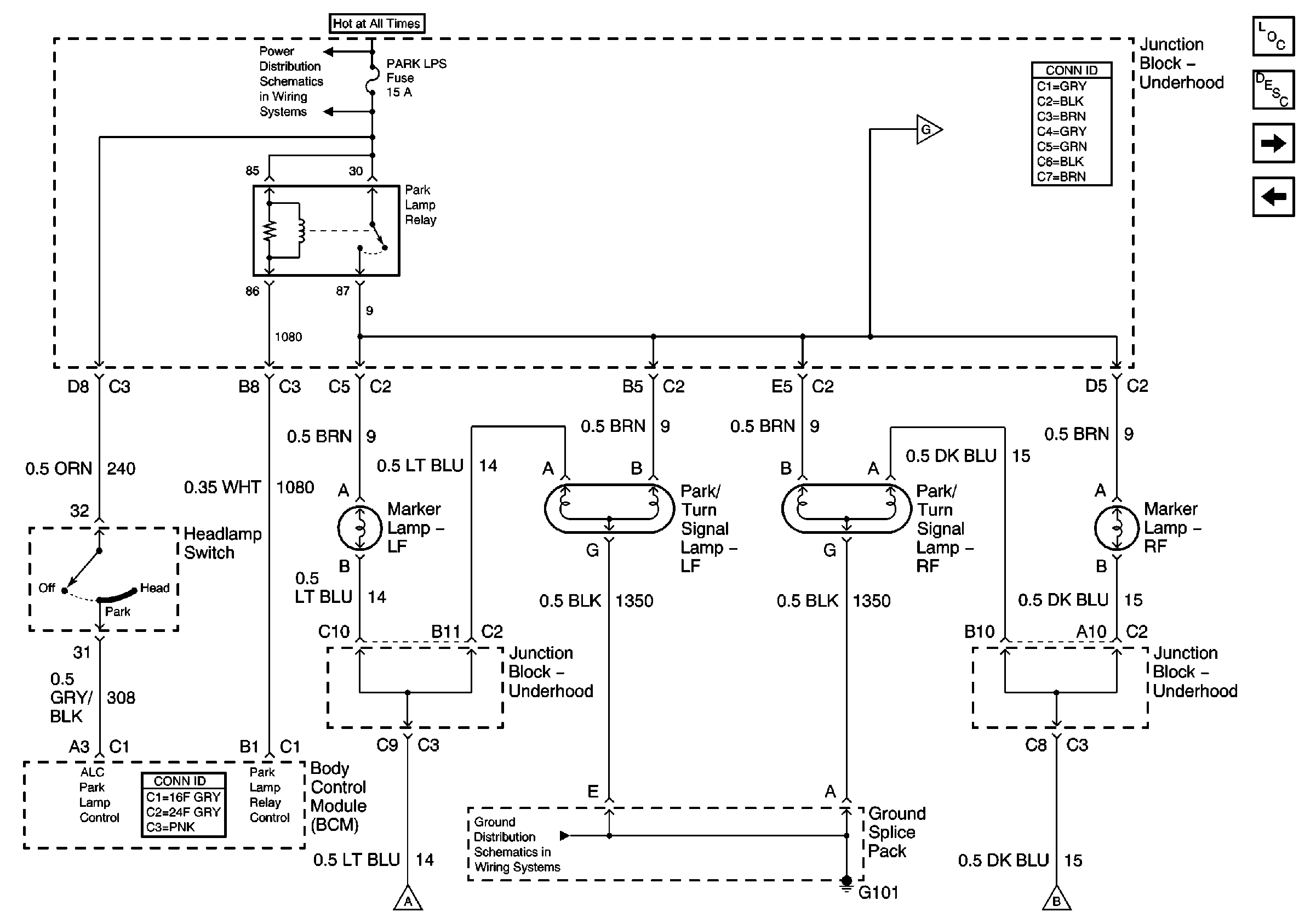
Figure 4:
Object Number: 678441  Size: FS
Master Electrical Component List
Exterior Lighting Systems Description and Operation
Interior Accessories
LH IP Junction Block BATT 2, STOP LPS, IPC/HVAC BATT, BFC BATT Fuses
Interior Accessories
G402
Interior Accessories
Powers and Grounds
Powers and Grounds
G401
G402
EBCM, PWR, GND, and BPMV
Figure 5:

Back Up Lights


Object Number: 678448  Size: FS
Master Electrical Component List
Exterior Lighting Systems Description and Operation
IGN MOD, B/U LMP, PCM IGN, F/P INJR, A/C BFC, AUTO TRANS and ABS IGN Fuses
G402
G401