GM Service Manual Online
For 1990-2009 cars only
Makes
🢒
Chevrolet
🢒
2001
🢒
Malibu
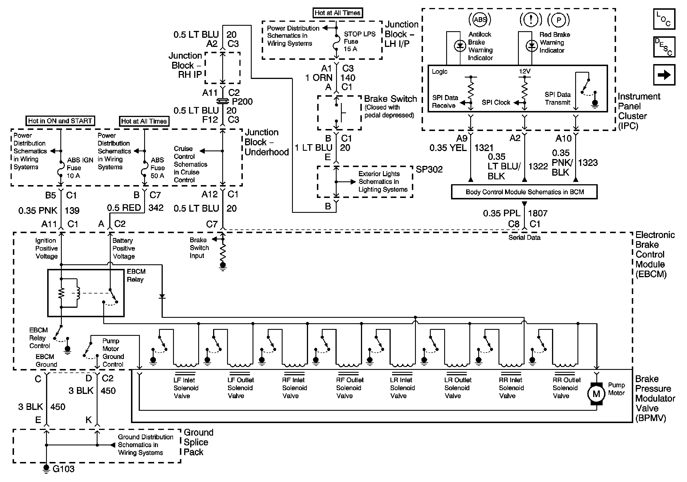
🢒 EBCM, PWR, GND, and BPMV
EBCM, PWR, GND, and BPMV
EBCM, PWR, GND, and BPMV
Master Electrical Component List
ABS Description and Operation
Wheel Speed Sensors
(Powers, Grounds, and Communication)
Tail Lights
G103 and G105
LH IP Junction Block BATT 2, STOP LPS, IPC/HVAC BATT, BFC BATT Fuses
IGN MOD, B/U LMP, PCM IGN, F/P INJR, A/C BFC, AUTO TRANS and ABS IGN Fuses
RR DEFOG, HORN, HI BLO MOT, RH BEC BATT, AIR, COOL FAN 1, ABS, INTLPS, RDO BATT, FOG LPS Fuses, REAR DEFOGGER, HORN, FAN CONTROL 1 MODE CONTROL, FAN CONTROL 2 BLOWER MOTOR, AIR PUMP, FOG LAMPS Relays
Brake Switch, and Inhibit Signals