GM Service Manual Online
For 1990-2009 cars only
Makes
🢒
Chevrolet
🢒
2001
🢒
Malibu
🢒 Horns
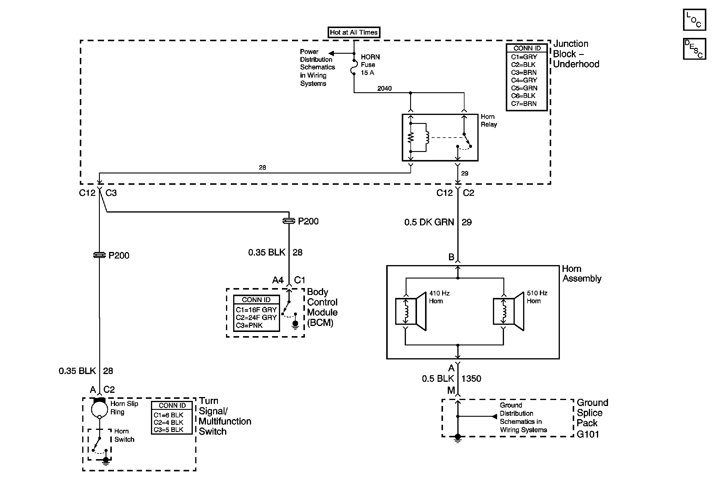
Horns
Master Electrical Component List
Horns System Description and Operation
G101
RR DEFOG, HORN, HI BLO MOT, RH BEC BATT, AIR, COOL FAN 1, ABS, INTLPS, RDO BATT, FOG LPS Fuses, REAR DEFOGGER, HORN, FAN CONTROL 1 MODE CONTROL, FAN CONTROL 2 BLOWER MOTOR, AIR PUMP, FOG LAMPS Relays