GM Service Manual Online
For 1990-2009 cars only
Makes
🢒
Chevrolet
🢒
2005
🢒
Malibu
🢒 Ignition Controls - Ignition System
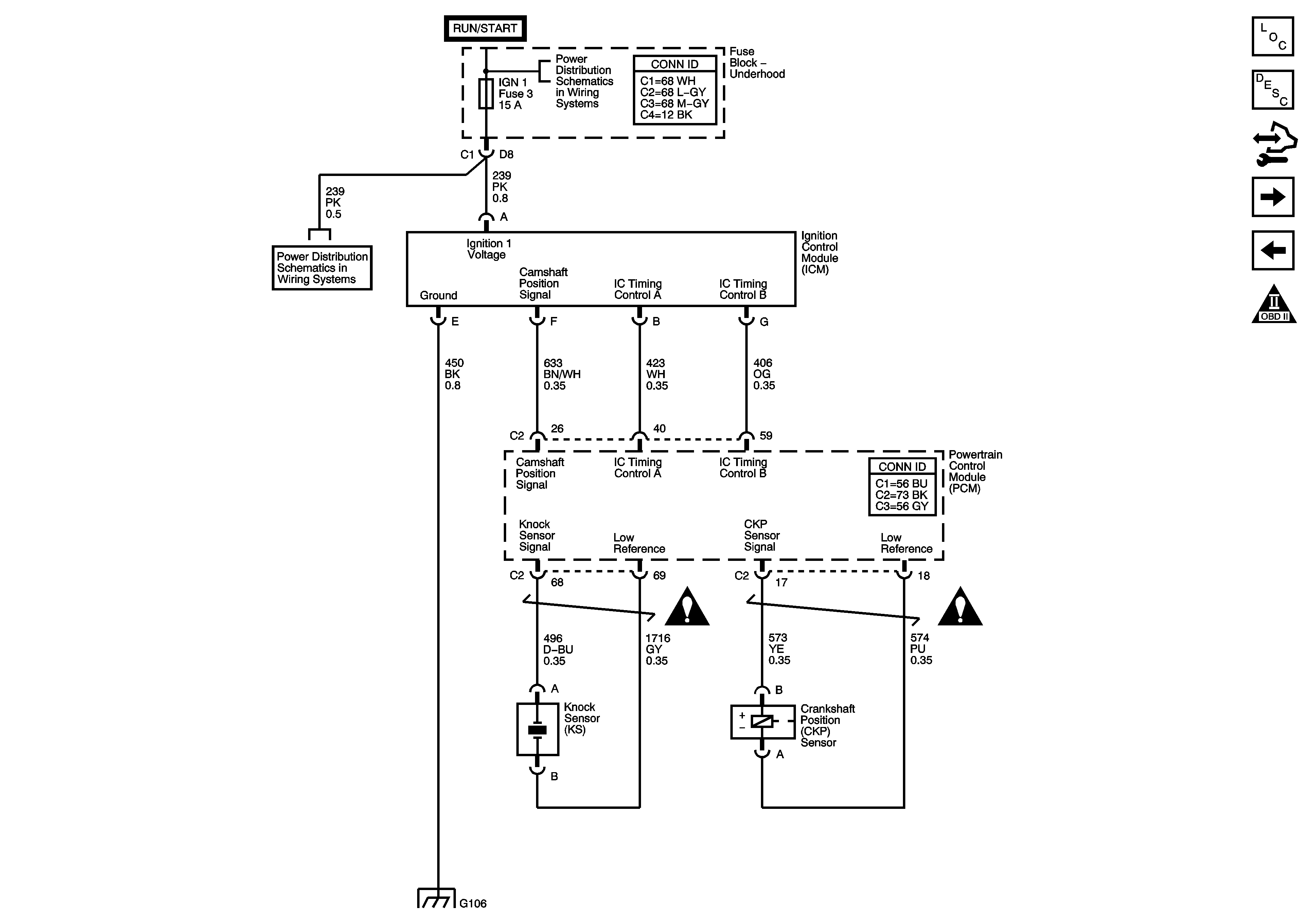
Ignition Controls - Ignition System
Ignition Controls - Ignition System
Master Electrical Component List
Electronic Ignition (EI) System Description
Control Module References
Fuel Controls - Fuel Pump Controls
Engine Data Sensors - Electronic Throttle Controls
OBD II Symbol Description Notice
Run/Crank ICBM, Transmission, Injectors, ABS, PCM IGN, IGN Fuses
Run/Crank ICBM, Transmission, Injectors, ABS, PCM IGN, IGN Fuses
Engine Controls Schematic Icons
Engine Controls Schematic Icons
G106