GM Service Manual Online
For 1990-2009 cars only
Makes
🢒
Chevrolet
🢒
2005
🢒
Malibu
🢒 Outside Mirrors
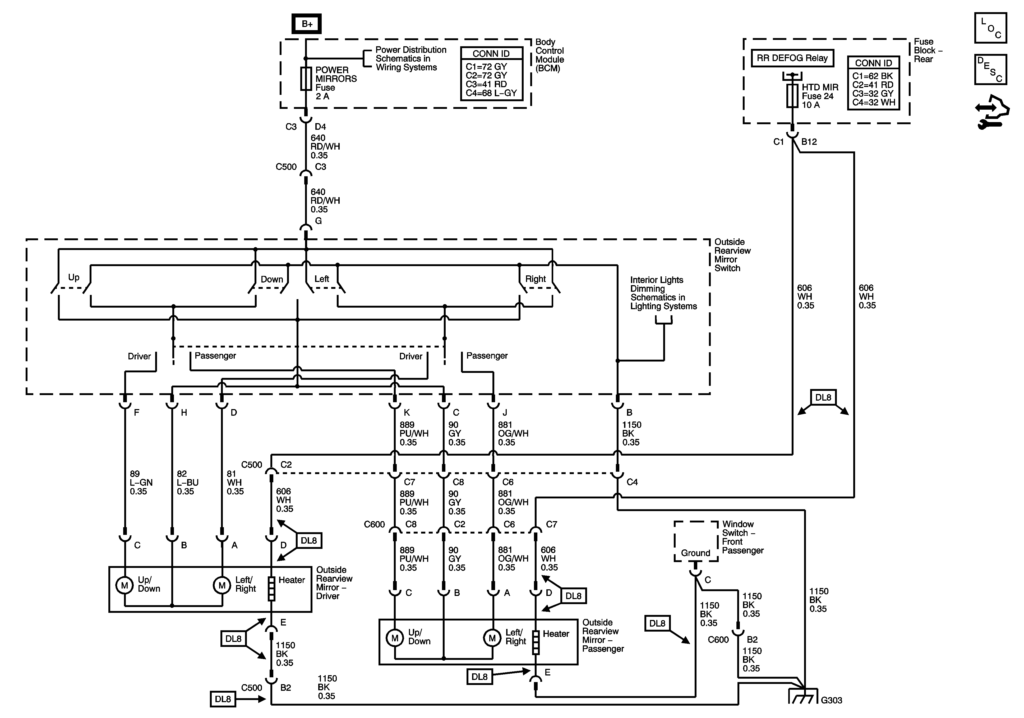
Outside Mirrors
Master Electrical Component List
Outside Mirror Description and Operation
Control Module References
Interior Lights, Power Mirror, Pedal, OnStar Fuses
Underhood Fuse Block - RBEC Fuse Rear Fuse Block - Cigar/Aux Power, Sunroof,RKEW/SM/DVD/UGD, Stop Lamp, Rear Defog, HTD Mirror, AUX PWR, HTD Seat Fuses
Switches
G303