GM Service Manual Online
For 1990-2009 cars only
Makes
🢒
Chevrolet
🢒
2005
🢒
Malibu
🢒 Switches
Switches
Switches
Master Electrical Component List
Interior Lighting Systems Description and Operation
Control Module References
Seats and Center Console
Displays
Displays
Displays
Seats and Center Console
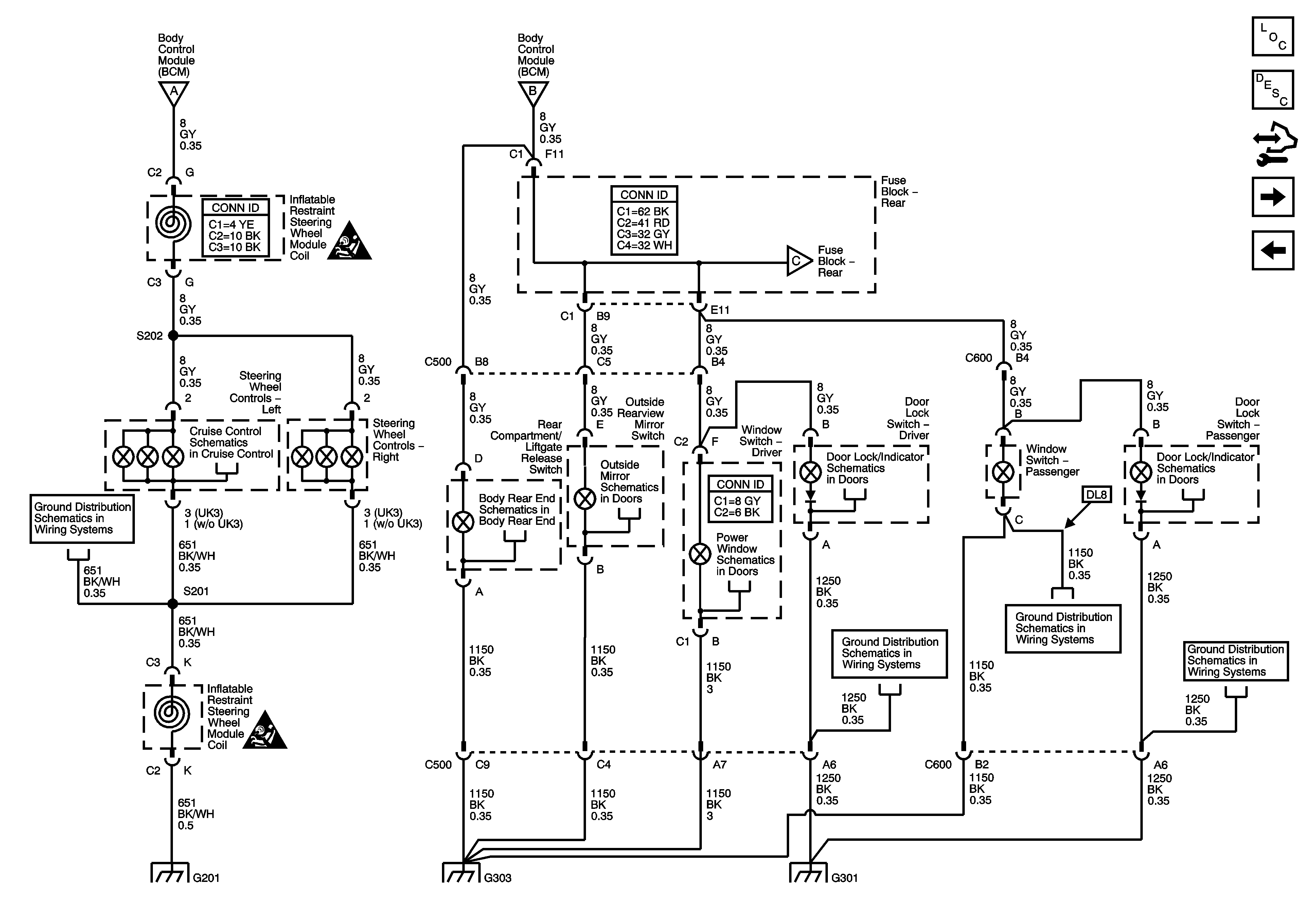
G201
Power, Ground, Serial Data and Switches
Sedan
Outside Mirrors
Power Window Schematics
Door Lock Switches
Door Lock Switches
G301
G303
G301
G201
G303
G301