GM Service Manual Online
For 1990-2009 cars only
Makes
🢒
Chevrolet
🢒
2005
🢒
Malibu
🢒 Displays
Displays
Displays
Master Electrical Component List
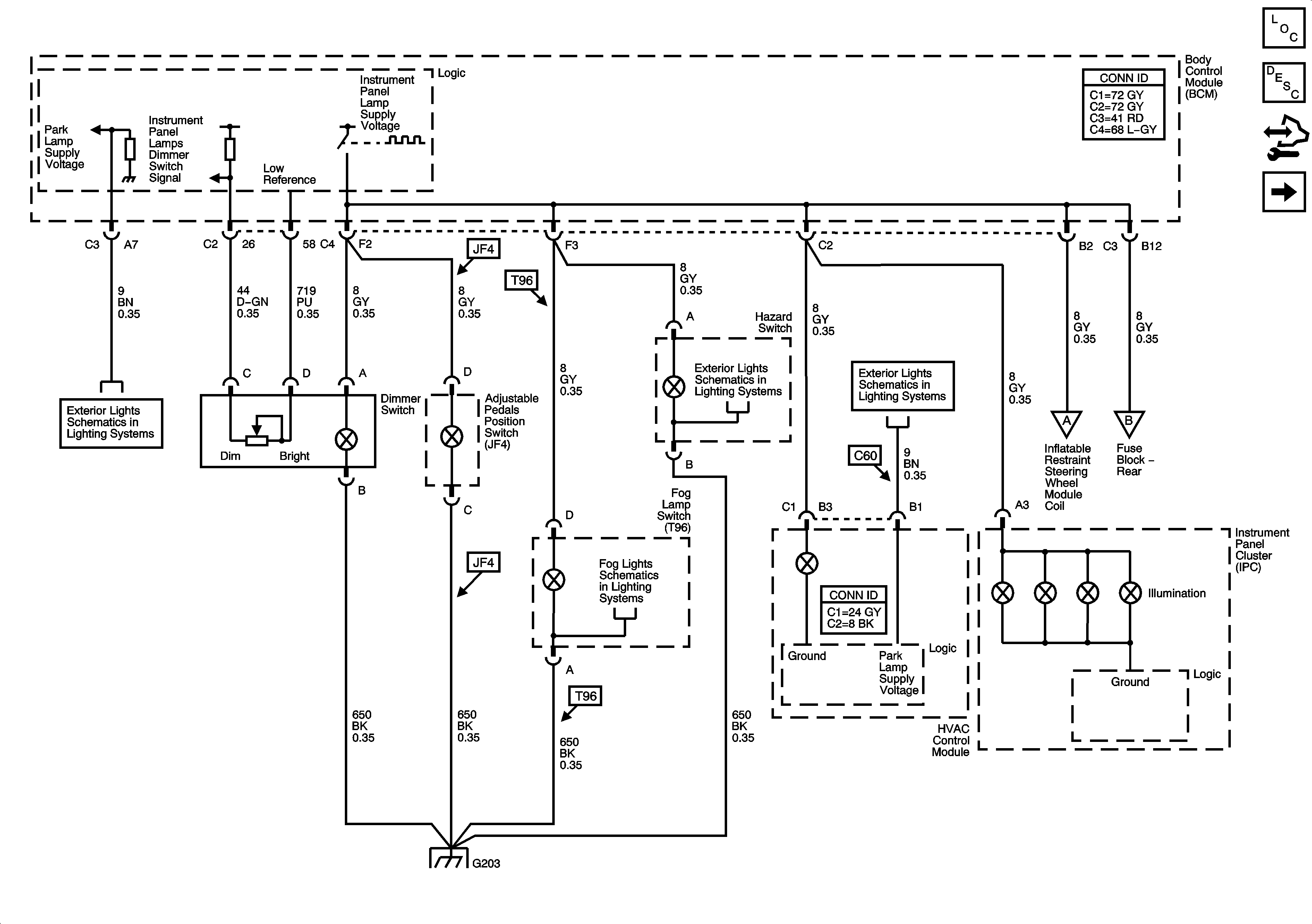
Interior Lighting Systems Description and Operation
Control Module References
Switches
Park Lamps
Ambient Light Sensor, Brake Pedal Position Sensor, Hazard Switch and Turn Signal/Multifunction Switch
Park Lamps
Switches
Switches
Fog Lights
G203