GM Service Manual Online
For 1990-2009 cars only
Makes
🢒
Chevrolet
🢒
2007
🢒
Malibu
🢒
Power and Signal Distribution
🢒
Wiring Systems and Power Management
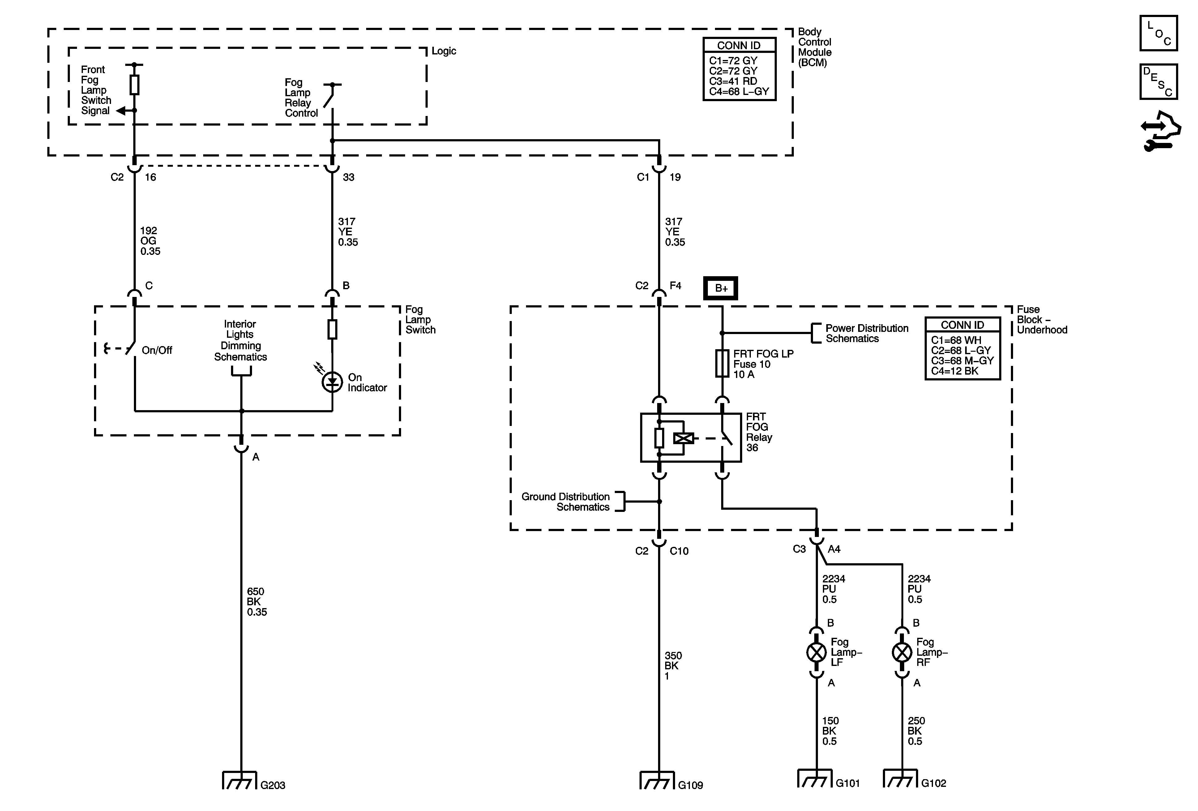
🢒 Fog Lights Schematics
Master Electrical Component List
Exterior Lighting Systems Description and Operation
Control Module References
Displays
B+ Bus
G109
G109
G101 and G102
G101 and G102