GM Service Manual Online
For 1990-2009 cars only
Makes
🢒
Chevrolet
🢒
2007
🢒
Malibu
🢒 Displays
Displays
Displays
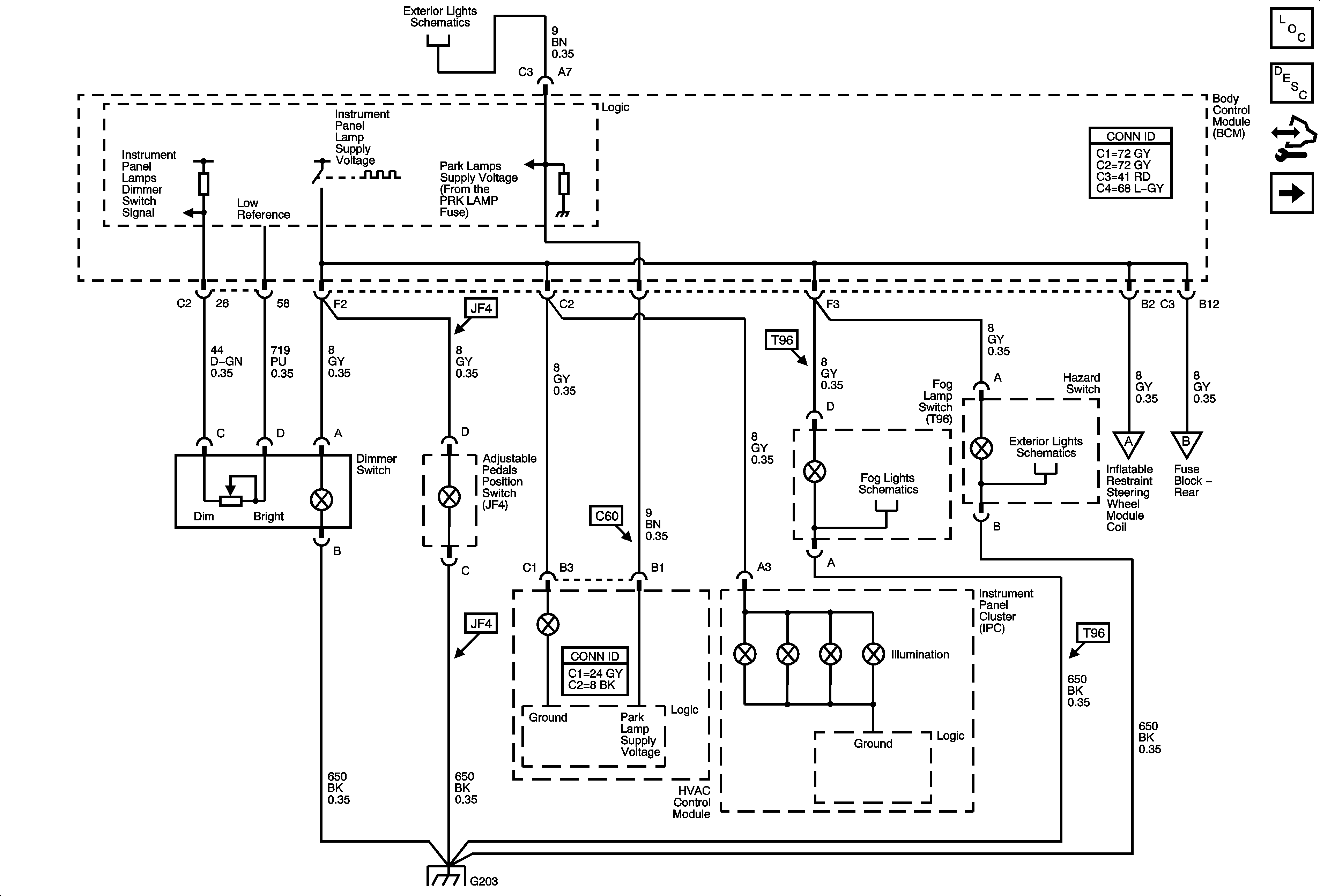
Master Electrical Component List
Interior Lighting Systems Description and Operation
Control Module References
Switches
Park Lamps
Fog Lights Schematics
Ambient Light Sensor, Brake Pedal Position Sensor, Hazard Switch and Turn Signal/Multifunction Switch
Switches
G203