GM Service Manual Online
For 1990-2009 cars only
Makes
🢒
Chevrolet
🢒
2007
🢒
Malibu
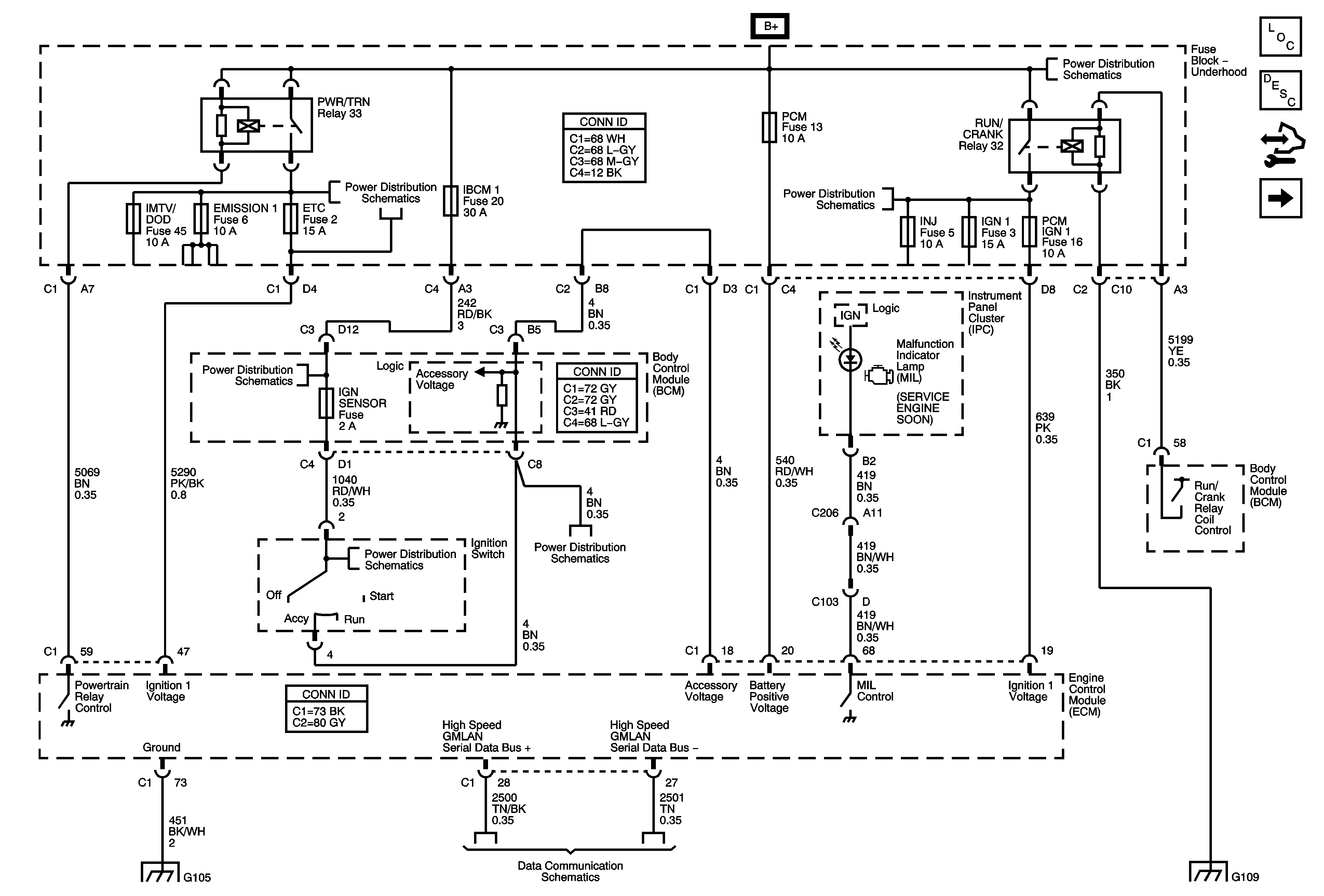
🢒 Power, Ground, Serial Data and MIL
Power, Ground, Serial Data and MIL
Power, Ground, Serial Data and MIL
Master Electrical Component List
Engine Control Module Description
Control Module References
5-Volt and Low References
Underhood Fuse Block RUN/CRANK Relay, ABS, IGN 1, INJ, ECM IGN 1 and TRANS Fuses
Underhood Fuse Block RUN/CRANK Relay, ABS, IGN 1, INJ, ECM IGN 1 and TRANS Fuses
Underhood Fuse Block A/C CLUTCH and PWR/TRN Relays, A/C CLU, EMISSION 1, ETC and INJ Fuses
Underhood Fuse Block IBCM 1, Body Control Module (BCM) AIRBAG (BATT), CLUSTER/THEFT, HVAC CTRL (BATT), IGN SENSOR and RADIO Fuses
Underhood Fuse Block IBCM 1, Body Control Module (BCM) AIRBAG (BATT), CLUSTER/THEFT, HVAC CTRL (BATT), IGN SENSOR and RADIO Fuses
G103, G104 and G105
Power, Ground and High Speed Serial Data