GM Service Manual Online
For 1990-2009 cars only
Makes
🢒
Chevrolet
🢒
2007
🢒
Malibu
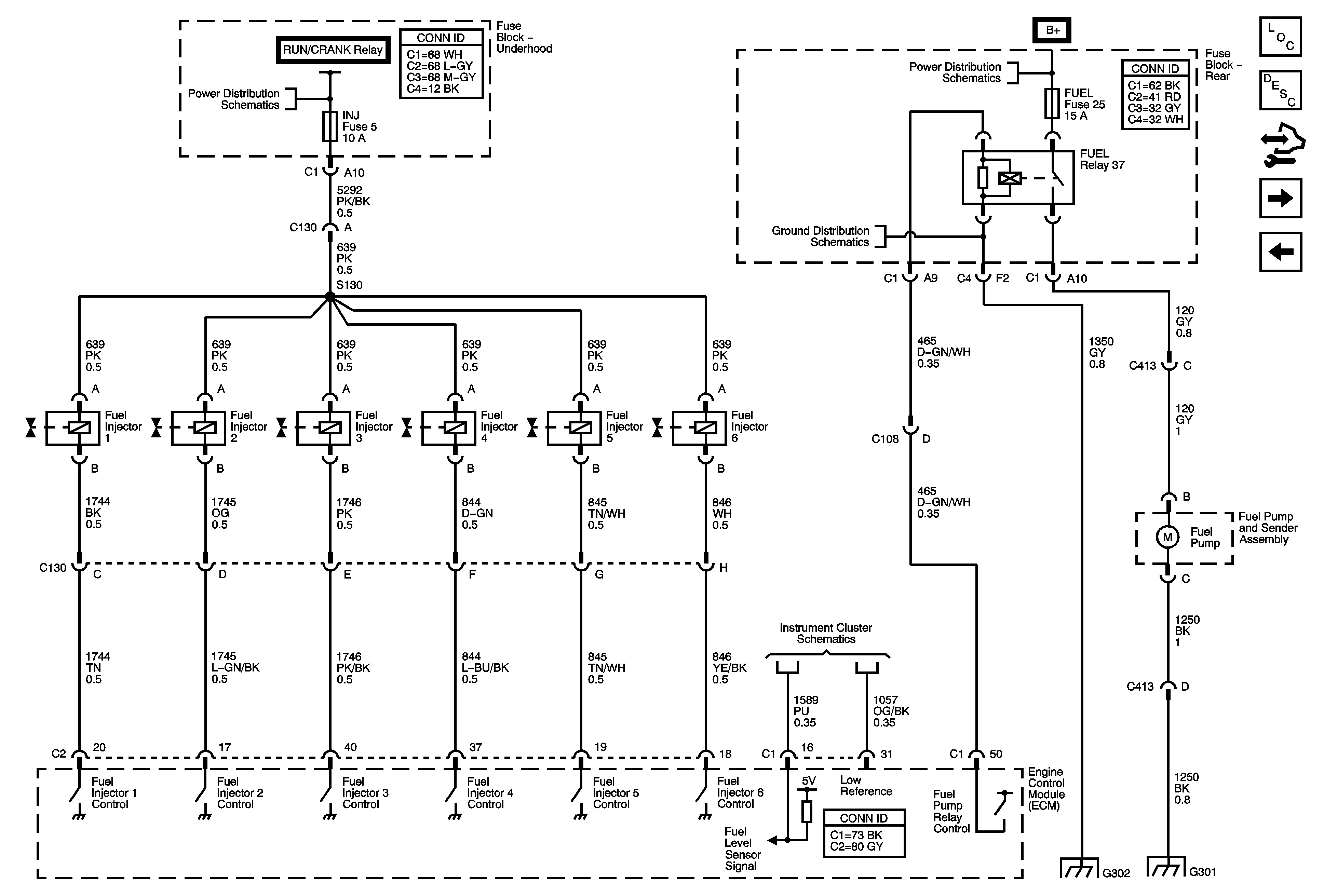
🢒 Fuel Pump Controls
Fuel Pump Controls
Fuel Pump Controls
Master Electrical Component List
Fuel System Description
Control Module References
EVAP Controls, Fuel Injectors and FTP Sensor
Ignition System
Underhood Fuse Block A/C CLUTCH and PWR/TRN Relays, A/C CLU, EMISSION 1, ETC and INJ Fuses
Underhood Fuse Block RBEC 2, RUN RLY, Body Control Module (BCM), HVAC BLOWER HIGH Relay, RUN Relay, HVAC BLOWER, HVAC CTRL (IGN) Rear Fuse Block FUEL/PMP Relay, PARK LP Relay, TRUNK Relay, DRV ST
Underhood Fuse Block RBEC 2, RUN RLY, Body Control Module (BCM), HVAC BLOWER HIGH Relay, RUN Relay, HVAC BLOWER, HVAC CTRL (IGN) Rear Fuse Block FUEL/PMP Relay, PARK LP Relay, TRUNK Relay, DRV ST
Indicators
G302
G301