GM Service Manual Online
For 1990-2009 cars only
Makes
🢒
Chevrolet
🢒
2007
🢒
Malibu
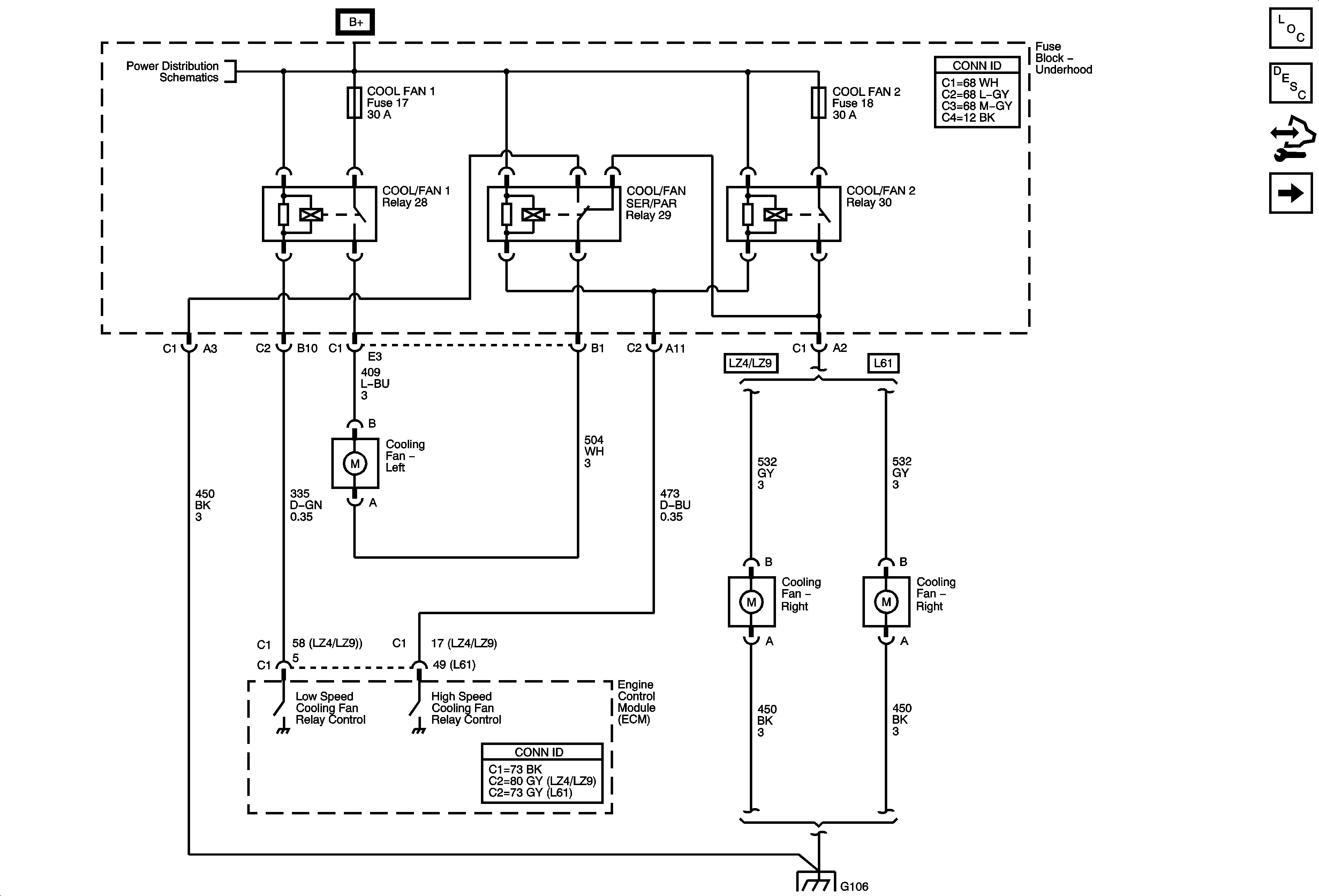
🢒 Cooling Fans
Cooling Fans
Cooling Fans
Master Electrical Component List
Cooling Fan Description and Operation
Control Module References
Coolant Indicators
Underhood Fuse Block IBCM (RUN/CRANK) Fuse, Body Control Module (BCM) AIR BAG (IGN), EPS and RUN/CRANK Fuses
G106