GM Service Manual Online
For 1990-2009 cars only
Makes
🢒
Chevrolet
🢒
2007
🢒
Malibu
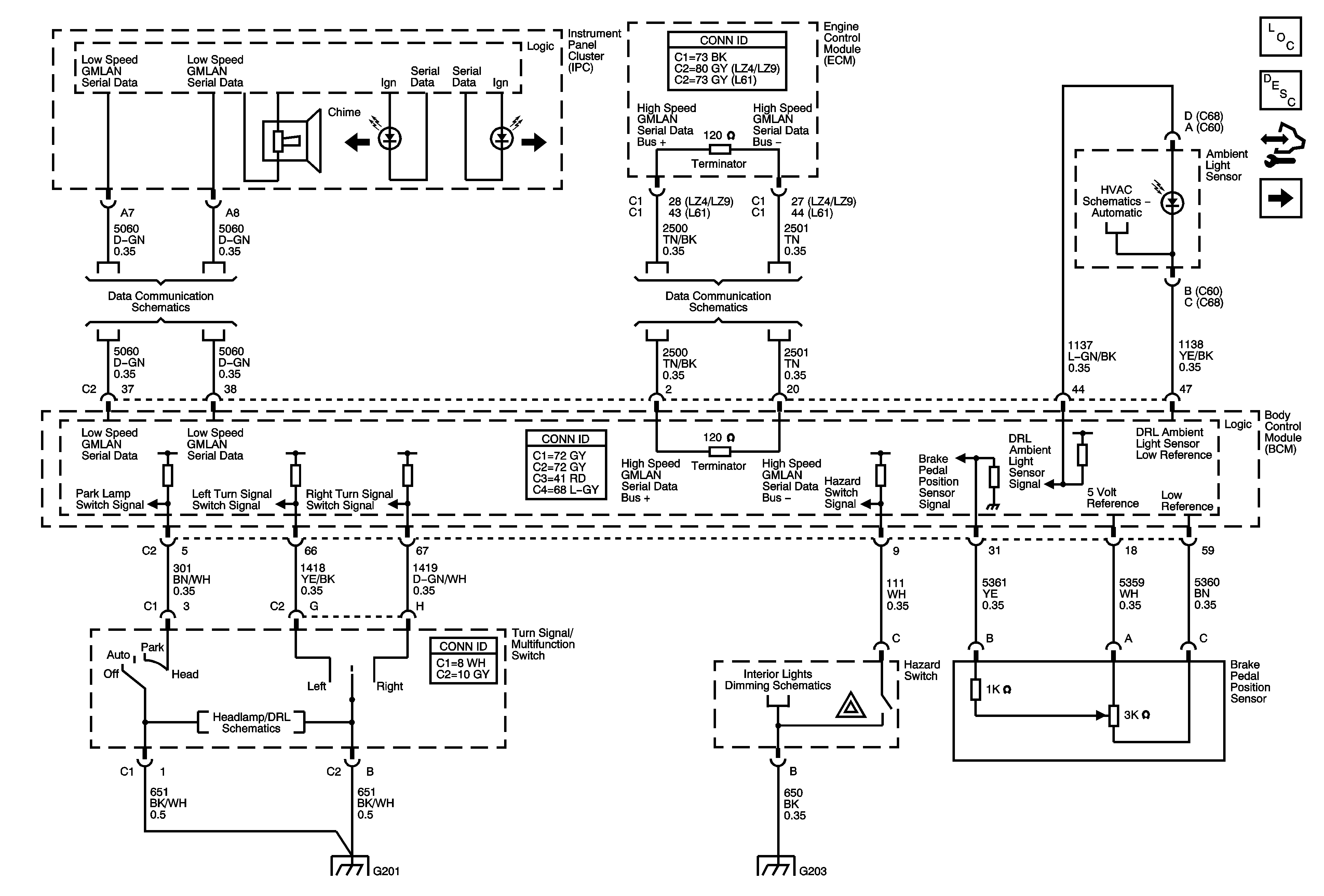
🢒 Ambient Light Sensor, Brake Pedal Position Sensor, Hazard Switch and Turn Signal/Multifunction Switch
Ambient Light Sensor, Brake Pedal Position Sensor, Hazard Switch and Turn Signal/Multifunction Switch
Ambient Light Sensor, Brake Pedal Position Sensor, Hazard Switch and Turn Signal/Multifunction Switch
Master Electrical Component List
Exterior Lighting Systems Description and Operation
Control Module References
Turn Signals and Stop Lamps
Low Speed Serial Data
Power, Ground and High Speed Serial Data
Air Temperature and Mode Controls
Headlights/Daytime Running Lights (DRL) Schematics
Displays
G201
G203