GM Service Manual Online
For 1990-2009 cars only
Makes
🢒
Chevrolet
🢒
2007
🢒
Malibu
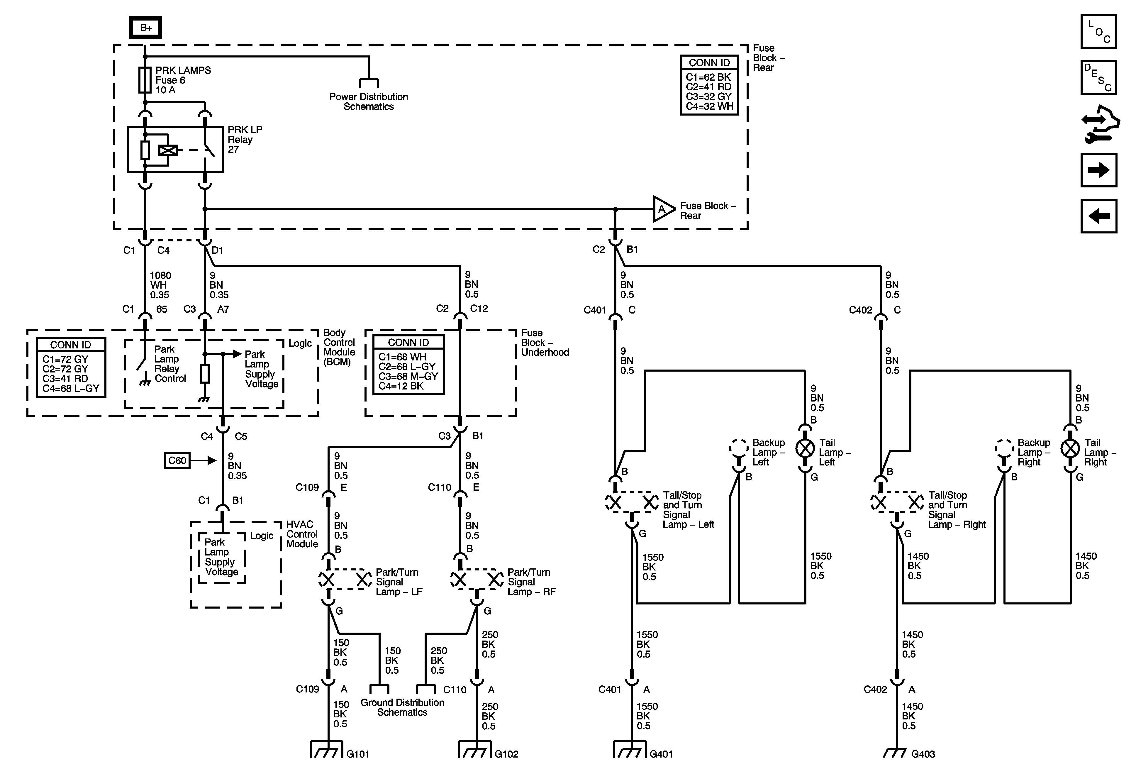
🢒 Park Lamps
Park Lamps
Park Lamps
Master Electrical Component List
Exterior Lighting Systems Description and Operation
Control Module References
Backup Lamps and License Lamps
Turn Signals and Stop Lamps
Underhood Fuse Block RBEC 2, RUN RLY, Body Control Module (BCM), HVAC BLOWER HIGH Relay, RUN Relay, HVAC BLOWER, HVAC CTRL (IGN) Rear Fuse Block FUEL/PMP Relay, PARK LP Relay, TRUNK Relay, DRV ST
Backup Lamps and License Lamps
G101 and G102
G101 and G102
G101 and G102
G401 and G403
G401 and G403