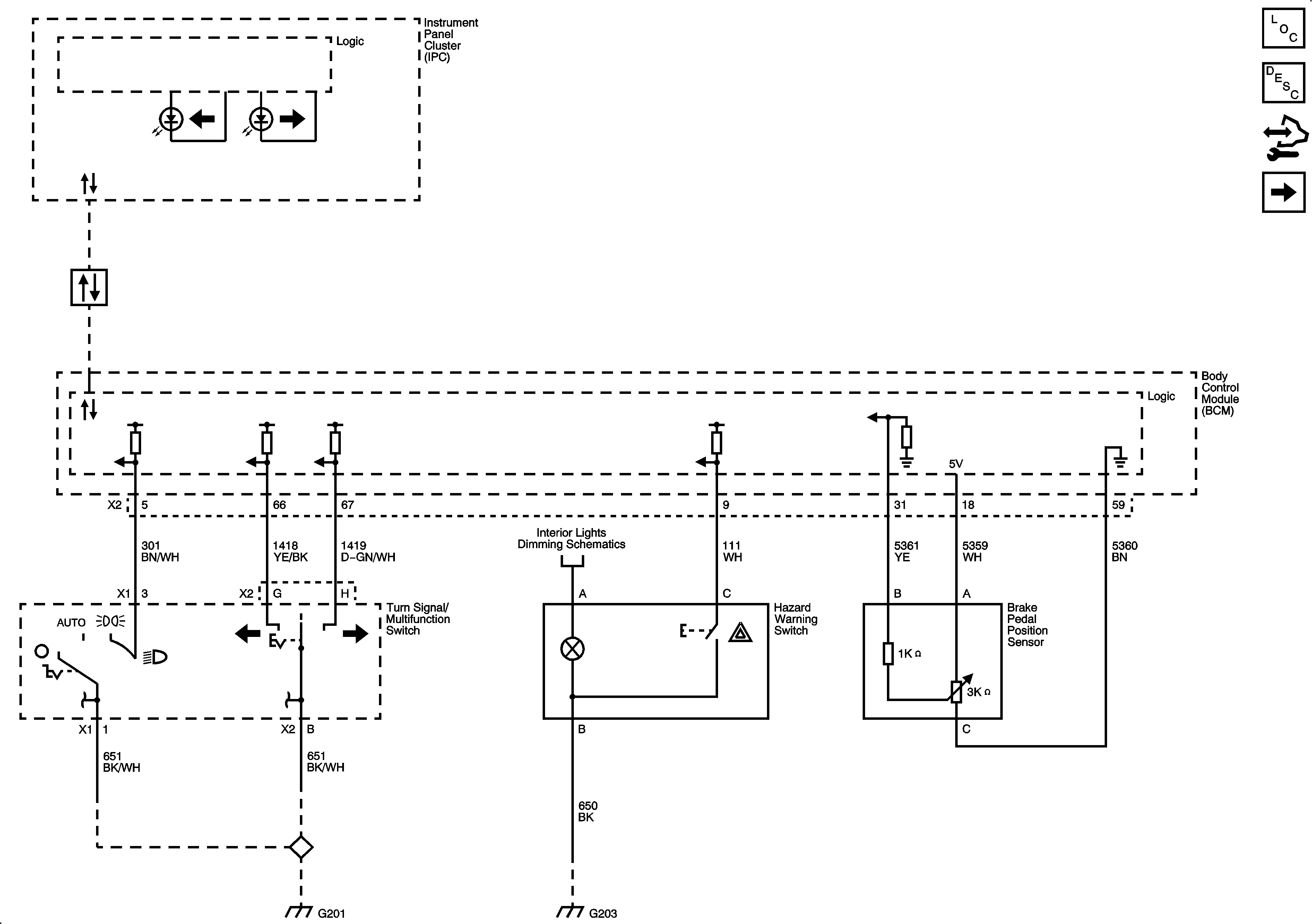
| Figure 1: |
Brake Pedal Position Sensor, Hazard Switch, and Turn Signal/Multifunction Switch
|
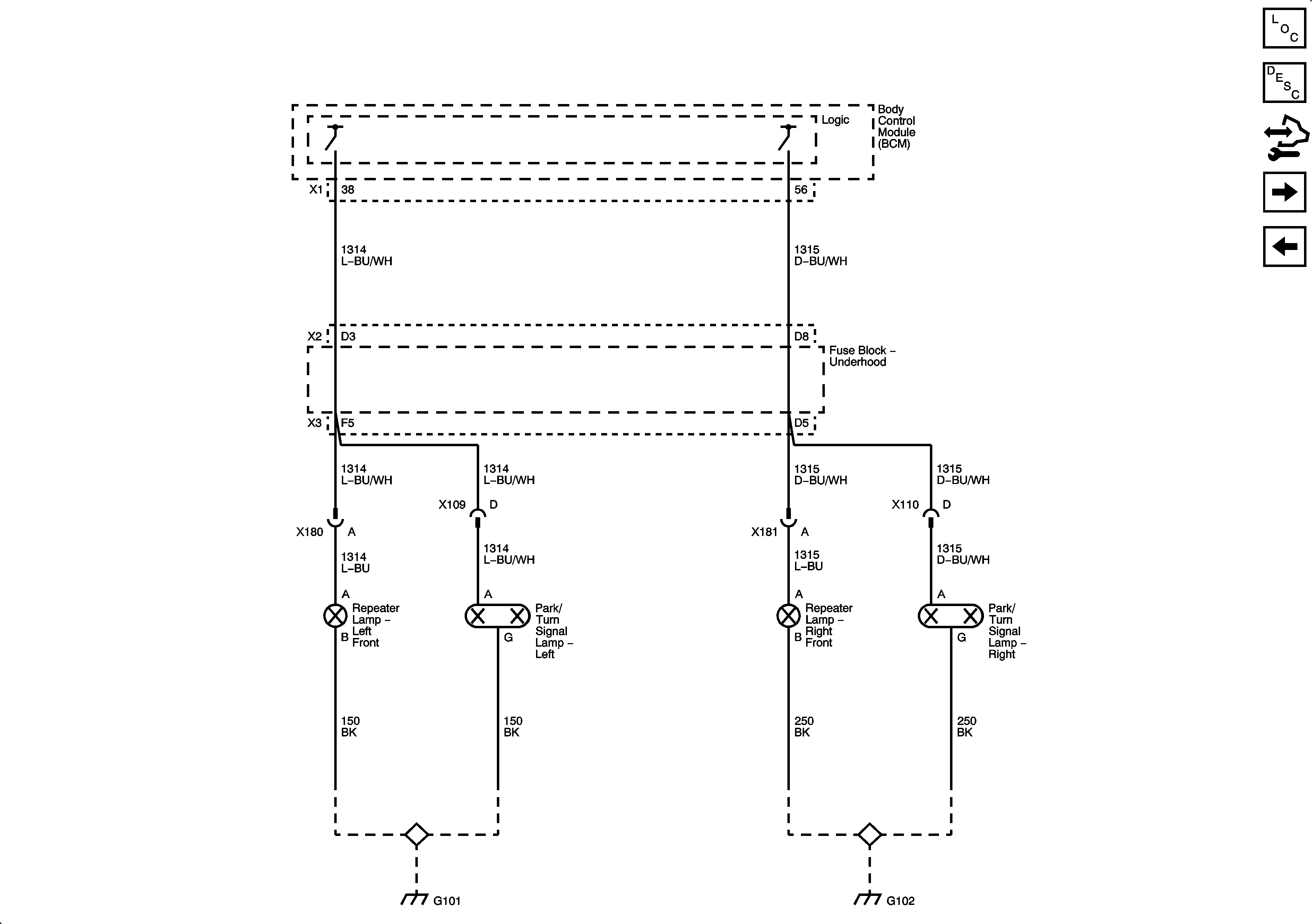
| Figure 2: |
Front Turn Lamps
|
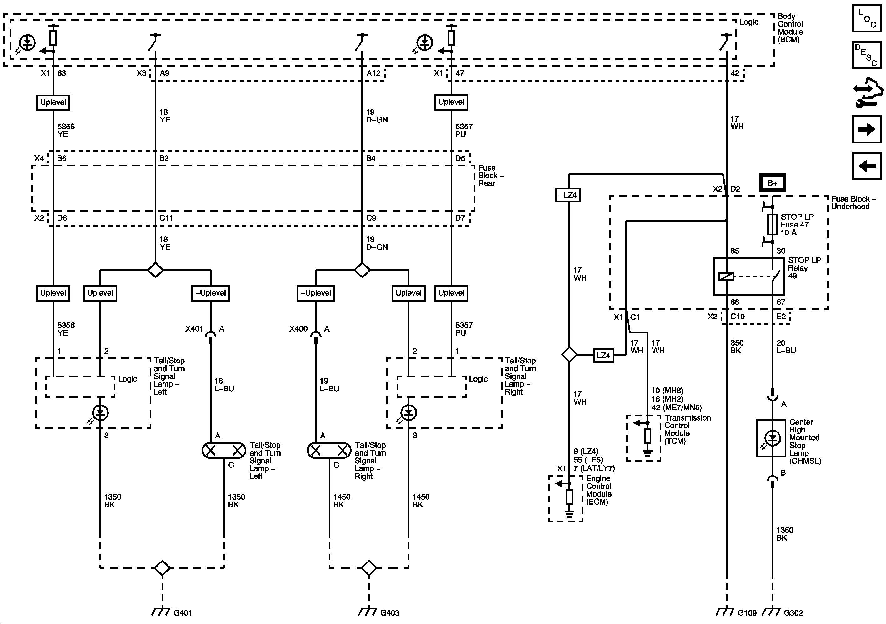
| Figure 3: |
Rear Stop/Turn Lamps
|
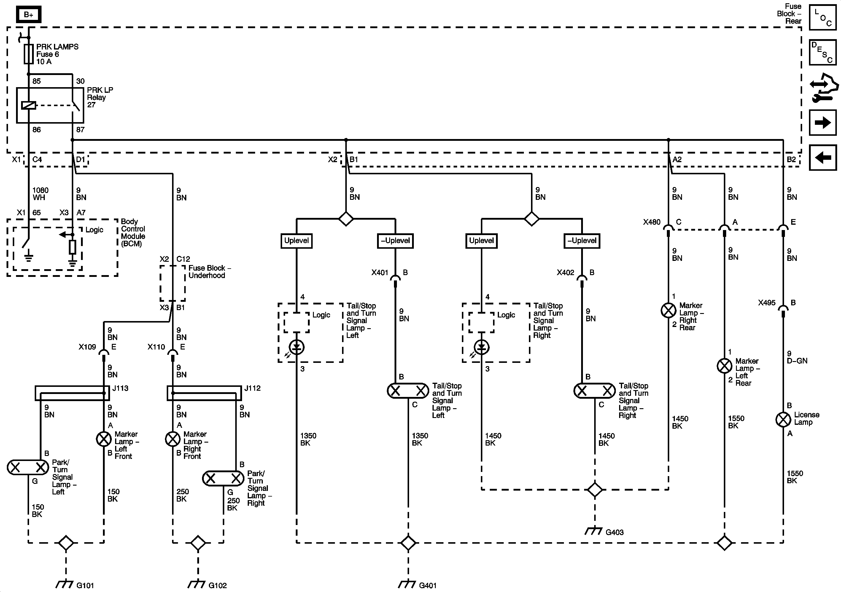
| Figure 4: |
Park, Marker and License Lamps
|
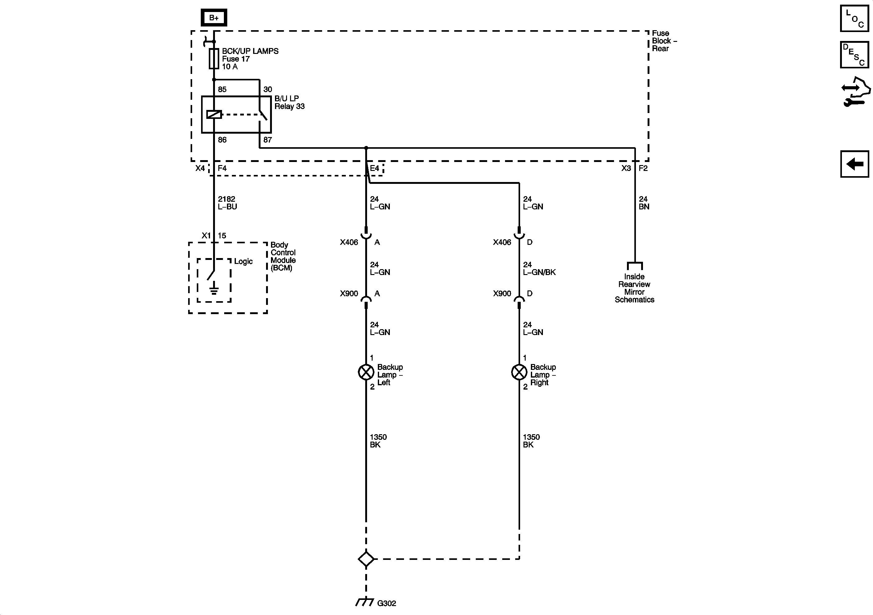
| Figure 5: |
Backup Lamps
|