GM Service Manual Online
For 1990-2009 cars only

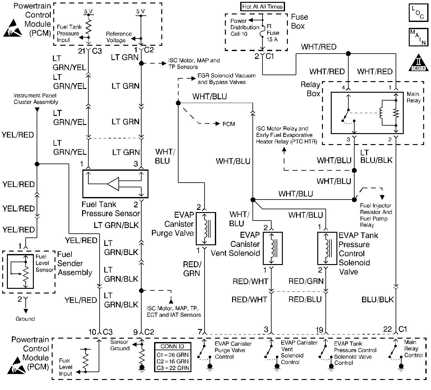
Object Number: 280717  Size: LF
Engine Controls Components
Cell 20: EVAP Controls
OBD II Symbol Description Notice
Handling ESD Sensitive Parts Notice
Handling ESD Sensitive Parts Notice

Circuit Description

The EVAP control system leak detection diagnostic strategy is based on applying vacuum to the EVAP system and monitoring vacuum decay. The PCM monitors the vacuum level via the fuel tank pressure sensor input. The PCM turns ON the EVAP canister purge valve and the EVAP vent solenoid, allowing engine manifold pressure (vacuum) to draw a small vacuum on the entire evaporative emission system. If a sufficient vacuum cannot be sustained over a given period of time, a large leak (or a malfunction) is indicated and a DTC P0455 sets.

The EVAP control system as defined by federal regulation includes the following components:

    • Fuel tank
    • EVAP vent solenoid
    • Fuel tank pressure sensor
    • Fuel pipes and hoses
    • Vapor lines
    • Fuel filler cap
    • EVAP Tank Pressure Control Valve
    • EVAP canister
    • Purge lines
    • EVAP canister purge valve

Conditions for Running the DTC

    • Engine coolant temperature is 70°C to 110°C (158°F to 230°F).
    • Intake air temperature is -10°C to 50°C (14°F to 122°F).
    • Barometric pressure is greater than 75 kPa.
    • Fuel tank level is between 25 and 75%.

Conditions for Setting the DTC

    • Fuel tank pressure indicated is within a specified value.
    • Purge accumulation time is greater than 200 seconds.

Action Taken When the DTC Sets

    • The PCM illuminates the malfunction indicator lamp (MIL).
    • The PCM records the operating conditions at the time the diagnostic fails. This information is stored in the Freeze Frame buffer.

Conditions for Clearing the MIL/DTC

    • The MIL turns OFF after three consecutively passing trips without a fault present.
    • A History DTC clears after 40 consecutive warm-up cycles without a fault.
    • Use the scan tool Clear DTC Information function or disconnect the PCM battery feed in order to clear the DTC.

Diagnostic Aids

The EVAP Purge diagnostic checks for many of the faults that can cause a DTC P0455 to set. If the EVAP Purge test passes, the cause of the DTC P0455 is probably intermittent. Clear the DTC information. Road test the vehicle while monitoring the EVAP Purge test in the MIL/System Status selection under System Information on the scan tool. When the EVAP Purge test indicates complete with a YES status, check for a DTC P0455 under Last Test Failed. If there is no DTC P0455 indicated the EVAP Purge diagnostic is indicating OK at this time.

A DTC P0455 is more likely to set during city driving. Avoid operating the vehicle for long periods on the highway when validating a DTC P0455.

A DTC P0455 can be caused by any of the following conditions:

    • Faulty or loose fuel filler (gas) cap
    • Damaged or disconnected source vacuum line.
    • Damaged or leaking EVAP purge line
    • Damaged or leaking EVAP vent hose
    • Damaged or leaking fuel tank vapor line
    • Leaking or faulty EVAP canister purge valve
    • Leaking or faulty EVAP tank pressure control solenoid valve
    • Leaking or faulty EVAP vent solenoid
    • Cracked or punctured EVAP canister.
    • Leaking fuel sender assembly O-ring
    • Leaking fuel tank or fuel filler neck
    • Blockage or restrictions in the EVAP hoses, lines, or components
    • Faulty fuel tank pressure control valve
    • Faulty or erratic fuel tank pressure sensor
    • Fuel level sensor malfunction

A fuel level sensor that indicates an incorrect fuel level may cause the EVAP control system leak check diagnostic to run at the wrong time. An EVAP control system leak check diagnostic that runs at the wrong time may indicate a leak when none exists. Check the fuel level sensor accuracy by observing the fuel level sensor scan tool parameter before and after adding 3.8 liters (1 gallon) of fuel. The scan tool display should increase about 7% after adding the fuel. If a change of 7% is not indicated, check the fuel level sensor by performing the diagnostic for a DTC P0461. Refer to DTC P0461 Fuel Level Sensor Performance .

For functional checks of the EVAP control system components, refer to Evaporative Emission Control System Diagnosis .

An intermittent malfunction may be caused by a fault in an EVAP control system electrical circuit. Inspect the wiring harness and components for any of the following conditions:

    • Backed out terminals.
    • Improper mating of terminals.
    • Broken electrical connector locks.
    • Improperly formed or damaged terminals.
    • Poor terminal to wire connections.
    • Physical damage to the wiring harness.
    • A broken wire inside the insulation.
    • Corrosion of electrical connections, splices, or terminals.

If the DTC P0455 cannot be duplicated, the information included in the Freeze Frame data can be useful in determining vehicle operating conditions when the DTC was first set.

Test Description

The numbers below refer to the step numbers in the Diagnostic Table.

  1. The Powertrain OBD System Check prompts the technician to complete some basic checks and store the Freeze Frame data on the scan tool if applicable. This creates an electronic copy of the data taken when the fault occurred. The information is then stored in the scan tool for later reference.

  2. This step checks for other EVAP DTCs. Diagnose any DTCs other than a DTC P0440 first.

  3. This step checks the operation of the EVAP tank pressure control solenoid vacuum valve. The EVAP tank pressure control solenoid valve output control is disabled by the PCM when any DTCs are stored and when engine speed is indicated.

  4. A short to ground will keep the EVAP tank pressure control solenoid vacuum valve open and cause the system to fail. The EVAP tank pressure control solenoid vacuum valve output control is disabled by the PCM when any DTCs are stored and when engine speed is indicated.

  5. This step checks the components that supply manifold vacuum to the EVAP canister purge valve. A plugged or leaking EVAP canister surge tank could prevent vacuum from reaching the EVAP canister purge valve.

  6. This step checks the operation of the EVAP canister purge valve. The EVAP canister purge valve duty cycle control is disabled by the PCM when any DTCs are stored and when engine speed is indicated.

  7. This step checks the operation of the EVAP canister vent solenoid. The EVAP canister vent solenoid output control is disabled by the PCM when any DTCs are stored and when engine speed is indicated.

  8. This step checks the EVAP canister vent solenoid control circuit. The EVAP canister vent solenoid output control is disabled by the PCM when any DTCs are stored and when engine speed is indicated.

  9. This step uses tools from the EVAP Pressure/Purge Cart Diagnostic Station, in order to determine whether EVAP control system is sealed sufficiently to be pressurized. Any leak that is found must be located and repaired before continuing with the diagnosis.

  10. Use the ultrasonic leak detector in order to locate any leaks after pressurizing the EVAP system.

  11. This step checks the EVAP canister for blockage or restrictions.

Step

Action

Value(s)

Yes

No

1

Did you perform the Powertrain On-Board Diagnostic (OBD) System Check?

--

Go to Step 2

Go to Powertrain On Board Diagnostic (OBD) System Check

2

Are any other EVAP codes set with the exception of a P0440?

--

Go to Appropriate DTC Tables

Go to Step 3

3

Visually inspect the entire EVAP control system for any of the following conditions:

    • Loose hose connections
    • Damaged or deteriorated hoses
    • Clogged hoses
    • Missing or damaged components
    • Faulty terminal (electrical) connections on any related components.
    • Loose or faulty fuel cap

Was a faulty condition found?

--

Go to Step 21

Go to Step 4

4

Caution: Do not breathe the air through the EVAP component tubes or hoses. The fuel vapors inside the EVAP components may cause personal injury.

  1. Remove the fuel tank pressure control valve. Refer to Fuel Tank Pressure Control Valve Replacement .
  2. Important: There will be some resistance, but air should flow steadily through the valve.

  3. From the canister port, blow air through the valve.

Did the air flow through the valve to the tank port side?

--

Go to Step 5

Go to Step 29

5

Important: The fuel tank pressure control valve will not allow air to flow from the tank port side to the canister port side until the pressure on the tank port side is greater than 3.5 kPa (0.5 psi).

  1. Blow hard through the valve from the tank port. Air should flow through the valve to the canister port.
  2. Apply the specified value of vacuum to the vacuum port of the fuel tank pressure control valve with a hand held vacuum pump.
  3. With the vacuum applied, blow gently through the tank side port. Air should flow easily through the valve to the canister port side.

Did the fuel tank pressure control valve pass both checks?

15 in.  Hg

Go to Step 6

Go to Step 29

6

  1. Turn ON the ignition, leaving the engine OFF.
  2. Command the EVAP tank pressure control solenoid valve ON, with a scan tool.
  3. Disconnect the vacuum hoses from the EVAP tank pressure control solenoid valve.
  4. Blow air through the fuel tank pressure control valve side of the EVAP tank pressure control solenoid valve.

Did the air pass through the valve and out through the manifold vacuum side?

--

Go to Step 7

Go to Step 8

7

  1. Check the vacuum hoses and the intake manifold port for any of the following conditions:
  2. • Plugged
    • Cracks
    • Leaks
  3. Repair any faulty conditions found in the checks above.

Was a repair necessary?

--

Go to Step 35

Go to Step 10

8

  1. Turn OFF the ignition.
  2. Disconnect the EVAP tank pressure control solenoid valve electrical connector.
  3. Turn ON the ignition, leaving the engine OFF.
  4. Probe terminal 1 (harness side), with a test lamp connected to ground.

Did the test lamp illuminate?

--

Go to Step 9

Go to Step 23

9

  1. Probe the terminal 2 (harness side) with a test lamp connected to B+.
  2. Command the EVAP tank pressure control solenoid valve OFF, with the scan tool. The test lamp should not illuminate.
  3. Command the EVAP tank pressure control solenoid valve ON, with the scan tool. The test lamp should illuminate.

Did the test lamp indicate that the EVAP tank pressure control solenoid valve control circuit passed both checks?

--

Go to Step 33

Go to Step 32

10

  1. Check for any of the following conditions at the EVAP canister purge valve:
  2. • No manifold vacuum from the intake manifold vacuum port.
    • Leaking or damaged vacuum hoses.
    • Clogged or restricted vacuum hoses or passages.
    • A faulty EVAP canister surge tank.
  3. Repair any faulty conditions found in the checks above.

Was a repair necessary?

--

Go to Step 35

Go to Step 11

11

  1. Turn ON the ignition, leaving the engine OFF.
  2. Disconnect the EVAP canister purge valve vacuum hoses from the intake manifold and from the EVAP canister.
  3. Blow air into the EVAP canister purge valve vacuum hose that was disconnected from the EVAP canister. Air should not pass through the EVAP canister purge valve and exit from the intake manifold hose.
  4. Command the EVAP canister purge valve ON by adjusting the duty cycle to 100%, with a scan tool.
  5. Blow air into the EVAP canister purge valve vacuum hose that was disconnected from the EVAP canister. Air should pass through the EVAP canister purge valve and exit from the intake manifold hose.

Did the EVAP canister purge valve pass both inspections?

--

Go to Step 14

Go to Step 12

12

  1. Turn ON the ignition, leaving the engine OFF.
  2. Probe the WHT/BLU wire at the EVAP canister purge valve electrical connector terminal 2, with a test lamp connected to ground.

Did the test lamp illuminate?

--

Go to Step 13

Go to Step 23

13

  1. Probe the EVAP canister purge valve control circuit RED/GRN wire at the EVAP canister purge valve electrical connector, with a test lamp connected to B+.
  2. Monitor the test lamp while performing step 3.
  3. Command the EVAP canister purge valve ON by adjusting the duty cycle from 0 to 100% with the scan tool.

Did the test lamp flash and then illuminate fully as the duty cycle reached 100%?

--

Go to Step 31

Go to Step 30

14

  1. Turn OFF the ignition.
  2. Remove the canister hose from the EVAP canister vent solenoid.
  3. Apply the specified value of vacuum to the canister side of the EVAP canister vent solenoid with a hand vacuum pump.

Did the EVAP canister vent solenoid hold vacuum?

15 in.  Hg

Go to Step 27

Go to Step 15

15

  1. Turn ON the ignition, leaving the engine OFF.
  2. Command the EVAP canister vent solenoid ON, with the scan tool.
  3. Apply the specified value of vacuum to the canister side of the EVAP canister vent solenoid with a hand vacuum pump.

Did the EVAP canister vent solenoid hold vacuum?

15 in.  Hg

Go to Step 16

Go to Step 17

16

Use the scan tool to command the EVAP canister vent solenoid OFF while the solenoid is still holding the vacuum from step 15.

Did the vacuum drop to the specified value?

0 in.  Hg

Go to Step 19

Go to Step 24

17

  1. Turn OFF the ignition.
  2. Disconnect the EVAP canister vent solenoid electrical connector.
  3. Turn ON the ignition, leaving the engine OFF.
  4. Probe terminal 2 (harness side) of the EVAP canister vent solenoid, with a test lamp connected to ground.

Did the test lamp illuminate?

--

Go to Step 18

Go to Step 23

18

  1. Command the EVAP canister vent solenoid ON, with the scan tool.
  2. Probe terminal 1 (harness side) of the EVAP canister vent solenoid, with a test lamp connected to B+.

Did the test lamp illuminate?

--

Go to Step 28

Go to Step 26

19

  1. Turn ON the ignition, leaving the engine OFF.
  2. Remove the fuel filler cap and install the J 41415-30 Gas Cap Adapter.
  3. Connect the J 41413 EVAP Pressure/Purge Diagnostic Station to the gas cap adapter.
  4. Apply vacuum to the tank pressure control valve vacuum port, using a hand vacuum pump.
  5. Command the EVAP canister vent solenoid ON with a scan tool.
  6. Pressurize the EVAP system to the first specified value using the EVAP Pressure/Purge Diagnostic Station. Monitor the pressure using the gauge on the cart.
  7. Turn the rotary switch on the EVAP Pressure/Purge Diagnostic Station to the HOLD position and observe the EVAP pressure gauge.

Did the pressure decrease to less than the second specified value within 2 minutes?

28 mm Hg (15 in.  H2O)

18.6 mm Hg (10 in.  H2O)

Go to Step 20

Go to Step 22

20

  1. Continually attempt to pressurize the EVAP system to the specified value, while maintaining the conditions set in step 19.
  2. Locate any leaks in the EVAP control system using the J 41416 Ultrasonic Leak Detector. In order to examine the top tank connections partially lower the fuel tank .

Were any leaks found?

56 mm Hg (30 in.  H2O)

Go to Step 21

Go to Step 22

21

Replace any leaking EVAP control system components.

Is the action complete?

--

Go to Step 35

--

22

  1. Disconnect the vacuum hoses from the EVAP canister and block the vent solenoid port.
  2. Connect a hand held vacuum pump to the tank port of the EVAP canister.
  3. Attempt to obtain the specified value of vacuum pressure with the hand held vacuum pump. The pressure should bleed through the canister and out the purge port with no restrictions.

Did the vacuum gauge read any pressure?

18.6 mm Hg (10 in.  H2O)

Go to Step 25

Go to Diagnostic Aids

23

Repair the open in the WHT/BLU wire between terminal 2 and the main relay.

Is the action complete?

--

Go to Step 35

--

24

  1. Check for a short to ground in the EVAP canister vent solenoid control circuit between the EVAP canister vent solenoid and the PCM.
  2. Repair as necessary.

Was a repair necessary?

--

Go to Step 35

Go to Step 34

25

Replace the EVAP canister. Refer to Evaporative Emission Canister Replacement .

Is the action complete?

--

Go to Step 35

--

26

  1. Check for an open in the EVAP canister vent solenoid control circuit.
  2. Repair as necessary.

Was a repair necessary?

--

Go to Step 35

Go to Step 34

27

  1. Inspect the EVAP canister vent solenoid vacuum hoses for restrictions.
  2. Repair as necessary.

Was a repair necessary?

--

Go to Step 35

Go to Step 28

28

Replace the EVAP canister vent solenoid. Refer to Evaporative Emission Canister Vent Solenoid Replacement .

Is the action complete?

--

Go to Step 35

--

29

Replace the fuel tank pressure control valve. Refer to Fuel Tank Pressure Control Valve Replacement .

Is the action complete?

--

Go to Step 35

--

30

  1. Check for an open or a short in the EVAP canister purge valve control circuit.
  2. Repair as necessary.

Was a repair necessary?

--

Go to Step 35

Go to Step 34

31

Notice: The EVAP canister may have released carbon particles which caused this part to fail and may cause damage to other components. Check the EVAP canister for loose carbon before returning the vehicle to service.

Replace the EVAP canister purge valve. Refer to Evaporative Emission Canister Purge Solenoid Valve Replacement .

Is the action complete?

--

Go to Step 35

--

32

  1. Check for an open or a short in the EVAP tank pressure control solenoid valve control circuit.
  2. Repair as necessary.

Was a repair necessary?

--

Go to Step 35

Go to Step 34

33

Replace the EVAP tank pressure control solenoid valve. Refer to Evaporative Emission Tank Pressure Control Solenoid Valve Replace Replacement.

Is the action complete?

--

Go to Step 35

--

34

Replace the PCM. Refer to Powertrain Control Module Replacement .

Is the action complete?

--

Go to Step 35

--

35

  1. Clear the scan tool information and road test the vehicle within the Freeze Frame conditions that set the DTC.
  2. Review the scan tool data and check for DTCs. The repair is complete if no DTCs are stored.

Are any DTCs displayed on the scan tool?

--

Go to the Applicable DTC Table

System OK