GM Service Manual Online
For 1990-2009 cars only

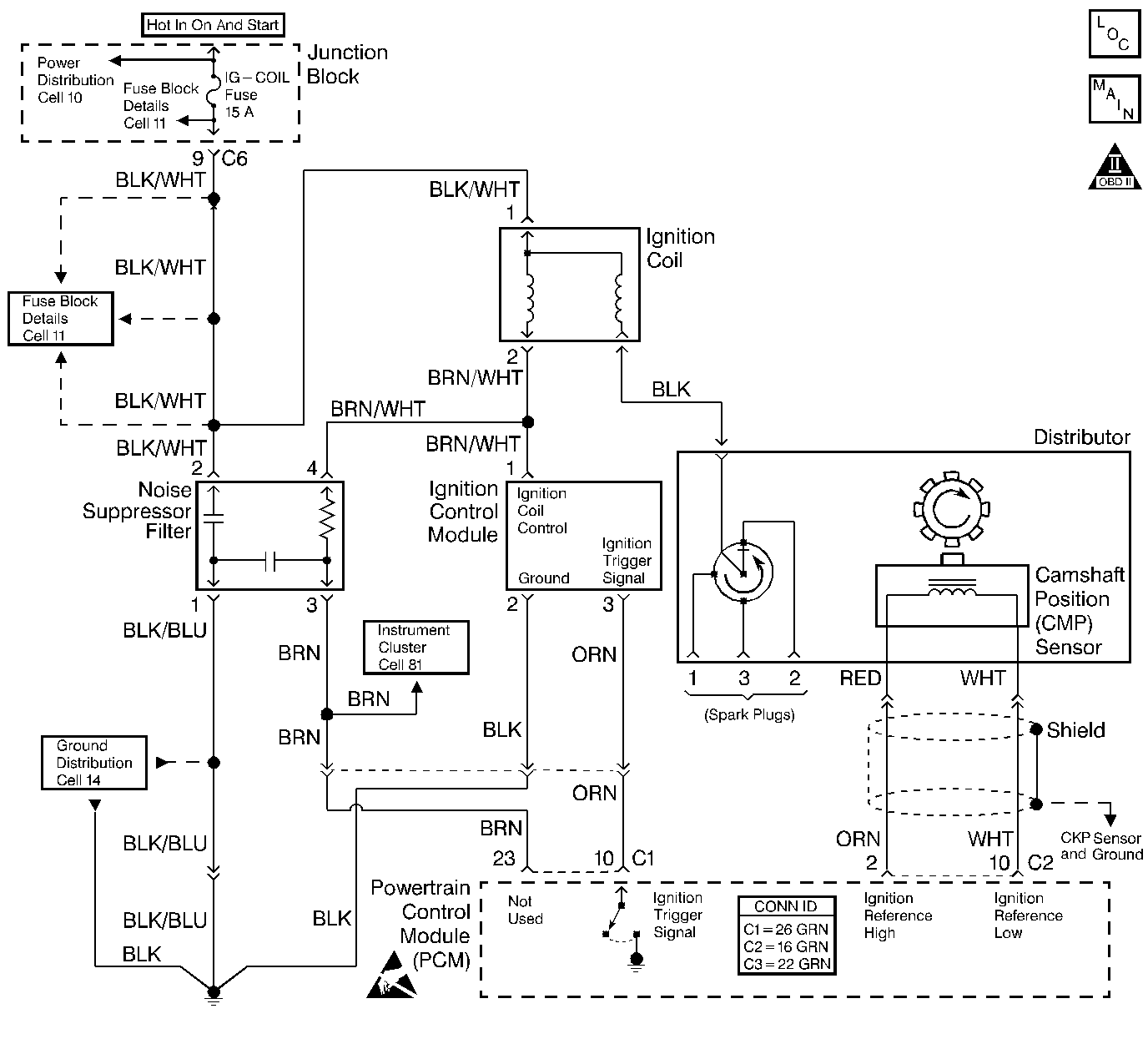
Object Number: 280445  Size: LF
Engine Controls Components
Cell 20: Ignition System
OBD II Symbol Description Notice
Handling ESD Sensitive Parts Notice

Circuit Description

The ignition coil receives the battery voltage when the ignition switch is in the ON position or in the START position. The ignition control module toggles the primary windings of the ignition coil in order to induce a high voltage in the secondary windings of the ignition coil. The powertrain control module (PCM) commands the ignition control module based on numerous inputs including the camshaft position sensor. The high voltage that is induced in the secondary windings of the ignition coil is applied through the distributor cap and through the rotor to the spark plugs.

Diagnostic Aids

Check for any of the following conditions:

    • The fuel injectors may not spray enough fuel to start the engine. Check the engine coolant temperature (ECT) with a scan tool. The indicated temperature should be close to the actual engine temperature in order for the PCM to deliver the correct amount of fuel.
    • Check TP sensor reading with a scan tool. The TP sensor reading should be 7-18 percent (0.42-1.15 volts) with the throttle closed.
    • Check the battery condition and the engine cranking speed. The engine will not start, and incorrect diagnosis may occur if the starting system is not operating to necessary levels. Refer to Starting System Check .
    • Water or foreign material can cause a no start during freezing weather. The engine may start after 5 or 6 minutes in a heated shop. The malfunction may not occur again until the vehicle is parked over-night in freezing temperatures.
    • Low fuel pressure can result in a very lean air/fuel mixture which may be difficult to ignite. Observe the fuel discharge from the fuel injector, and check the fuel pressure. Refer to Fuel System Diagnosis .
    • Fouled spark plugs or damaged spark plugs will cause an Engine Cranks But Will Not Run condition. Refer to Spark Plug Visual Diagnosis in Engine Electrical.
    • A vehicle that starts and runs after an Engine Cranks But Will Not Run complaint may have an ignition system that is susceptible to moisture. Spray water on the ignition system in order to check for an engine miss or for an engine stall.
    • Check for a malfunctioning main relay. A faulty main relay can cause an engine that cranks but will not run and prevent the MIL from illuminating. Refer to Main Relay Circuit Diagnosis .
    • Check the resistor of the fuel injector for faulty electrical connections or for a high resistance. A normal resistance is 1.9-2.8 ohms at 20°C (68°F).
    • Check for a faulty IGN fuse.

An intermittent malfunction may be caused by a fault in the ignition system electrical circuit. Inspect the wiring harness and the components for any of the following conditions:

    • Backed out terminals
    • Incorrect mating of terminals
    • Broken electrical connector locks
    • Incorrectly formed terminals or damaged terminals
    • Faulty terminal-to-wiring connections
    • Physical damage to the wiring harness
    • A broken conductor inside the wire insulation
    • Corrosion of electrical connections, of splices, or of terminals

Test Description

The numbers below refer to the step numbers in the Diagnostic Table.

  1. The Powertrain OBD System Check requires the technician to complete some basic checks and stores the freeze frame data on the scan tool if applicable. This creates an electronic copy of the data when the fault occurred. The information is stored in the Scan Tool for later reference.

  2. This step checks for a spark at the spark plugs.

  3. This step checks for faulty secondary ignition wires.

  4. This step checks for a proper resistance value of the ignition coil.

  5. The test lamp should flash , indicating a good reference pulse to the ignition control module .

  6. A test lamp that stayed ON or OFF in step 20 indicates an open or a short in the ignition control module trigger circuit.

  7. This step checks for a faulty noise suppressor filter.

  8. This step checks for a faulty noise suppressor filter.

Step

Action

Value

Yes

No

1

Did you perform the Powertrain On-Board Diagnostic (OBD) System Check?

--

Go to Step 2

Go to Powertrain On Board Diagnostic (OBD) System Check

2

Check for DTCs with a scan tool.

Is there a DTC P0340 set?

--

Go to DTC P0340 Camshaft Position (CMP) Sensor Circuit

Go to Step 3

3

  1. Disconnect the fuel injector electrical connector.
  2. Disconnect the spark plug wires from the spark plugs.
  3. Install the J 26792 spark tester or an equivalent to the spark plug wires.
  4. Crank the engine, and verify for a spark at each terminal.

Did each spark plug wire have a good strong blue spark?

--

Go to Step 4

Go to Step 5

4

  1. Check for fouled spark plugs or incorrectly gapped spark plugs.
  2. Replace or repair the spark plugs as necessary.
  3. Refer to Spark Plug Replacement in Engine Electrical.
  4. Start the engine.

Did the engine start?

--

Go to Step 27

Go to Fuel Injector Circuit Diagnosis

5

Measure the resistance value of each spark plug wire and of the ignition coil wire.

Is the resistance within the specified values?

3.0- 6.7k  ohms per ft

Go to Step 6

Go to Step 25

6

  1. Check the distributor cap and the rotor for the following:
  2. • Cracks
    • Corrosion on terminals
    • Water intrusion
  3. Replace the distributor cap and the rotor, as necessary.

Was a repair necessary?

--

Go to Step 27

Go to Step 7

7

  1. Install the J 26792 spark tester to the ignition coil wire.
  2. Crank the engine, and verify for a spark from the ignition coil.

Does the ignition coil wire have a good strong blue spark?

--

Go to Diagnostic Aids

Go to Step 8

8

  1. Turn ON the ignition, leaving the engine OFF.
  2. Measure the voltage from terminal 1 of the ignition coil to ground with a DMM.

Is the voltage near the specified value?

B+

Go to Step 10

Go to Step 9

9

Repair the open to the ignition coil in the ignition feed circuit. Refer to Wiring Repairs in Wiring Systems.

Is the action complete?

--

Go to Step 27

--

10

  1. Disconnect the ignition coil.
  2. Measure the resistance value of the ignition coil.
  3. • The primary circuit resistance value is within the first specified value.
    • The secondary circuit resistance value is within the second specified value.

Was the ignition coil resistance value within the specified values?

1.35 -1.65  ohms at 20°C (68°F)

22.1- 29.9k  ohms at 20°C (68°F)

Go to Step 12

Go to Step 11

11

Replace the ignition coil. Refer to Ignition Coil Replacement .

Is the action complete?

--

Go to Step 27

--

12

  1. Reconnect the ignition coil.
  2. Turn ON the ignition, leaving the engine OFF.
  3. Disconnect the ignition control module.
  4. Measure the voltage from terminal 1 of the ignition control module to ground with a DMM.

Is the voltage near the specified value?

B+

Go to Step 14

Go to Step 13

13

  1. Check for an open or for a short in the ignition control module ignition feed circuit.
  2. Repair the circuit, as necessary.
  3. Refer to Wiring Repairs in Wiring Systems.

Was a repair necessary?

--

Go to Step 27

Go to Step 19

14

Probe the ground circuit of the ignition control module with a test lamp connected to B+.

Did the test lamp illuminate?

--

Go to Step 16

Go to Step 15

15

Repair the open in the ground circuit of the ignition control module. Refer to Wiring Repairs in Wiring Systems.

Is the action complete?

--

Go to Step 27

--

16

  1. Probe terminal 3 of the ignition control module with a test lamp connected to B+.
  2. Crank the engine with the test lamp connected.

Does the test lamp flash from dim to bright?

--

Go to Step 18

Go to Step 17

17

  1. Check for an open or for a short in the ignition trigger circuit.
  2. Repair the circuit, as necessary.
  3. Refer to Wiring Repairs in Wiring Systems.

Was a repair necessary?

--

Go to Step 27

Go to Step 26

18

Replace the ignition control module. Refer to Ignition Coil Module Replacement in Engine Electrical.

Is the action complete?

--

Go to Step 27

--

19

  1. Disconnect the noise suppressor filter.
  2. Check the resistance value of the noise suppressor filter between terminals 3 and 4.

Is the resistance value near the specified value?

2.2k  ohms

Go to Step 20

Go to Step 24

20

Check the resistance value between terminals 1 and 2, and between terminals 1 and 3 of the noise suppressor filter.

Are the resistance value tests at the specified value?

Infinity

Go to Step 21

Go to Step 24

21

  1. Turn ON the ignition, leaving the engine OFF.
  2. Measure the voltage from terminal 2 of the noise suppressor filter to ground with the DMM.
  3. Measure the voltage from terminal 4 of the noise suppressor filter to ground with the DMM.

Are the voltage checks near the specified value?

B+

Go to Step 23

Go to Step 22

22

Repair the open in the ignition feed circuit wire. Repair the open in the BRN/WHT wire between the ignition coil and the noise suppressor filter. Refer to Wiring Repairs in Wiring Systems.

Is the action complete?

--

Go to Step 27

--

23

  1. Repair faulty electrical connections in the ignition system components.
  2. Check for a spark.

Is the action complete?

--

Go to Step 27

--

24

Replace the noise suppressor filter.

Is the action complete?

--

Go to Step 27

--

25

Replace spark plug wires or an ignition coil wire that were not within the specified resistance values in step 4.

Is the action complete?

--

Go to Step 27

--

26

Replace the PCM. Refer to Powertrain Control Module Replacement .

Is the action complete?

--

Go to Step 27

--

27

Start the engine, and observe the MIL.

Did the engine start and run with the MIL OFF?

--

System OK

Go to the Applicable Diagnostic Table