GM Service Manual Online
For 1990-2009 cars only

The cranking circuit consists of the battery, the starter motor, the ignition switch and related parts. All of these components are connected electrically. Only the starter motor will be covered in this section. Refer to Starting and Charging Schematics for electrical schematics and diagnostic procedures.

Starting Circuit


Object Number: 185727  Size: MF
(1)Plunger
(2)Solenoid
(3)Solenoid Contacts
(4)Clutch Pedal Position (CPP) Switch (Manual Transaxle) Park/Neutral Position (PNP) Switch (Automatic Transaxle)
(5)Ignition Switch
(6)Battery
(7)Starter Motor Assembly
(8)Overrunning Clutch Assembly
(9)Pinion Drive Lever

Two types of starter motors are utilized depending upon transaxle usage (manual or automatic).

Vehicles equipped with manual transaxle utilize conventional starter motors which consist of a yoke, an armature assembly, an overrunning clutch assembly, a solenoid, a commutator end cover, a brush holder, and a pinion drive lever.

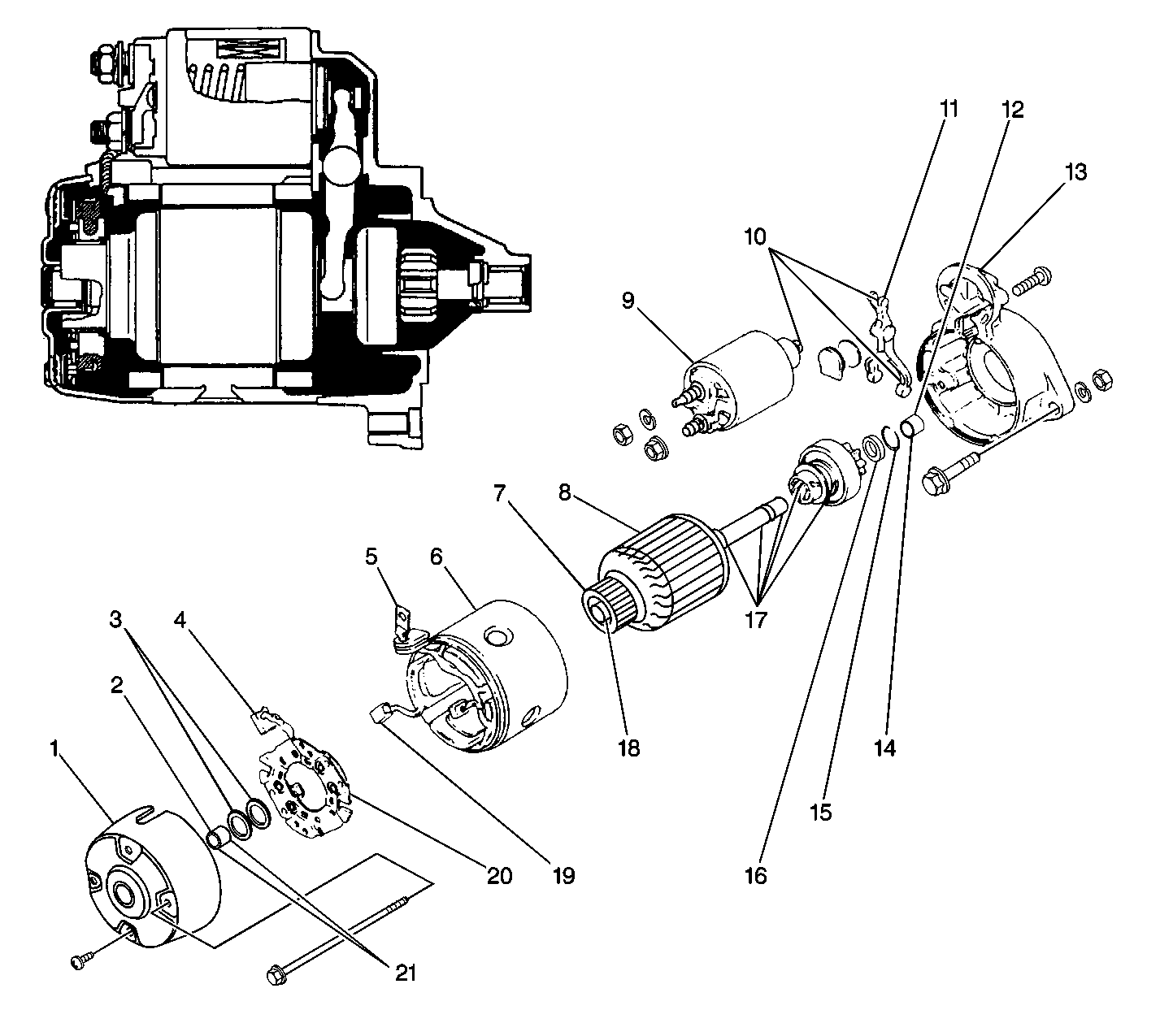
Manual Transaxle Starter Motor


Object Number: 185730  Size: LF
(1)Commutator End Cover
(2)Commutator End Bushing
(3)Washers
(4)Brushes
(5)Field Coil Lead Wire
(6)Yoke
(7)Commutator End
(8)Armature
(9)Solenoid
(10)Lightly Grease with Lubriplate Lubricant GM P/N 1050109
(11)Pinion Drive Lever
(12)Armature Bushing
(13)Drive Housing
(14)Lightly Grease with Lubriplate Lubricant GM P/N 1050109
(15)Armature Retaining Ring
(16)Armature Stop Ring
(17)Lightly Grease with Lubriplate Lubricant GM P/N 1050109
(18)Lightly Grease with Lubriplate Lubricant GM P/N 1050109
(19)Brushes
(20)Brush Holder
(21)Lightly Grease with Lubriplate Lubricant GM P/N 1050109

Vehicles equipped with automatic transaxle utilize a reduction type starter motor. This motor has a reduction gear and a shock absorber assembly, in addition to the components found on conventional starter motors.

Automatic Transaxle Starter Motor


Object Number: 431886  Size: LF
(1)Commutator End Cover
(2)Brushes
(3)Field Coil Lead Wire
(4)Armature Bushing
(5)Armature
(6)Yoke
(7)Idle Gear (3)
(8)Gear Shaft
(9)Lightly Grease with Lubriplate Lubricant GM P/N 1050109
(10)Internal Gear Assembly
(11)Solenoid
(12)Lightly Grease with Lubriplate Lubricant GM P/N 1050109
(13)Pinion Drive Lever Seal
(14)Pinion Drive Lever Plate
(15)Pinion Drive Lever
(16)Lightly Grease with Lubriplate Lubricant GM P/N 1050109
(17)Drive Housing
(18)Overrunning Clutch Retaining Ring
(19)Overrunning Clutch Stop Ring
(20)Idle Gear Retainer
(21)Commutator End
(22)Brush Springs
(23)Brush Holder