GM Service Manual Online
For 1990-2009 cars only
Makes
🢒
Chevrolet
🢒
2000
🢒
Metro
🢒
Transmission/Transaxle
🢒
Automatic Transmission - 3 Speed-M60
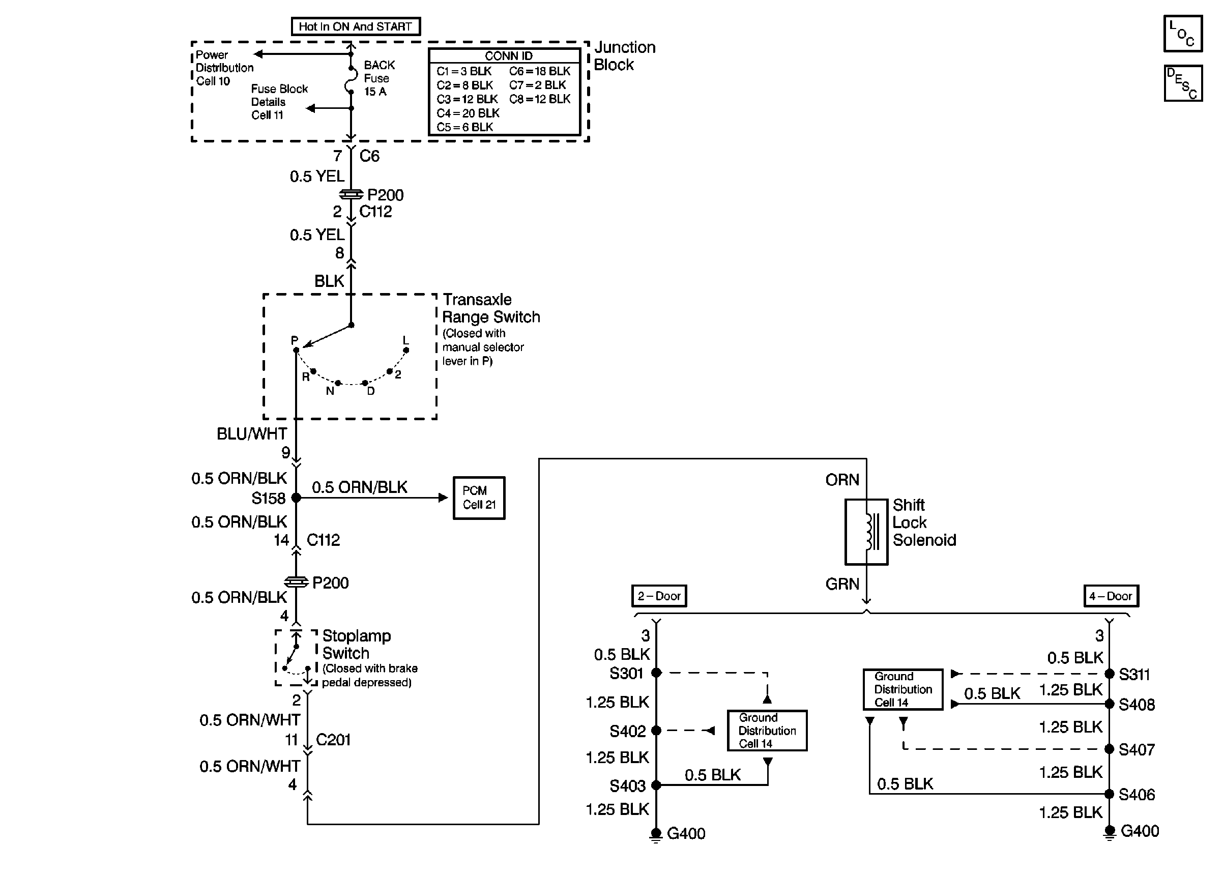
🢒 Shift Lock Control Schematics
Cell 138
Automatic Transmission Shift Lock Control Description
Power Distribution Schematics
Fuse Block Schematics
Ground Distribution Schematics
Ground Distribution Schematics