GM Service Manual Online
For 1990-2009 cars only
Figure 1:

Cell 14: G100, G101, G103, G300 (4-Door), G401 (2-Door), and G402 (2-Door)


Object Number: 351181  Size: FS
Power and Grounding Components
Power and Grounding Description
Cell 14: G104
Figure 2:

Cell 14: G104


Object Number: 351191  Size: FS
Power and Grounding Components
Power and Grounding Description
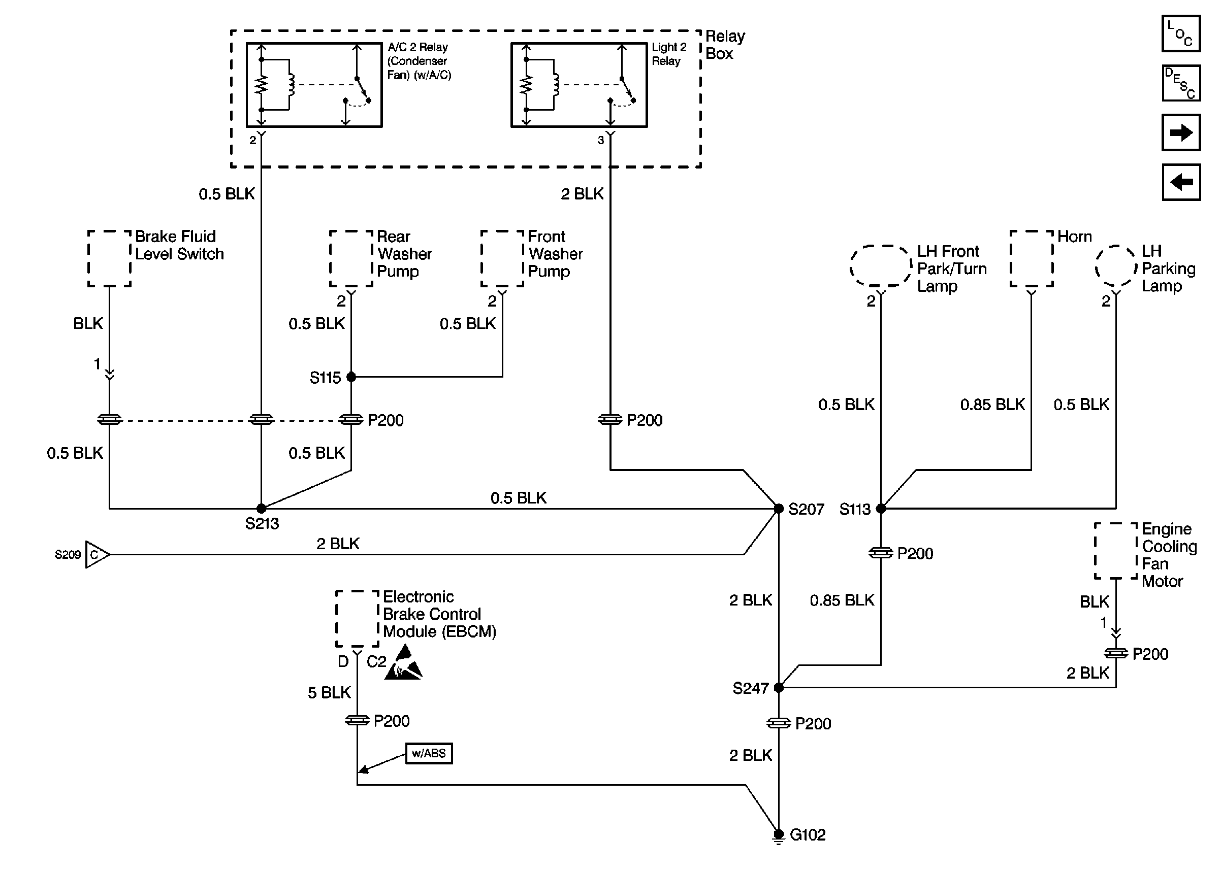
Cell 14: G102, G201, G202, and G203
Cell 14: G100, G101, G103, G300 (4-Door), G401 (2-Door),and G402 (2-Door)
Handling ESD Sensitive Parts Notice
Figure 3:

Cell 14: G102, G201, G202, and G203


Object Number: 351204  Size: FS
Power and Grounding Components
Power and Grounding Description
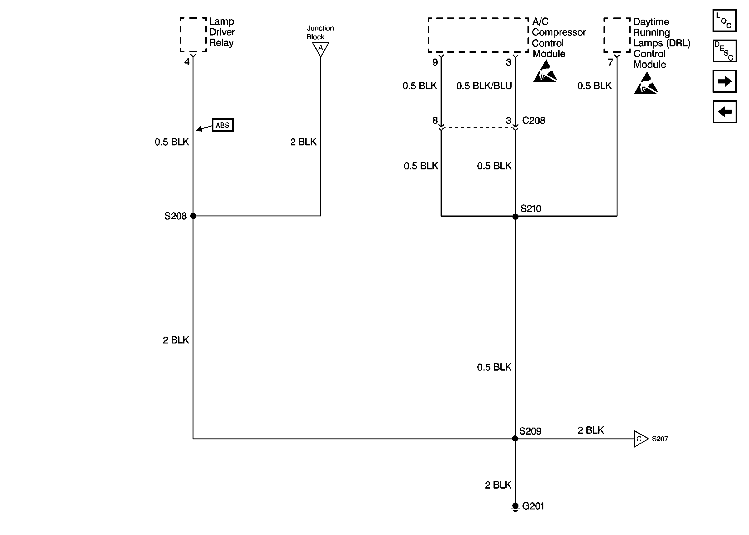
Cell 14: G102, G201, G202, and G203 and Lamp Driver Relay
Cell 14: G104
Handling ESD Sensitive Parts Notice
Figure 4:

Cell 14: G102, G201, G202, and G203 and Lamp Driver Relay


Object Number: 351214  Size: FS
Power and Grounding Components
Power and Grounding Description
Cell 14: G102, G201, G202, and G203 and Cigar Lighter
Cell 14: G102, G201, G202, and G203
Handling ESD Sensitive Parts Notice
Figure 5:

Cell 14: G102, G201, G202, and G203 and Cigar Lighter


Object Number: 351221  Size: FS
Power and Grounding Components
Power and Grounding Description
Cell 14: G105
Cell 14: G102, G201, G202, and G203 and Lamp Driver Relay
Handling ESD Sensitive Parts Notice
Figure 6:

Cell 14: G105


Object Number: 351223  Size: FS
Power and Grounding Components
Power and Grounding Description
Cell 14: G400 (2-Door)
Cell 14: G102, G201, G202, and G203 and Cigar Lighter
Figure 7:

Cell 14: G400 (2-Door)


Object Number: 351225  Size: FS
Power and Grounding Components
Power and Grounding Description
Cell 14: G400 (4-Door)
Cell 14: G105
Figure 8:

Cell 14: G400 (4-Door)


Object Number: 351232  Size: FS
Power and Grounding Components
Power and Grounding Description
Cell 14: G204
Cell 14: G400 (2-Door)
Figure 9:

Cell 14: G204


Object Number: 351236  Size: FS
Power and Grounding Components
Power and Grounding Description
Cell 14: G400 (4-Door)
Handling ESD Sensitive Parts Notice
SIR Handling Caution
SIR Handling Caution