GM Service Manual Online
For 1990-2009 cars only
Makes
🢒
Chevrolet
🢒
2000
🢒
Metro
🢒
Body and Accessories
🢒
Lighting Systems
🢒 Headlights/Daytime Running Lights (DRL) Schematics
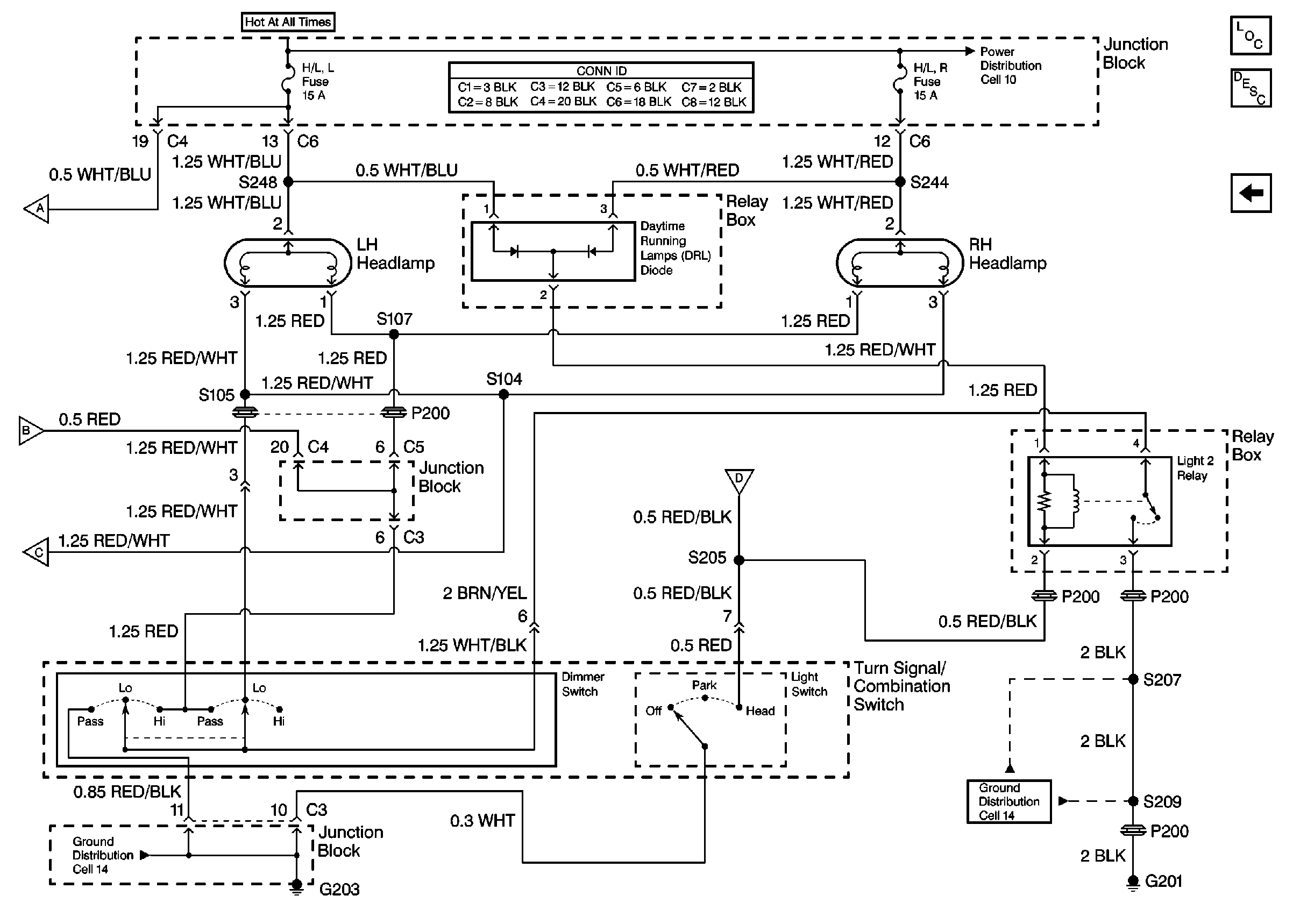
Figure
1:
Cell 102: DRL
Lighting Systems Components
Headlights/Daytime Running Lights (DRL) Circuit Description
Cell 102: Headlamps
Fuse Block Schematics
Power Distribution Schematics
Fuse Block Schematics
Fuse Block Schematics
Ground Distribution Schematics
Handling ESD Sensitive Parts Notice
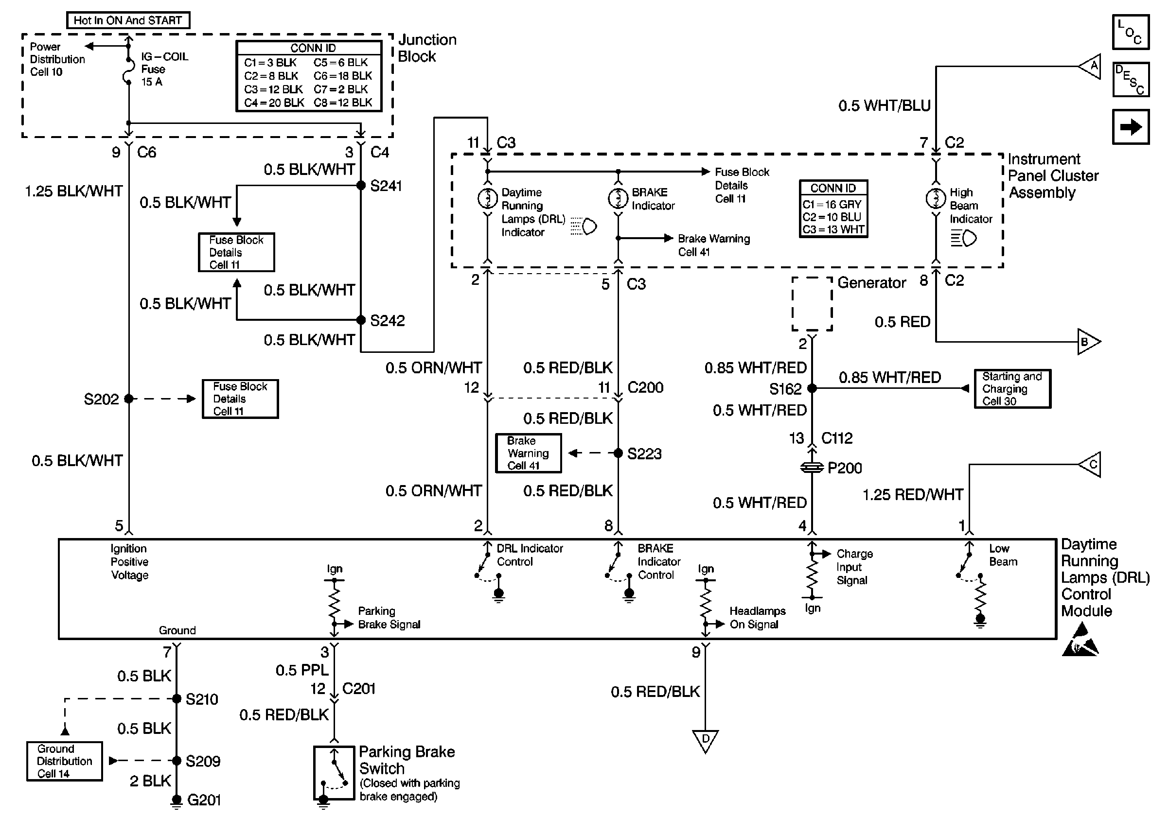
Figure
2:
Cell 102: Headlamps
Lighting Systems Components
Headlights/Daytime Running Lights (DRL) Circuit Description
Cell 102: DRL
Power Distribution Schematics
Ground Distribution Schematics
Ground Distribution Schematics