GM Service Manual Online
For 1990-2009 cars only
Makes
🢒
Chevrolet
🢒
2000
🢒
Metro
🢒
Body and Accessories
🢒
Wipers/Washer Systems
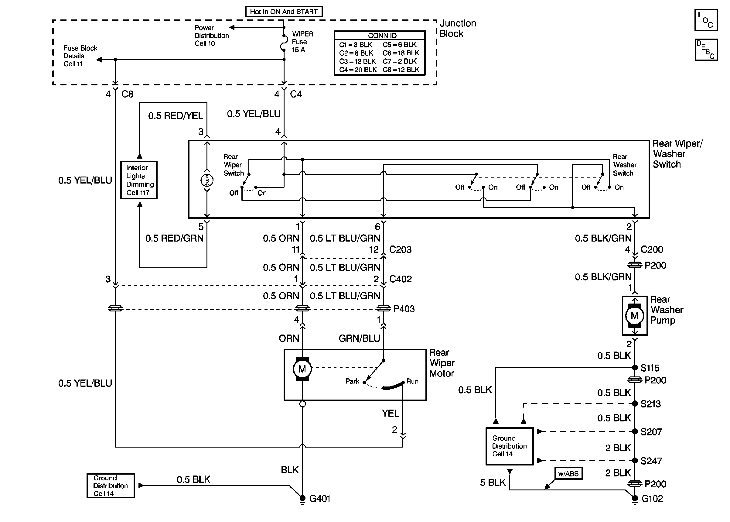
🢒 Wiper/Washer System (Rear) Schematics
Cell 92
Wiper/Washer System Components
Rear Wiper/Washer System Circuit Description
Power Distribution Schematics
Fuse Block Schematics
Ground Distribution Schematics
Ground Distribution Schematics