GM Service Manual Online
For 1990-2009 cars only
Makes
🢒
Chevrolet
🢒
2000
🢒
Metro
🢒
Body and Accessories
🢒
Instrument Panel, Gauges, and Console
🢒 Instrument Cluster: Analog Schematics
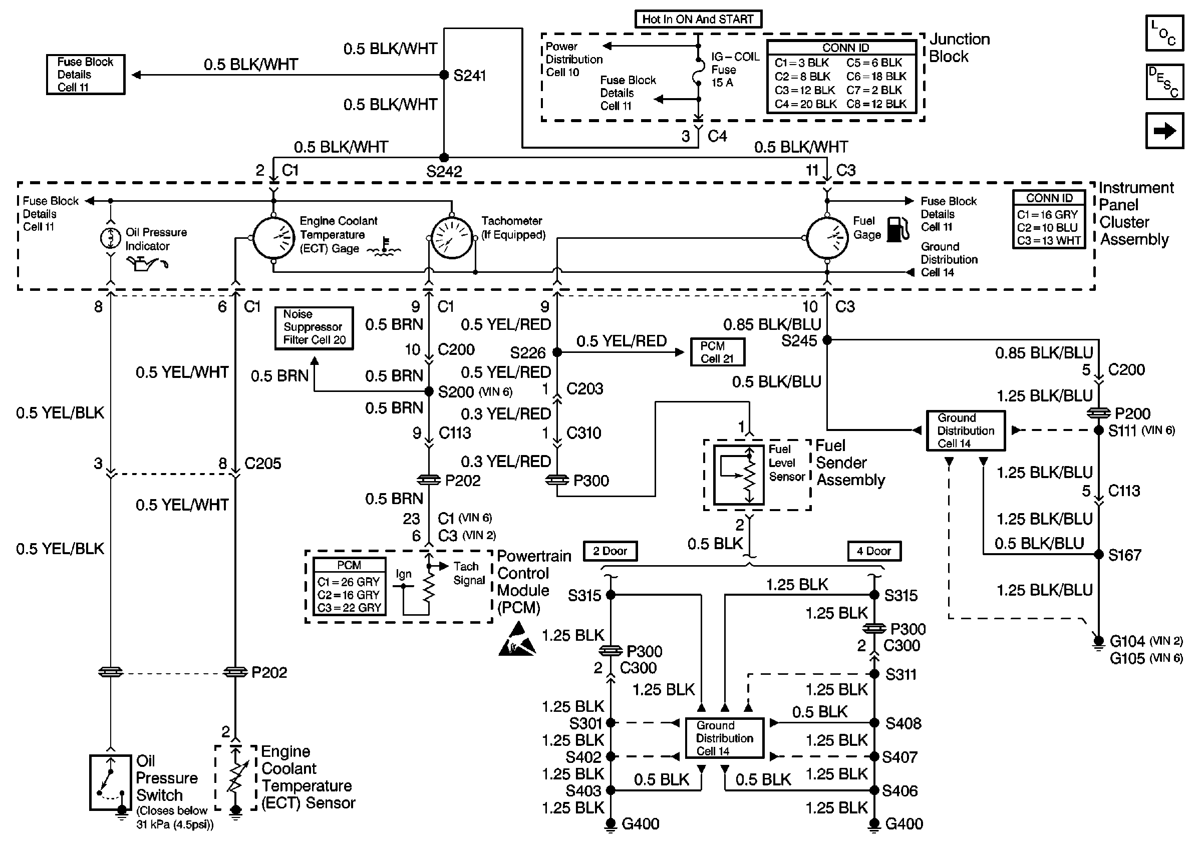
Figure
1:
Cell 81: Oil Pressure Indicator
Audible Warnings Components
Instrument Cluster Circuit Description
Cell 81: Powertrain Control Module (PCM)
Fuse Block Schematics
Power Distribution Schematics
Fuse Block Schematics
Fuse Block Schematics
Ground Distribution Schematics
Ground Distribution Schematics
Ground Distribution Schematics
Fuse Block Schematics
Handling ESD Sensitive Parts Notice
Figure
2:
Cell 81: Powertrain Control Module (PCM)
Audible Warnings Components
Instrument Cluster Circuit Description
Cell 81: Oil Pressure Indicator
Ground Distribution Schematics
Ground Distribution Schematics
Handling ESD Sensitive Parts Notice
Handling ESD Sensitive Parts Notice