GM Service Manual Online
For 1990-2009 cars only
Makes
🢒
Chevrolet
🢒
2000
🢒
Metro
🢒 Cell 50
Cell 50
Cell 50
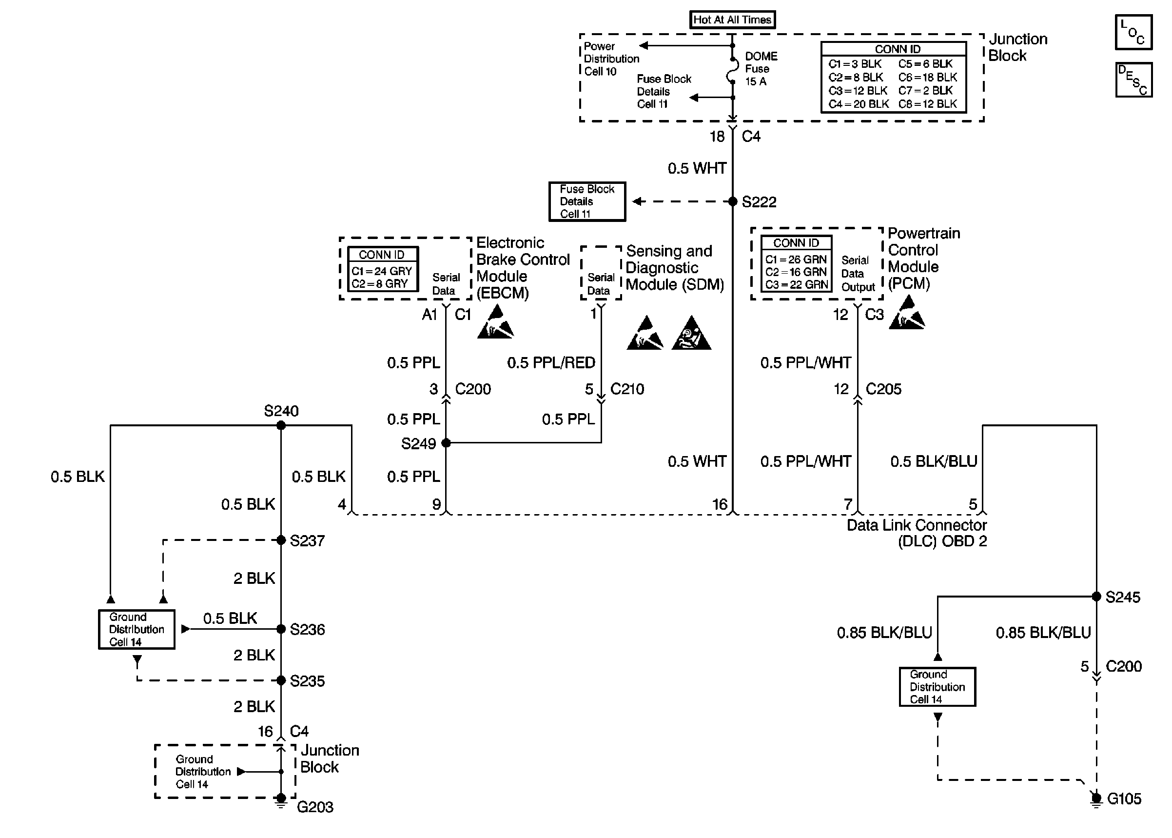
Data Link Communications Components
Data Link Communications Circuit Description
Power Distribution Schematics
Fuse Block Schematics
Fuse Block Schematics
Ground Distribution Schematics
Ground Distribution Schematics
Ground Distribution Schematics
Handling ESD Sensitive Parts Notice
Handling ESD Sensitive Parts Notice
Handling ESD Sensitive Parts Notice
SIR Handling Caution