GM Service Manual Online
For 1990-2009 cars only
Makes
🢒
Chevrolet
🢒
1997
🢒
Monte Carlo
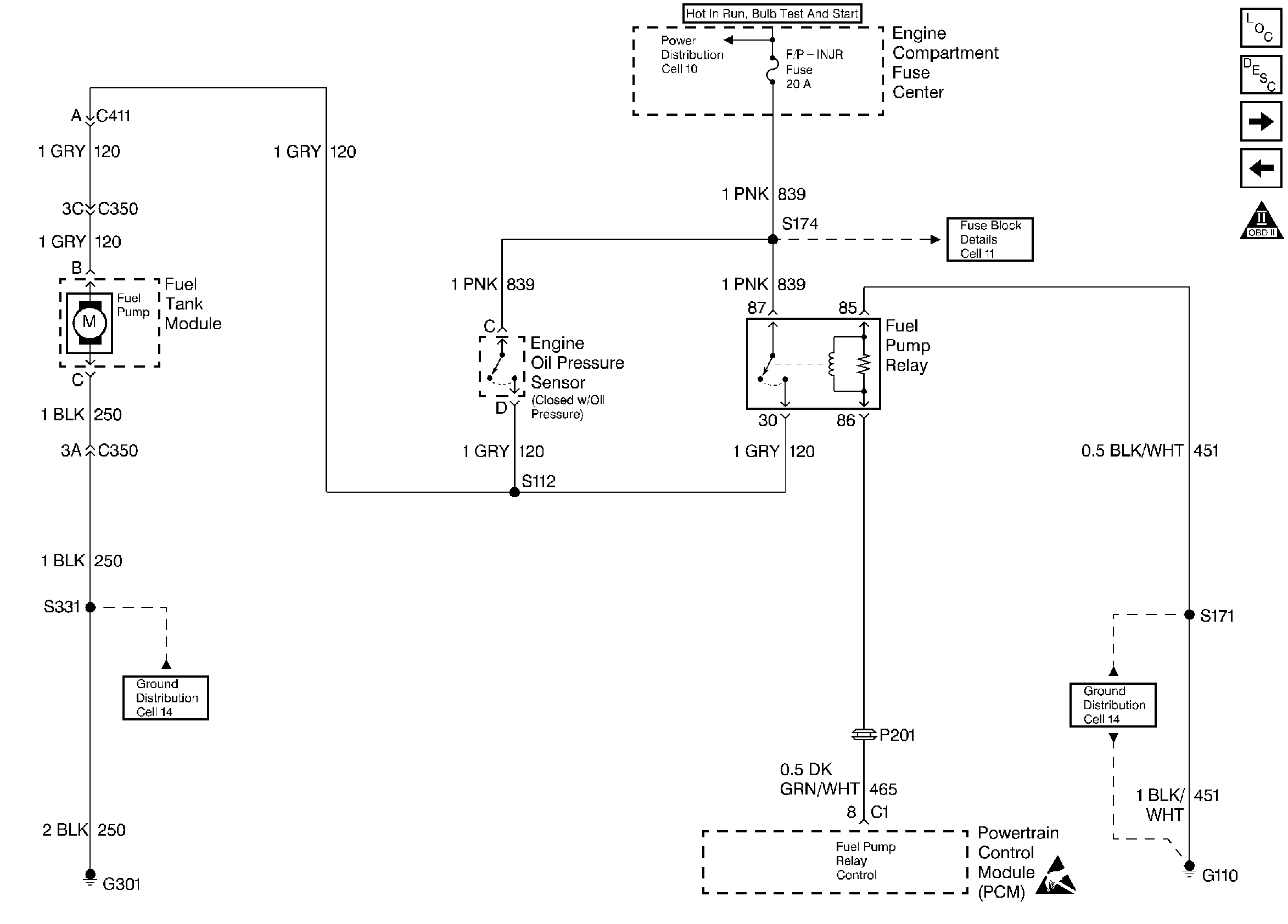
🢒 Fuel Tank Module, Engine Oil Pressure Sensor, Fuel Pump Relay
Fuel Tank Module, Engine Oil Pressure Sensor, Fuel Pump Relay
Fuel Tank Module, Engine Oil Pressure Sensor, Fuel Pump Relay
Engine Controls Components
Fuel Supply Components
Knock Sensor, Camshaft Position Sensor, Crankshaft Position Sensor, Ignition Control Module
Fuel Injectors
OBD II Symbol Description Notice
Handling ESD Sensitive Parts Notice