GM Service Manual Online
For 1990-2009 cars only
Makes
🢒
Chevrolet
🢒
1997
🢒
Monte Carlo
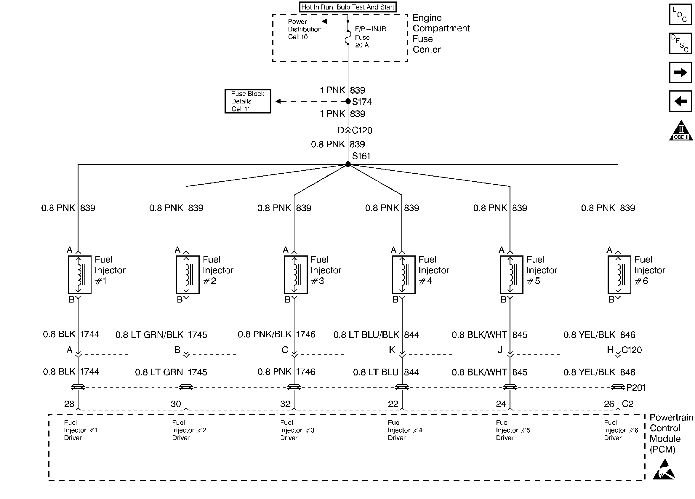
🢒 Fuel Injectors
Fuel Injectors
Fuel Injectors
Engine Controls Components
Fuel Supply Components
TP, MAP, ECT, IAT, Fuel Tank Pressure, and A/C Refrigerant Pressure Sensors
Fuel Tank Module, Engine Oil Pressure Sensor, Fuel Pump Relay
OBD II Symbol Description Notice
Handling ESD Sensitive Parts Notice