GM Service Manual Online
For 1990-2009 cars only
Makes
🢒
Chevrolet
🢒
1997
🢒
Monte Carlo
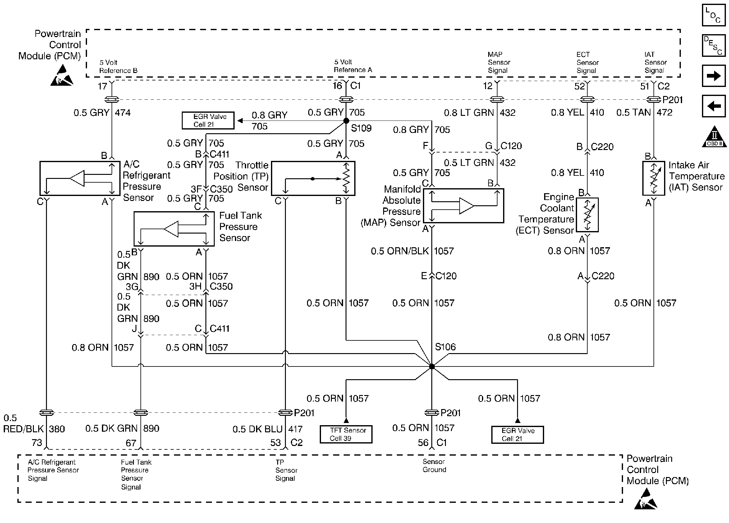
🢒 TP, MAP, ECT, IAT, Fuel Tank Pressure, and A/C Refrigerant Pressure Sensors
TP, MAP, ECT, IAT, Fuel Tank Pressure, and A/C Refrigerant Pressure Sensors
TP, MAP, ECT, IAT, Fuel Tank Pressure, and A/C Refrigernat Pressure Sensors
Engine Controls Components
Information Sensors 1
MAF Sensor, EVAP Canister Vent Solenoid, EVAP Canister Purge Valve, EGR Valve
Fuel Injectors
OBD II Symbol Description Notice
Handling ESD Sensitive Parts Notice
Handling ESD Sensitive Parts Notice