GM Service Manual Online
For 1990-2009 cars only
Makes
🢒
Chevrolet
🢒
1997
🢒
Monte Carlo
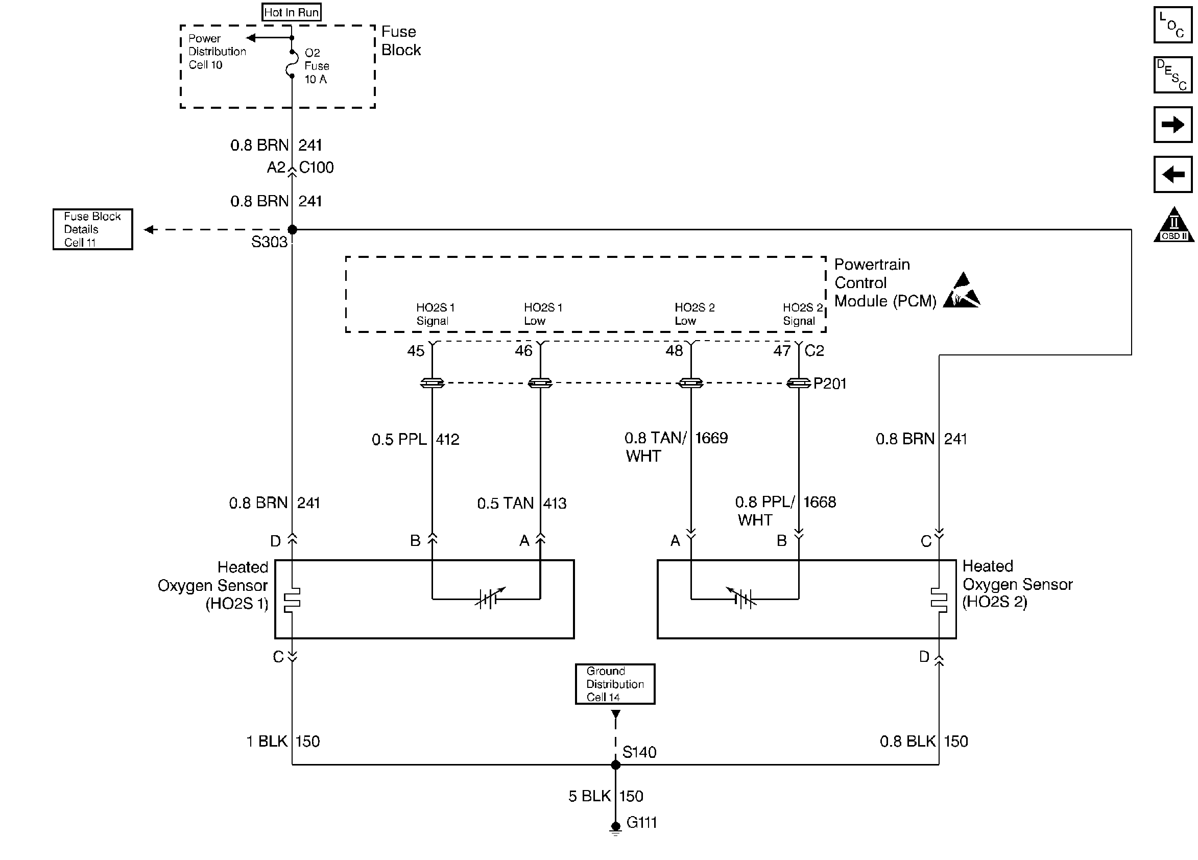
🢒 Heated Oxygen Sensors
Heated Oxygen Sensors
Heated Oxygen Sensors
Engine Controls Components
Information Sensors 1
Engine Oil Pressure Sensor, Transaxle Range Switch, IAC Valve
MAF Sensor, EVAP Canister Vent Solenoid, EVAP Canister Purge Valve, EGR Valve
OBD II Symbol Description Notice
Handling ESD Sensitive Parts Notice